Подшипники гост
Интернет-магазин
8-800-250-16-58
Обратный звонок

Заказ обратного звонка




Эл. почта:
info@amost.ru
Свои заказы Корзина пуста





Получать прайс-лист на email:

Чтобы отписаться от рассылки, введите e-mail, на который вы получаете наши письма:

 

Поиск подшипников

Масса и размеры

Внутренний диаметр d, мм

От  до 

Наружный диаметр D, мм

От  до 

Ширина b, мм

Применяемость

Раздел каталога

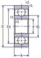
Подшипник шариковый радиальный однорядный основного конструктивного исполнения

1000907 У1 ТУ 37.006.086

Отечественный
Импортный

Производитель



уточнять наличие
Обозначение 1000907 У1 ТУ 37.006.086
Внутренний диаметр, d (мм) 35
Наружный диаметр, D (мм) 55
Ширина, В (мм) 10
Масса, m (кг) 0.0900
Грузоподъемность динамическая, C (kN) 10.4
Грузоподъемность статическая, Co (kN) 7.2
Ном. частота вращен. при пластич. смазке, n grease (1/min) 11000
Диаметр шарика, d шарика (мм) 5.953
Количество шариков, N шариков 13
Ном. частота вращен. при жидк. смазке, n oil (1/min) 14000
1000907 У1 ТУ 37.006.086
Марка Модель Узел Кол-во на узел
БелАЗ 7548(42т) Управление рулевое 2
КАЗ 4540 Управление рулевое 2
КрАЗ 260 Управление рулевое 2
КрАЗ 260А Управление рулевое 2
КрАЗ 260В Управление рулевое 2
КрАЗ 260Г Управление рулевое 2
КрАЗ 260Д Управление рулевое 2
КрАЗ 260С Управление рулевое 2
МАЗ 5322 Управление рулевое 2
МАЗ 5336 Управление рулевое 2
МАЗ 5336 Управление рулевое -
МАЗ 54321 Управление рулевое 2
МАЗ 5433 Управление рулевое 2
МАЗ 5434 Управление рулевое 2
МАЗ 54361 Управление рулевое -
МАЗ 547 Двигатель: система охлаждения 2
МАЗ 5487 Управление рулевое -
МАЗ 5551 Управление рулевое 2
МАЗ 55512 Управление рулевое 2
МАЗ 55551 Управление рулевое -
МАЗ 6303 Управление рулевое 2
МАЗ 6422 Управление рулевое 2
МАЗ 64221 Управление рулевое 2
МАЗ 64224 Управление рулевое 2
МАЗ 64227 Управление рулевое 2
МАЗ 64229 Управление рулевое 2
МАЗ 642554 Управление рулевое 2
МАЗ 64271 Управление рулевое -
МАЗ 64275 Управление рулевое -
МАЗ 7410 Двигатель: система охлаждения 3
ПАЗ 3205 Управление рулевое 2
Бренд Обозначение
ГПЗ 1000907
SKF 61907
FAG 61907
NSK 6907
Товар добавлен в корзину
Перейти в корзину ×