Подшипники гост
Интернет-магазин
8-800-250-16-58
Обратный звонок

Заказ обратного звонка




Эл. почта:
info@amost.ru
Свои заказы Корзина пуста





Получать прайс-лист на email:

Чтобы отписаться от рассылки, введите e-mail, на который вы получаете наши письма:

 

Поиск подшипников

Масса и размеры

Внутренний диаметр d, мм

От  до 

Наружный диаметр D, мм

От  до 

Ширина b, мм

Применяемость

Раздел каталога

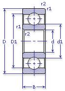
Подшипник шариковый радиальный однорядный основного конструктивного исполнения

1000907 ТУ 3900-А

Отечественный
Импортный

Производитель



уточнять наличие
Обозначение 1000907 ТУ 3900-А
Внутренний диаметр, d (мм) 35
Наружный диаметр, D (мм) 55
Ширина, В (мм) 10
Масса, m (кг) 0.0900
Грузоподъемность динамическая, C (kN) 10.4
Грузоподъемность статическая, Co (kN) 7.2
Ном. частота вращен. при пластич. смазке, n grease (1/min) 11000
Диаметр шарика, d шарика (мм) 5.953
Количество шариков, N шариков 13
Ном. частота вращен. при жидк. смазке, n oil (1/min) 14000
1000907 ТУ 3900-А
Марка Модель Узел Кол-во на узел
БелАЗ 7548(42т) Управление рулевое 2
КАЗ 4540 Управление рулевое 2
КрАЗ 260 Управление рулевое 2
КрАЗ 260А Управление рулевое 2
КрАЗ 260В Управление рулевое 2
КрАЗ 260Г Управление рулевое 2
КрАЗ 260Д Управление рулевое 2
КрАЗ 260С Управление рулевое 2
МАЗ 5322 Управление рулевое 2
МАЗ 5336 Управление рулевое 2
МАЗ 5336 Управление рулевое -
МАЗ 54321 Управление рулевое 2
МАЗ 5433 Управление рулевое 2
МАЗ 5434 Управление рулевое 2
МАЗ 54361 Управление рулевое -
МАЗ 547 Двигатель: система охлаждения 2
МАЗ 5487 Управление рулевое -
МАЗ 5551 Управление рулевое 2
МАЗ 55512 Управление рулевое 2
МАЗ 55551 Управление рулевое -
МАЗ 6303 Управление рулевое 2
МАЗ 6422 Управление рулевое 2
МАЗ 64221 Управление рулевое 2
МАЗ 64224 Управление рулевое 2
МАЗ 64227 Управление рулевое 2
МАЗ 64229 Управление рулевое 2
МАЗ 642554 Управление рулевое 2
МАЗ 64271 Управление рулевое -
МАЗ 64275 Управление рулевое -
МАЗ 7410 Двигатель: система охлаждения 3
ПАЗ 3205 Управление рулевое 2
Бренд Обозначение
ГПЗ 1000907
SKF 61907
FAG 61907
NSK 6907
Товар добавлен в корзину
Перейти в корзину ×