Подшипники гост
Интернет-магазин
8-800-250-16-58
Обратный звонок

Заказ обратного звонка




Эл. почта:
info@amost.ru
Свои заказы Корзина пуста





Получать прайс-лист на email:

Чтобы отписаться от рассылки, введите e-mail, на который вы получаете наши письма:

 

Поиск подшипников

Масса и размеры

Внутренний диаметр d, мм

От  до 

Наружный диаметр D, мм

От  до 

Ширина b, мм

Применяемость

Раздел каталога

Подшипник шариковый радиальный однорядный основного конструктивного исполнения

1000908 Ю ТУ 37.006.153

Отечественный
Импортный

Производитель



уточнять наличие
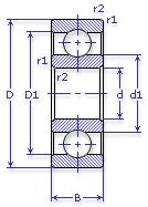
Обозначение 1000908 Ю ТУ 37.006.153
Внутренний диаметр, d (мм) 40
Наружный диаметр, D (мм) 62
Ширина, В (мм) 12
Масса, m (кг) 0.1100
Грузоподъемность динамическая, C (kN) 12.2
Грузоподъемность статическая, Co (kN) 8.9
Ном. частота вращен. при пластич. смазке, n grease (1/min) 10000
Диаметр шарика, d шарика (мм) 6.35
Количество шариков, N шариков 14
Ном. частота вращен. при жидк. смазке, n oil (1/min) 13000
1000908 Ю ТУ 37.006.153
Бренд Обозначение
ГПЗ 1000908
SKF 61908
FAG 61908
NSK 6908
Товар добавлен в корзину
Перейти в корзину ×