Подшипники гост
Интернет-магазин
8-800-250-16-58
Обратный звонок

Заказ обратного звонка




Эл. почта:
info@amost.ru
Свои заказы Корзина пуста





Получать прайс-лист на email:

Чтобы отписаться от рассылки, введите e-mail, на который вы получаете наши письма:

 

Поиск подшипников

Масса и размеры

Внутренний диаметр d, мм

От  до 

Наружный диаметр D, мм

От  до 

Ширина b, мм

Применяемость

Раздел каталога

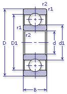
Подшипник шариковый радиальный однорядный основного конструктивного исполнения

1000908 ЮТ ГОСТ 520

Отечественный
Импортный

Производитель



уточнять наличие
Обозначение 1000908 ЮТ ГОСТ 520
Внутренний диаметр, d (мм) 40
Наружный диаметр, D (мм) 62
Ширина, В (мм) 12
Масса, m (кг) 0.1100
Грузоподъемность динамическая, C (kN) 12.2
Грузоподъемность статическая, Co (kN) 8.9
Ном. частота вращен. при пластич. смазке, n grease (1/min) 10000
Диаметр шарика, d шарика (мм) 6.35
Количество шариков, N шариков 14
Ном. частота вращен. при жидк. смазке, n oil (1/min) 13000
1000908 ЮТ ГОСТ 520
Бренд Обозначение
ГПЗ 1000908
SKF 61908
FAG 61908
NSK 6908
Товар добавлен в корзину
Перейти в корзину ×