Подшипники гост
Интернет-магазин
8-800-250-16-58
Обратный звонок

Заказ обратного звонка




Эл. почта:
info@amost.ru
Свои заказы Корзина пуста





Получать прайс-лист на email:

Чтобы отписаться от рассылки, введите e-mail, на который вы получаете наши письма:

 

Поиск подшипников

Масса и размеры

Внутренний диаметр d, мм

От  до 

Наружный диаметр D, мм

От  до 

Ширина b, мм

Применяемость

Раздел каталога

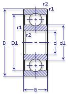
Подшипник шариковый радиальный однорядный основного конструктивного исполнения

1000913 А ГОСТ 520

Отечественный
Импортный

Производитель



уточнять наличие
Обозначение 1000913 А ГОСТ 520
Внутренний диаметр, d (мм) 65
Наружный диаметр, D (мм) 90
Ширина, В (мм) 13
Масса, m (кг) 0.219
Грузоподъемность динамическая, C (kN) 17.5
Грузоподъемность статическая, Co (kN) 13.5
Ном. частота вращен. при пластич. смазке, n grease (1/min) 6300
Марка стали, Материал ШХ-15
Диаметр шарика, d шарика (мм) 7.144
Количество шариков, N шариков 19
Ном. частота вращен. при жидк. смазке, n oil (1/min) 8000
1000913 А ГОСТ 520
Марка Модель Узел Кол-во на узел
ЗИЛ 4331 Коробка передач 1
ЗИЛ 433100 Коробка передач 1
Бренд Обозначение
ГПЗ 1000913
SKF 61913
FAG 61913
NSK 6913
Товар добавлен в корзину
Перейти в корзину ×