Подшипники гост
Интернет-магазин
8-800-250-16-58
Обратный звонок

Заказ обратного звонка




Эл. почта:
info@amost.ru
Свои заказы Корзина пуста





Получать прайс-лист на email:

Чтобы отписаться от рассылки, введите e-mail, на который вы получаете наши письма:

 

Поиск подшипников

Масса и размеры

Внутренний диаметр d, мм

От  до 

Наружный диаметр D, мм

От  до 

Ширина b, мм

Применяемость

Раздел каталога

Подшипник шариковый радиальный однорядный основного конструктивного исполнения

1000913 ЕТУ ВНИПП.500

Отечественный
Импортный

Производитель



уточнять наличие
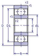
Обозначение 1000913 ЕТУ ВНИПП.500
Внутренний диаметр, d (мм) 65
Наружный диаметр, D (мм) 90
Ширина, В (мм) 13
Масса, m (кг) 0.219
Грузоподъемность динамическая, C (kN) 17.5
Грузоподъемность статическая, Co (kN) 13.5
Ном. частота вращен. при пластич. смазке, n grease (1/min) 6300
Марка стали, Материал ШХ-15
Диаметр шарика, d шарика (мм) 7.144
Количество шариков, N шариков 19
Ном. частота вращен. при жидк. смазке, n oil (1/min) 8000
1000913 ЕТУ ВНИПП.500
Марка Модель Узел Кол-во на узел
ЗИЛ 4331 Коробка передач 1
ЗИЛ 433100 Коробка передач 1
Бренд Обозначение
ГПЗ 1000913
SKF 61913
FAG 61913
NSK 6913
Товар добавлен в корзину
Перейти в корзину ×