Подшипники гост
Интернет-магазин
8-800-250-16-58
Обратный звонок

Заказ обратного звонка




Эл. почта:
info@amost.ru
Свои заказы Корзина пуста





Получать прайс-лист на email:

Чтобы отписаться от рассылки, введите e-mail, на который вы получаете наши письма:

 

Поиск подшипников

Масса и размеры

Внутренний диаметр d, мм

От  до 

Наружный диаметр D, мм

От  до 

Ширина b, мм

Применяемость

Раздел каталога

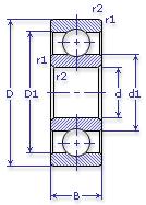
Подшипник шариковый радиальный однорядный основного конструктивного исполнения

1000922 Л ЕТУ ВНИПП.500

Отечественный
Импортный

Производитель



уточнять наличие
Обозначение 1000922 Л ЕТУ ВНИПП.500
Внутренний диаметр, d (мм) 110
Наружный диаметр, D (мм) 150
Ширина, В (мм) 20
Масса, m (кг) 1.0800
Грузоподъемность динамическая, C (kN) 48
Грузоподъемность статическая, Co (kN) 45
Ном. частота вращен. при пластич. смазке, n grease (1/min) 3200
Марка стали, Материал ШХ-15
Диаметр шарика, d шарика (мм) 11.509
Количество шариков, N шариков 19
Ном. частота вращен. при жидк. смазке, n oil (1/min) 4000
1000922 Л ЕТУ ВНИПП.500
Марка Модель Узел Кол-во на узел
Трактор Т-11.01.01Я Коробка передач планетарная 2
Трактор Т-11.01.01ЯМ Коробка передач планетарная 2
Трактор Т-11.01.01ЯМП Коробка передач планетарная 2
Трактор Т-15.01Я Коробка передач планетарная 1
Трактор Т-15.01Я Фрикцион бортовой и тормоз остановочный 2
Трактор Т-15.01ЯМ Коробка передач планетарная 1
Трактор Т-15.01ЯМ Фрикцион бортовой и тормоз остановочный 2
Трактор Т-20.01Я Коробка передач планетарная 1
Трактор Т-20.01Я Коробка передач: водило 1
Трактор Т-20.01Я Фрикцион бортовой и тормоз остановочный 2
Бренд Обозначение
ГПЗ 1000922
SKF 61922
FAG 61922
NSK 6922
Товар добавлен в корзину
Перейти в корзину ×