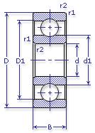
Подшипник шариковый радиальный однорядный основного конструктивного исполнения
1000922 Л ЕТУ ВНИПП.100/3
Производитель
уточнять наличие
| Обозначение |
1000922 Л ЕТУ ВНИПП.100/3 |
| Внутренний диаметр, d (мм) |
110 |
| Наружный диаметр, D (мм) |
150 |
| Ширина, В (мм) |
20 |
| Масса, m (кг) |
1.0800 |
| Грузоподъемность динамическая, C (kN) |
48 |
| Грузоподъемность статическая, Co (kN) |
45 |
| Ном. частота вращен. при пластич. смазке, n grease (1/min) |
3200 |
| Марка стали, Материал |
ШХ-15 |
| Диаметр шарика, d шарика (мм) |
11.509 |
| Количество шариков, N шариков |
19 |
| Ном. частота вращен. при жидк. смазке, n oil (1/min) |
4000 |
| Марка |
Модель |
Узел |
Кол-во на узел |
| Трактор |
Т-11.01.01Я |
Коробка передач планетарная |
2 |
| Трактор |
Т-11.01.01ЯМ |
Коробка передач планетарная |
2 |
| Трактор |
Т-11.01.01ЯМП |
Коробка передач планетарная |
2 |
| Трактор |
Т-15.01Я |
Коробка передач планетарная |
1 |
| Трактор |
Т-15.01Я |
Фрикцион бортовой и тормоз остановочный |
2 |
| Трактор |
Т-15.01ЯМ |
Коробка передач планетарная |
1 |
| Трактор |
Т-15.01ЯМ |
Фрикцион бортовой и тормоз остановочный |
2 |
| Трактор |
Т-20.01Я |
Коробка передач планетарная |
1 |
| Трактор |
Т-20.01Я |
Коробка передач: водило |
1 |
| Трактор |
Т-20.01Я |
Фрикцион бортовой и тормоз остановочный |
2 |