Подшипники гост
Интернет-магазин
8-800-250-16-58
Обратный звонок

Заказ обратного звонка




Эл. почта:
info@amost.ru
Свои заказы Корзина пуста





Получать прайс-лист на email:

Чтобы отписаться от рассылки, введите e-mail, на который вы получаете наши письма:

 

Поиск подшипников

Масса и размеры

Внутренний диаметр d, мм

От  до 

Наружный диаметр D, мм

От  до 

Ширина b, мм

Применяемость

Раздел каталога

Подшипник шариковый радиальный однорядный основного конструктивного исполнения

1000924 АД ГОСТ 520

Отечественный
Импортный

Производитель



уточнять наличие
Обозначение 1000924 АД ГОСТ 520
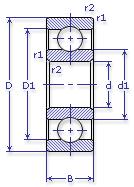
Внутренний диаметр, d (мм) 120
Наружный диаметр, D (мм) 165
Ширина, В (мм) 22
Масса, m (кг) 1.5400
Грузоподъемность динамическая, C (kN) 53
Грузоподъемность статическая, Co (kN) 48
Ном. частота вращен. при пластич. смазке, n grease (1/min) 3200
Марка стали, Материал ШХ-15
Диаметр шарика, d шарика (мм) 13.494
Количество шариков, N шариков 18
Ном. частота вращен. при жидк. смазке, n oil (1/min) 4000
1000924 АД ГОСТ 520
Марка Модель Узел Кол-во на узел
Трактор Т-15.01Я Коробка передач планетарная 2
Трактор Т-15.01ЯМ Коробка передач планетарная 2
Трактор Т-20.01Я Коробка передач планетарная 2
Трактор Т-25.01Я Коробка передач: водило 1
Трактор Т-35.01 ЯБЛ Коробка передач: водило 1
Трактор Т-35.01 ЯБЛ Фрикцион бортовой и тормоз остановочный 3
Трактор Т-35.01Я Коробка передач: водило 1
Трактор Т-35.01Я Фрикцион бортовой и тормоз остановочный 3
Трактор ТМ-25.01Я Коробка передач планетарная 1
Бренд Обозначение
ГПЗ 1000924
SKF 61924
FAG 61924
NSK 6924
Товар добавлен в корзину
Перейти в корзину ×