Подшипники гост
Интернет-магазин
8-800-250-16-58
Обратный звонок

Заказ обратного звонка




Эл. почта:
info@amost.ru
Свои заказы Корзина пуста





Получать прайс-лист на email:

Чтобы отписаться от рассылки, введите e-mail, на который вы получаете наши письма:

 

Поиск подшипников

Масса и размеры

Внутренний диаметр d, мм

От  до 

Наружный диаметр D, мм

От  до 

Ширина b, мм

Применяемость

Раздел каталога

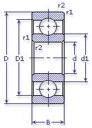
Подшипник шариковый радиальный однорядный основного конструктивного исполнения

1000926 Л ЕТУ ВНИПП.500

Отечественный
Импортный

Производитель



уточнять наличие
Обозначение 1000926 Л ЕТУ ВНИПП.500
Внутренний диаметр, d (мм) 130
Наружный диаметр, D (мм) 180
Ширина, В (мм) 24
Масса, m (кг) 1.8600
Грузоподъемность динамическая, C (kN) 63.5
Грузоподъемность статическая, Co (kN) 50
Ном. частота вращен. при пластич. смазке, n grease (1/min) 2600
Марка стали, Материал ШХ-15
Диаметр шарика, d шарика (мм) 15.081
Количество шариков, N шариков 18
Ном. частота вращен. при жидк. смазке, n oil (1/min) 3200
1000926 Л ЕТУ ВНИПП.500
Марка Модель Узел Кол-во на узел
КЗКТ Э538ДК Коробка передач планетарная 1
КЗКТ Э538ДП Коробка передач планетарная 1
МАЗ 537 Коробка передач планетарная 1
МАЗ 537Г Коробка передач планетарная 1
МАЗ 538 Коробка передач планетарная 1
МАЗ 543 Коробка передач планетарная 1
МАЗ 547 Антивибратор 2
МАЗ 547 Коробка передач планетарная 1
МАЗ 7310 Коробка передач планетарная 1
МАЗ 73101 Коробка передач планетарная 1
МАЗ 7410 Коробка передач планетарная 1
Станкостроение Не указано Не указано -
Трактор Т-25.01Я Коробка передач планетарная 2
Трактор Т-35.01 ЯБЛ Коробка передач планетарная 2
Трактор Т-35.01Я Коробка передач планетарная 2
Трактор ТМ-25.01Я Коробка передач планетарная 2
Бренд Обозначение
ГПЗ 1000926
SKF 61926
FAG 61926
NSK 6926
Товар добавлен в корзину
Перейти в корзину ×