Подшипники гост
Интернет-магазин
8-800-250-16-58
Обратный звонок

Заказ обратного звонка




Эл. почта:
info@amost.ru
Свои заказы Корзина пуста





Получать прайс-лист на email:

Чтобы отписаться от рассылки, введите e-mail, на который вы получаете наши письма:

 

Поиск подшипников

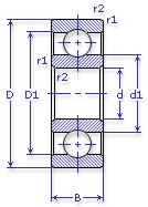
Масса и размеры

Внутренний диаметр d, мм

От  до 

Наружный диаметр D, мм

От  до 

Ширина b, мм

Применяемость

Раздел каталога

Подшипник шариковый радиальный однорядный основного конструктивного исполнения

1000928 Б1Т2 ЕТУ ВНИПП.100/1

Отечественный
Импортный

Производитель



уточнять наличие
Обозначение 1000928 Б1Т2 ЕТУ ВНИПП.100/1
Внутренний диаметр, d (мм) 140
Наружный диаметр, D (мм) 190
Ширина, В (мм) 24
Масса, m (кг) 2.13
Грузоподъемность динамическая, C (kN) 66.6
Грузоподъемность статическая, Co (kN) 53
Ном. частота вращен. при пластич. смазке, n grease (1/min) 2600
Диаметр шарика, d шарика (мм) 11.509
Количество шариков, N шариков 19
Ном. частота вращен. при жидк. смазке, n oil (1/min) 3200
1000928 Б1Т2 ЕТУ ВНИПП.100/1
Марка Модель Узел Кол-во на узел
Станкостроение Не указано Не указано -
Бренд Обозначение
ГПЗ 1000928
SKF 61928
FAG 61928
NSK 6928
Товар добавлен в корзину
Перейти в корзину ×