Подшипники гост
Интернет-магазин
8-800-250-16-58
Обратный звонок

Заказ обратного звонка




Эл. почта:
info@amost.ru
Свои заказы Корзина пуста





Получать прайс-лист на email:

Чтобы отписаться от рассылки, введите e-mail, на который вы получаете наши письма:

 

Поиск подшипников

Масса и размеры

Внутренний диаметр d, мм

От  до 

Наружный диаметр D, мм

От  до 

Ширина b, мм

Применяемость

Раздел каталога

Подшипник шариковый радиальный однорядный основного конструктивного исполнения

1000930 Л ГОСТ 520

Отечественный
Импортный

Производитель



уточнять наличие
Обозначение 1000930 Л ГОСТ 520
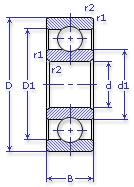
Внутренний диаметр, d (мм) 150
Наружный диаметр, D (мм) 210
Ширина, В (мм) 28
Масса, m (кг) 2.9
Грузоподъемность динамическая, C (kN) 72
Грузоподъемность статическая, Co (kN) 60
Ном. частота вращен. при пластич. смазке, n grease (1/min) 2900
Марка стали, Материал ШХ-15
Диаметр шарика, d шарика (мм) 17.462
Количество шариков, N шариков 18
Ном. частота вращен. при жидк. смазке, n oil (1/min) 3800
1000930 Л ГОСТ 520
Бренд Обозначение
ГПЗ 1000930
SKF 61930
FAG 61930
NSK 6930
Товар добавлен в корзину
Перейти в корзину ×