Подшипники гост
Интернет-магазин
8-800-250-16-58
Обратный звонок

Заказ обратного звонка




Эл. почта:
info@amost.ru
Свои заказы Корзина пуста





Получать прайс-лист на email:

Чтобы отписаться от рассылки, введите e-mail, на который вы получаете наши письма:

 

Поиск подшипников

Масса и размеры

Внутренний диаметр d, мм

От  до 

Наружный диаметр D, мм

От  до 

Ширина b, мм

Применяемость

Раздел каталога

Подшипник шариковый радиальный однорядный

100704 БТ2 ТУ ВНИПП.153

Отечественный
Импортный

Производитель



уточнять наличие
Обозначение 100704 БТ2 ТУ ВНИПП.153
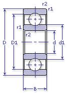
Внутренний диаметр, d (мм) 20
Наружный диаметр, D (мм) 42
Ширина, В (мм) 9
Масса, m (кг) 0.052
Грузоподъемность динамическая, C (kN) 6.69
Грузоподъемность статическая, Co (kN) 3.97
Ном. частота вращен. при пластич. смазке, n grease (1/min) 13000
Диаметр шарика, d шарика (мм) 6.35
Количество шариков, N шариков 8
Ном. частота вращен. при жидк. смазке, n oil (1/min) 16000
Диаметр борта наружного кольца, D1(mm) 35.5
Диаметр борта внутреннего кольца, d1 (mm) 26.9
Радиус фаски, r1, r2 min (мм) 0.6
100704 БТ2 ТУ ВНИПП.153
Товар добавлен в корзину
Перейти в корзину ×