Подшипники гост
Интернет-магазин
8-800-250-16-58
Обратный звонок

Заказ обратного звонка




Эл. почта:
info@amost.ru
Свои заказы Корзина пуста





Получать прайс-лист на email:

Чтобы отписаться от рассылки, введите e-mail, на который вы получаете наши письма:

 

Поиск подшипников

Масса и размеры

Внутренний диаметр d, мм

От  до 

Наружный диаметр D, мм

От  до 

Ширина b, мм

Применяемость

Раздел каталога

Подшипник шариковый радиальный однорядный

100704 Р ТУ 100/3

Отечественный
Импортный

Производитель



уточнять наличие
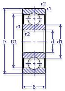
Обозначение 100704 Р ТУ 100/3
Внутренний диаметр, d (мм) 20
Наружный диаметр, D (мм) 42
Ширина, В (мм) 9
Масса, m (кг) 0.052
Грузоподъемность динамическая, C (kN) 6.69
Грузоподъемность статическая, Co (kN) 3.97
Ном. частота вращен. при пластич. смазке, n grease (1/min) 13000
Диаметр шарика, d шарика (мм) 6.35
Количество шариков, N шариков 8
Ном. частота вращен. при жидк. смазке, n oil (1/min) 16000
Диаметр борта наружного кольца, D1(mm) 35.5
Диаметр борта внутреннего кольца, d1 (mm) 26.9
Радиус фаски, r1, r2 min (мм) 0.6
100704 Р ТУ 100/3
Товар добавлен в корзину
Перейти в корзину ×