Подшипники гост
Интернет-магазин
8-800-250-16-58
Обратный звонок

Заказ обратного звонка




Эл. почта:
info@amost.ru
Свои заказы Корзина пуста





Получать прайс-лист на email:

Чтобы отписаться от рассылки, введите e-mail, на который вы получаете наши письма:

 

Поиск подшипников

Масса и размеры

Внутренний диаметр d, мм

От  до 

Наружный диаметр D, мм

От  до 

Ширина b, мм

Применяемость

Раздел каталога

Подшипник шариковый радиальный однорядный основного конструктивного исполнения

101 ГОСТ 520

Отечественный
Импортный

Производитель



уточнять наличие
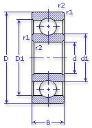
Обозначение 101 ГОСТ 520
Внутренний диаметр, d (мм) 12
Наружный диаметр, D (мм) 28
Ширина, В (мм) 8
Масса, m (кг) 0.021
Грузоподъемность динамическая, C (kN) 5.07
Грузоподъемность статическая, Co (kN) 2.24
Ном. частота вращен. при пластич. смазке, n grease (1/min) 26000
Диаметр шарика, d шарика (мм) 4.763
Количество шариков, N шариков 8
Ном. частота вращен. при жидк. смазке, n oil (1/min) 32000
101 ГОСТ 520

Этот подшипник может быть заменен другими:

Подшипник 60101 — При условии демонтажа одной защитной шайбы

Подшипник 160101 — При условии демонтажа одной защитной шайбы

Подшипник 80101 — При условии демонтажа 2-х защитных шайб

Подшипник 180101 — При условии демонтажа 2-х защитных шайб

Марка Модель Узел Кол-во на узел
Москвич 2141 Управление рулевое 1
Бренд Обозначение
ГПЗ 101
SKF 6001
FAG 6001
NSK 6001
Товар добавлен в корзину
Перейти в корзину ×