Подшипники гост
Интернет-магазин
8-800-250-16-58
Обратный звонок

Заказ обратного звонка




Эл. почта:
info@amost.ru
Свои заказы Корзина пуста





Получать прайс-лист на email:

Чтобы отписаться от рассылки, введите e-mail, на который вы получаете наши письма:

 

Поиск подшипников

Масса и размеры

Внутренний диаметр d, мм

От  до 

Наружный диаметр D, мм

От  до 

Ширина b, мм

Применяемость

Раздел каталога

Подшипник шариковый радиальный однорядный основного конструктивного исполнения

102 АШ ГОСТ 520

Отечественный
Импортный
Цена: 12.00 руб

Производитель



под заказ
Обозначение 102 АШ ГОСТ 520
Новинки 0
Хиты продаж 0
Скидки 0
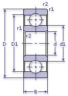
Внутренний диаметр, d (мм) 15
Наружный диаметр, D (мм) 32
Ширина, В (мм) 9
Масса, m (кг) 0.0272
Грузоподъемность динамическая, C (kN) 5.59
Грузоподъемность статическая, Co (kN) 2.85
Ном. частота вращен. при пластич. смазке, n grease (1/min) 22000
Марка стали, Материал ШХ-15
Диаметр шарика, d шарика (мм) 4.763
Количество шариков, N шариков 8
Ном. частота вращен. при жидк. смазке, n oil (1/min) 28000
102 АШ ГОСТ 520

Этот подшипник может быть заменен другими:

Подшипник 50102 — Условие отсутствует

Подшипник 60102 — При условии демонтажа одной защитной шайбы

Подшипник 160102 — При условии демонтажа одной защитной шайбы

Подшипник 150102 — При условии демонтажа одной защитной шайбы (п/ш с канавкой)

Подшипник 80102 — При условии демонтажа 2-х защитных шайб

Подшипник 180102 — При условии демонтажа 2-х защитных шайб

Марка Модель Узел Кол-во на узел
Трамвайный вагон Т-2 Пантограф 8
Трамвайный вагон Т-3 Пантограф 8
Бренд Обозначение
ГПЗ 102
SKF 6002
FAG 6002
NSK 6002
Товар добавлен в корзину
Перейти в корзину ×