Подшипники гост
Интернет-магазин
8-800-250-16-58
Обратный звонок

Заказ обратного звонка




Эл. почта:
info@amost.ru
Свои заказы Корзина пуста





Получать прайс-лист на email:

Чтобы отписаться от рассылки, введите e-mail, на который вы получаете наши письма:

 

Поиск подшипников

Масса и размеры

Внутренний диаметр d, мм

От  до 

Наружный диаметр D, мм

От  до 

Ширина b, мм

Применяемость

Раздел каталога

Подшипник шариковый радиальный однорядный основного конструктивного исполнения

103 ТУ 37.006.170

Отечественный
Импортный

Производитель



уточнять наличие
Обозначение 103 ТУ 37.006.170
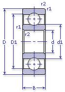
Внутренний диаметр, d (мм) 17
Наружный диаметр, D (мм) 35
Ширина, В (мм) 10
Масса, m (кг) 0.042
Грузоподъемность динамическая, C (kN) 6.05
Грузоподъемность статическая, Co (kN) 3.25
Ном. частота вращен. при пластич. смазке, n grease (1/min) 19000
Марка стали, Материал ШХ-15
Диаметр шарика, d шарика (мм) 4.763
Количество шариков, N шариков 10
Ном. частота вращен. при жидк. смазке, n oil (1/min) 24000
103 ТУ 37.006.170

Этот подшипник может быть заменен другими:

Подшипник 50103 — Условие отсутствует

Подшипник 60103 — При условии демонтажа одной защитной шайбы

Подшипник 160103 — При условии демонтажа одной защитной шайбы

Подшипник 150103 — При условии демонтажа одной защитной шайбы (п/ш с канавкой)

Подшипник 80103 — При условии демонтажа 2-х защитных шайб

Подшипник 180103 — При условии демонтажа 2-х защитных шайб

Бренд Обозначение
ГПЗ 103
SKF 6003
FAG 6003
NSK 6003
Товар добавлен в корзину
Перейти в корзину ×