Подшипники гост
Интернет-магазин
8-800-250-16-58
Обратный звонок

Заказ обратного звонка




Эл. почта:
info@amost.ru
Свои заказы Корзина пуста





Получать прайс-лист на email:

Чтобы отписаться от рассылки, введите e-mail, на который вы получаете наши письма:

 

Поиск подшипников

Масса и размеры

Внутренний диаметр d, мм

От  до 

Наружный диаметр D, мм

От  до 

Ширина b, мм

Применяемость

Раздел каталога

Подшипник шариковый радиальный однорядный основного конструктивного исполнения

104 К ГОСТ 520

Отечественный
Импортный

Производитель



уточнять наличие
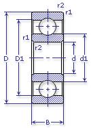
Обозначение 104 К ГОСТ 520
Внутренний диаметр, d (мм) 20
Наружный диаметр, D (мм) 42
Ширина, В (мм) 12
Масса, m (кг) 0.07
Грузоподъемность динамическая, C (kN) 9.36
Грузоподъемность статическая, Co (kN) 4.5
Ном. частота вращен. при пластич. смазке, n grease (1/min) 17000
Диаметр шарика, d шарика (мм) 6.35
Количество шариков, N шариков 9
Ном. частота вращен. при жидк. смазке, n oil (1/min) 20000
104 К ГОСТ 520

Этот подшипник может быть заменен другими:

Подшипник 50104 — Условие отсутствует

Подшипник 60104 — При условии демонтажа одной защитной шайбы

Подшипник 160104 — При условии демонтажа одной защитной шайбы

Подшипник 150104 — При условии демонтажа одной защитной шайбы (п/ш с канавкой)

Подшипник 80104 — При условии демонтажа 2-х защитных шайб

Подшипник 180104 — При условии демонтажа 2-х защитных шайб

Подшипник 450104 — При условии демонтажа 2-х защитных шайб

Марка Модель Узел Кол-во на узел
Подшипники ГАЗ 2110 Управление рулевое: шестерня 1
Подшипники ГАЗ 2111 Управление рулевое: шестерня 1
Подшипники ГАЗ 2112 Управление рулевое: опора шестерни 1
Подшипники ГАЗ 2112 Управление рулевое: шестерня 1
Подшипники ГАЗ 3301 Двигатель 1
Подшипники ГАЗ 3306 Двигатель: муфта опережения впрыска топлива 1
ГАЗ 3309 Двигатель: привод насоса топливного высокого давления 1
ГАЗ 4301 Двигатель 1
ГАЗ 4301 Двигатель: муфта опережения впрыска топлива 1
ГАЗ 4509 Двигатель: муфта опережения впрыска топлива 1
ГАЗ САЗ 4509 Двигатель 1
МАЗ 547 Двигатель: система охлаждения 1
МАЗ 7410 Насос водяной 1
Мототехника ИЖ-П3 Коробка передач: вал первичный -
Мототехника ИЖ-П4 Коробка передач: вал первичный -
Мототехника ИЖ-П5 Коробка передач: вал первичный -
Мототехника ИЖ-ПС Коробка передач: вал первичный -
Мототехника ИЖ-Ю Коробка передач: вал первичный -
Мототехника ИЖ-Ю2 Коробка передач: вал первичный -
Мототехника ИЖ-Ю3 Коробка передач: вал первичный -
Мототехника ИЖ-Ю5 Коробка передач: вал первичный -
Мототехника Минск ММВЗ-3.11211 Коробка передач: вал вторичный -
Мототехника Минск ММВЗ-3.1135 Коробка передач: вал вторичный -
Мототехника Мокик ИЖ2.673 Коробка передач: вал вторичный -
Трактор Т-25 Гидронасос: привод 2
Трактор Т-25А Гидронасос: привод -
Бренд Обозначение
ГПЗ 104
SKF 6004
FAG 6004
NSK 6004
Товар добавлен в корзину
Перейти в корзину ×