Подшипники гост
Интернет-магазин
8-800-250-16-58
Обратный звонок

Заказ обратного звонка




Эл. почта:
info@amost.ru
Свои заказы Корзина пуста





Получать прайс-лист на email:

Чтобы отписаться от рассылки, введите e-mail, на который вы получаете наши письма:

 

Поиск подшипников

Масса и размеры

Внутренний диаметр d, мм

От  до 

Наружный диаметр D, мм

От  до 

Ширина b, мм

Применяемость

Раздел каталога

Подшипник шариковый радиальный однорядный основного конструктивного исполнения

105 ТУ 37.006.154

Отечественный
Импортный

Производитель



уточнять наличие
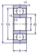
Обозначение 105 ТУ 37.006.154
Внутренний диаметр, d (мм) 25
Наружный диаметр, D (мм) 47
Ширина, В (мм) 12
Масса, m (кг) 0.064
Грузоподъемность динамическая, C (kN) 11.2
Грузоподъемность статическая, Co (kN) 5.6
Ном. частота вращен. при пластич. смазке, n grease (1/min) 15000
Диаметр шарика, d шарика (мм) 6.35
Количество шариков, N шариков 10
Ном. частота вращен. при жидк. смазке, n oil (1/min) 18000
105 ТУ 37.006.154

Этот подшипник может быть заменен другими:

Подшипник 50105 — Условие отсутствует

Подшипник 60105 — При условии демонтажа одной защитной шайбы

Подшипник 160105 — При условии демонтажа одной защитной шайбы

Подшипник 150105 — При условии демонтажа одной защитной шайбы (п/ш с канавкой)

Подшипник 80105 — При условии демонтажа 2-х защитных шайб

Подшипник 180105 — При условии демонтажа 2-х защитных шайб

Подшипник 450105 — При условии демонтажа 2-х защитных шайб

Подшипник 750105 — При условии демонтажа 2-х защитных шайб

Марка Модель Узел Кол-во на узел
ЛуАЗ 1302 Дифференциал: чехлы защитные -
ЛуАЗ 969 Полуось 4
ЛуАЗ 969М Полуось 4
Трактор К-701 Двигатель: вал ведомый гидромуфты 1
Трамвайный вагон КТМ-5М3 Двери, привод дверей 3
Бренд Обозначение
ГПЗ 105
SKF 6005
FAG 6005
NSK 6005
Товар добавлен в корзину
Перейти в корзину ×