Подшипники гост
Интернет-магазин
8-800-250-16-58
Обратный звонок

Заказ обратного звонка




Эл. почта:
info@amost.ru
Свои заказы Корзина пуста





Получать прайс-лист на email:

Чтобы отписаться от рассылки, введите e-mail, на который вы получаете наши письма:

 

Поиск подшипников

Масса и размеры

Внутренний диаметр d, мм

От  до 

Наружный диаметр D, мм

От  до 

Ширина b, мм

Применяемость

Раздел каталога

Подшипник шариковый радиальный однорядный основного конструктивного исполнения

106 Б ЕТУ ВНИПП.100

Отечественный
Импортный
Цена: 35.00 руб

Производитель



под заказ
Обозначение 106 Б ЕТУ ВНИПП.100
Цена импортная 32
Новинки 0
Хиты продаж 0
Скидки 0
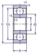
Внутренний диаметр, d (мм) 30
Наружный диаметр, D (мм) 55
Ширина, В (мм) 13
Масса, m (кг) 0.12
Грузоподъемность динамическая, C (kN) 13.3
Грузоподъемность статическая, Co (kN) 6.8
Ном. частота вращен. при пластич. смазке, n grease (1/min) 12000
Диаметр шарика, d шарика (мм) 7.144
Количество шариков, N шариков 11
Ном. частота вращен. при жидк. смазке, n oil (1/min) 15000
Диаметр борта наружного кольца, D1(mm) 46.8
Диаметр борта внутреннего кольца, d1 (mm) 38.2
Радиус фаски, r1, r2 min (мм) 1
106 Б ЕТУ ВНИПП.100

Этот подшипник может быть заменен другими:

Подшипник 50106 — Условие отсутствует

Подшипник 60106 — При условии демонтажа одной защитной шайбы

Подшипник 160106 — При условии демонтажа одной защитной шайбы

Подшипник 150106 — При условии демонтажа одной защитной шайбы (п/ш с канавкой)

Подшипник 80106 — При условии демонтажа 2-х защитных шайб

Подшипник 180106 — При условии демонтажа 2-х защитных шайб

Подшипник 450106 — При условии демонтажа 2-х защитных шайб

Подшипник 750106 — При условии демонтажа 2-х защитных шайб

Марка Модель Узел Кол-во на узел
БелАЗ 549(75т) Управление рулевое 1
БелАЗ 7420-9590 Управление рулевое 1
БелАЗ 7509 Управление рулевое 1
БелАЗ 75091(75т) Управление рулевое 1
БелАЗ 7519 Управление рулевое 1
БелАЗ 75191(110т) Управление рулевое 1
БелАЗ 75211(180т) Управление рулевое 1
ЗИЛ 133ВЯ Двигатель: система питания 1
ЗИЛ 133ГЯ Двигатель: система питания 1
КАЗ 4540 Двигатель: система питания 1
КамАЗ 4310 Двигатель: система питания 1
КамАЗ 4310 Двигатель: система питания 1
КамАЗ 43105 Двигатель: система питания 1
КамАЗ 43105 Двигатель: система питания 1
КамАЗ 5320 Двигатель: система питания 1
КамАЗ 5320 Двигатель: державка грузов регулятора насоса топливного высокого давления, опора задняя 1
КамАЗ 53211 Двигатель: державка грузов регулятора насоса топливного высокого давления, опора задняя 1
КамАЗ 53212 Двигатель: система питания 1
КамАЗ 53212 Двигатель: державка грузов регулятора насоса топливного высокого давления, опора задняя 1
КамАЗ 53213 Двигатель: система питания 1
КамАЗ 53213 Двигатель: державка грузов регулятора насоса топливного высокого давления, опора задняя 1
КамАЗ 53222 Двигатель: система питания 1
КамАЗ 5325 Двигатель: система питания 1
КамАЗ 5410 Двигатель: система питания 1
КамАЗ 5410 Двигатель: державка грузов регулятора насоса топливного высокого давления, опора задняя 1
КамАЗ 54112 Двигатель: система питания 1
КамАЗ 54112 Двигатель: державка грузов регулятора насоса топливного высокого давления, опора задняя 1
КамАЗ 54122 Двигатель: система питания 1
КамАЗ 5425 Двигатель: система питания 1
КамАЗ 55102 Двигатель: система питания 1
КамАЗ 55102 Двигатель: державка грузов регулятора насоса топливного высокого давления, опора задняя 1
КамАЗ 5511 Двигатель: система питания 1
КамАЗ 55111 Двигатель: державка грузов регулятора насоса топливного высокого давления, опора задняя 1
КамАЗ 6410 Двигатель: система питания 1
КамАЗ 6410 Двигатель: система питания -
КамАЗ 6410 Двигатель: система питания 2
КЗКТ Э538ДК Двигатель 2
КЗКТ Э538ДП Двигатель 2
Комбайн КПИ-2.4 Измельчитель: редуктор привода вальцов нижних -
ЛиАЗ 5256 Двигатель: система питания 1
ЛиАЗ 5256 Двигатель: система питания 1
МАЗ 537 Двигатель 2
МАЗ 537Г Двигатель 2
МАЗ 538 Двигатель 2
МАЗ 543 Двигатель 2
МАЗ 547 Двигатель 2
МАЗ 7310 Двигатель 2
МАЗ 73101 Двигатель 2
МАЗ 7410 Двигатель 2
Трамвайный вагон Т-2 Контроллер 1
Трамвайный вагон Т-3 Контроллер 1
УРАЛ 4320 Двигатель 1
УРАЛ 5557 Двигатель 1
УРАЛ 5920 Двигатель 1
Бренд Обозначение
ГПЗ 106
SKF 6006
FAG 6006
NSK 6006
Товар добавлен в корзину
Перейти в корзину ×