Подшипники гост
Интернет-магазин
8-800-250-16-58
Обратный звонок

Заказ обратного звонка




Эл. почта:
info@amost.ru
Свои заказы Корзина пуста





Получать прайс-лист на email:

Чтобы отписаться от рассылки, введите e-mail, на который вы получаете наши письма:

 

Поиск подшипников

Масса и размеры

Внутренний диаметр d, мм

От  до 

Наружный диаметр D, мм

От  до 

Ширина b, мм

Применяемость

Раздел каталога

Подшипник шариковый радиальный однорядный основного конструктивного исполнения

107 АШ ГОСТ 520

Отечественный
Импортный

Производитель



уточнять наличие
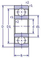
Обозначение 107 АШ ГОСТ 520
Внутренний диаметр, d (мм) 35
Наружный диаметр, D (мм) 62
Ширина, В (мм) 14
Масса, m (кг) 0.16
Грузоподъемность динамическая, C (kN) 15.9
Грузоподъемность статическая, Co (kN) 8.5
Ном. частота вращен. при пластич. смазке, n grease (1/min) 10000
Диаметр шарика, d шарика (мм) 7.938
Количество шариков, N шариков 11
Ном. частота вращен. при жидк. смазке, n oil (1/min) 13000
Диаметр борта наружного кольца, D1(mm) 53.3
Диаметр борта внутреннего кольца, d1 (mm) 43.7
Радиус фаски, r1, r2 min (мм) 1
107 АШ ГОСТ 520

Этот подшипник может быть заменен другими:

Подшипник 50107 — Условие отсутствует

Подшипник 60107 — При условии демонтажа одной защитной шайбы

Подшипник 160107 — При условии демонтажа одной защитной шайбы

Подшипник 150107 — При условии демонтажа одной защитной шайбы (п/ш с канавкой)

Подшипник 80107 — При условии демонтажа 2-х защитных шайб

Подшипник 180107 — При условии демонтажа 2-х защитных шайб

Подшипник 450107 — При условии демонтажа 2-х защитных шайб

Подшипник 750107 — При условии демонтажа 2-х защитных шайб

Марка Модель Узел Кол-во на узел
МАЗ 547 Гидротрансформатор 4
МАЗ 7410 Гидротрансформатор 4
Трактор К-701 Коробка передач 4
Трактор Т-40 Коробка передач: пара коническая 2
Трактор Т-40А Коробка передач: пара коническая 2
Трамвайный вагон Т-2 Пантограф 4
Трамвайный вагон Т-3 Пантограф 4
Бренд Обозначение
ГПЗ 107
SKF 6007
FAG 6007
NSK 6007
Товар добавлен в корзину
Перейти в корзину ×