Подшипники гост
Интернет-магазин
8-800-250-16-58
Обратный звонок

Заказ обратного звонка




Эл. почта:
info@amost.ru
Свои заказы Корзина пуста





Получать прайс-лист на email:

Чтобы отписаться от рассылки, введите e-mail, на который вы получаете наши письма:

 

Поиск подшипников

Масса и размеры

Внутренний диаметр d, мм

От  до 

Наружный диаметр D, мм

От  до 

Ширина b, мм

Применяемость

Раздел каталога

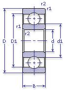
Подшипник шариковый радиальный однорядный основного конструктивного исполнения

108 АК ГОСТ 520

Отечественный
Импортный

Производитель



уточнять наличие
Обозначение 108 АК ГОСТ 520
Внутренний диаметр, d (мм) 40
Наружный диаметр, D (мм) 68
Ширина, В (мм) 15
Масса, m (кг) 0.194
Грузоподъемность динамическая, C (kN) 16.8
Грузоподъемность статическая, Co (kN) 9.3
Ном. частота вращен. при пластич. смазке, n grease (1/min) 9500
Диаметр шарика, d шарика (мм) 7.938
Количество шариков, N шариков 12
Ном. частота вращен. при жидк. смазке, n oil (1/min) 12000
108 АК ГОСТ 520

Этот подшипник может быть заменен другими:

Подшипник 50108 — Условие отсутствует

Подшипник 60108 — При условии демонтажа одной защитной шайбы

Подшипник 160108 — При условии демонтажа одной защитной шайбы

Подшипник 150108 — При условии демонтажа одной защитной шайбы (п/ш с канавкой)

Подшипник 80108 — При условии демонтажа 2-х защитных шайб

Подшипник 180108 — При условии демонтажа 2-х защитных шайб

Подшипник 450108 — При условии демонтажа 2-х защитных шайб

Бренд Обозначение
ГПЗ 108
SKF 6008
FAG 6008
NSK 6008
Товар добавлен в корзину
Перейти в корзину ×