Подшипники гост
Интернет-магазин
8-800-250-16-58
Обратный звонок

Заказ обратного звонка




Эл. почта:
info@amost.ru
Свои заказы Корзина пуста





Получать прайс-лист на email:

Чтобы отписаться от рассылки, введите e-mail, на который вы получаете наши письма:

 

Поиск подшипников

Масса и размеры

Внутренний диаметр d, мм

От  до 

Наружный диаметр D, мм

От  до 

Ширина b, мм

Применяемость

Раздел каталога

Подшипник шариковый радиальный однорядный основного конструктивного исполнения

108 К ГОСТ 520

Отечественный
Импортный

Производитель



уточнять наличие
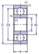
Обозначение 108 К ГОСТ 520
Внутренний диаметр, d (мм) 40
Наружный диаметр, D (мм) 68
Ширина, В (мм) 15
Масса, m (кг) 0.194
Грузоподъемность динамическая, C (kN) 16.8
Грузоподъемность статическая, Co (kN) 9.3
Ном. частота вращен. при пластич. смазке, n grease (1/min) 9500
Диаметр шарика, d шарика (мм) 7.938
Количество шариков, N шариков 12
Ном. частота вращен. при жидк. смазке, n oil (1/min) 12000
108 К ГОСТ 520

Этот подшипник может быть заменен другими:

Подшипник 50108 — Условие отсутствует

Подшипник 60108 — При условии демонтажа одной защитной шайбы

Подшипник 160108 — При условии демонтажа одной защитной шайбы

Подшипник 150108 — При условии демонтажа одной защитной шайбы (п/ш с канавкой)

Подшипник 80108 — При условии демонтажа 2-х защитных шайб

Подшипник 180108 — При условии демонтажа 2-х защитных шайб

Подшипник 450108 — При условии демонтажа 2-х защитных шайб

Бренд Обозначение
ГПЗ 108
SKF 6008
FAG 6008
NSK 6008
Товар добавлен в корзину
Перейти в корзину ×