Подшипники гост
Интернет-магазин
8-800-250-16-58
Обратный звонок

Заказ обратного звонка




Эл. почта:
info@amost.ru
Свои заказы Корзина пуста





Получать прайс-лист на email:

Чтобы отписаться от рассылки, введите e-mail, на который вы получаете наши письма:

 

Поиск подшипников

Масса и размеры

Внутренний диаметр d, мм

От  до 

Наружный диаметр D, мм

От  до 

Ширина b, мм

Применяемость

Раздел каталога

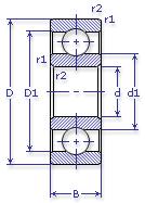
Подшипник шариковый радиальный однорядный основного конструктивного исполнения

109 Е ТУ 37.006.087

Отечественный
Импортный

Производитель



уточнять наличие
Обозначение 109 Е ТУ 37.006.087
Внутренний диаметр, d (мм) 45
Наружный диаметр, D (мм) 75
Ширина, В (мм) 16
Масса, m (кг) 0.253
Грузоподъемность динамическая, C (kN) 21.2
Грузоподъемность статическая, Co (kN) 12.2
Ном. частота вращен. при пластич. смазке, n grease (1/min) 9000
Диаметр шарика, d шарика (мм) 8.731
Количество шариков, N шариков 13
Ном. частота вращен. при жидк. смазке, n oil (1/min) 11000
109 Е ТУ 37.006.087

Этот подшипник может быть заменен другими:

Подшипник 50109 — Условие отсутствует

Подшипник 60109 — При условии демонтажа одной защитной шайбы

Подшипник 160109 — При условии демонтажа одной защитной шайбы

Подшипник 150109 — При условии демонтажа одной защитной шайбы (п/ш с канавкой)

Подшипник 80109 — При условии демонтажа 2-х защитных шайб

Подшипник 180109 — При условии демонтажа 2-х защитных шайб

Подшипник 450109 — При условии демонтажа 2-х защитных шайб

Подшипник 750109 — При условии демонтажа 2-х защитных шайб

Марка Модель Узел Кол-во на узел
БелАЗ 75211(180т) Генератор-дизель 4
Бренд Обозначение
ГПЗ 109
SKF 6009
FAG 6009
NSK 6009
Товар добавлен в корзину
Перейти в корзину ×