Подшипники гост
Интернет-магазин
8-800-250-16-58
Обратный звонок

Заказ обратного звонка




Эл. почта:
info@amost.ru
Свои заказы Корзина пуста





Получать прайс-лист на email:

Чтобы отписаться от рассылки, введите e-mail, на который вы получаете наши письма:

 

Поиск подшипников

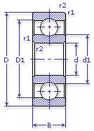
Масса и размеры

Внутренний диаметр d, мм

От  до 

Наружный диаметр D, мм

От  до 

Ширина b, мм

Применяемость

Раздел каталога

Подшипник шариковый радиальный однорядный основного конструктивного исполнения

111 Л ЕТУ ВНИПП.500

Отечественный
Импортный
Цена: 110.00 руб

Производитель



под заказ
Обозначение 111 Л ЕТУ ВНИПП.500
Цена импортная 90
Новинки 0
Хиты продаж 0
Скидки 0
Внутренний диаметр, d (мм) 55
Наружный диаметр, D (мм) 90
Ширина, В (мм) 18
Масса, m (кг) 0.39
Грузоподъемность динамическая, C (kN) 28.1
Грузоподъемность статическая, Co (kN) 17
Ном. частота вращен. при пластич. смазке, n grease (1/min) 7500
Марка стали, Материал ШХ-15
Диаметр шарика, d шарика (мм) 10.319
Количество шариков, N шариков 13
Ном. частота вращен. при жидк. смазке, n oil (1/min) 9000
111 Л ЕТУ ВНИПП.500

Этот подшипник может быть заменен другими:

Подшипник 50111 — Условие отсутствует

Подшипник 60111 — При условии демонтажа одной защитной шайбы

Подшипник 160111 — При условии демонтажа одной защитной шайбы

Подшипник 150111 — При условии демонтажа одной защитной шайбы (п/ш с канавкой)

Подшипник 80111 — При условии демонтажа 2-х защитных шайб

Подшипник 180111 — При условии демонтажа 2-х защитных шайб

Подшипник 450111 — При условии демонтажа 2-х защитных шайб

Марка Модель Узел Кол-во на узел
КамАЗ 5320 Коробка отбора мощности 2
КамАЗ 53211 Коробка отбора мощности 2
КамАЗ 53212 Коробка отбора мощности 2
КамАЗ 53213 Коробка отбора мощности 2
КамАЗ 53222 Коробка отбора мощности 2
КамАЗ 5410 Коробка отбора мощности 2
КамАЗ 54112 Коробка отбора мощности 2
КамАЗ 54122 Коробка отбора мощности 2
КамАЗ 55102 Коробка отбора мощности 2
КамАЗ 5511 Коробка отбора мощности 2
КамАЗ 55111 Коробка отбора мощности 2
Комбайн Дон-680 Подборщик: редуктор 2
Комбайн КСК-100А/А1 Редуктор КИС 0904000Б -
МАЗ 547 Коробка передач планетарная 1
МАЗ 7410 Коробка передач планетарная 1
Трактор Т-150К Вал отбора мощности: вал привода 1
Бренд Обозначение
ГПЗ 111
SKF 6011
FAG 6011
NSK 6011
Товар добавлен в корзину
Перейти в корзину ×