Подшипники гост
Интернет-магазин
8-800-250-16-58
Обратный звонок

Заказ обратного звонка




Эл. почта:
info@amost.ru
Свои заказы Корзина пуста





Получать прайс-лист на email:

Чтобы отписаться от рассылки, введите e-mail, на который вы получаете наши письма:

 

Поиск подшипников

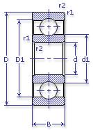
Масса и размеры

Внутренний диаметр d, мм

От  до 

Наружный диаметр D, мм

От  до 

Ширина b, мм

Применяемость

Раздел каталога

Подшипник шариковый радиальный однорядный основного конструктивного исполнения

111 АК ГОСТ 520

Отечественный
Импортный
Цена: 110.00 руб

Производитель



под заказ
Обозначение 111 АК ГОСТ 520
Цена импортная 90
Новинки 0
Хиты продаж 0
Скидки 0
Внутренний диаметр, d (мм) 55
Наружный диаметр, D (мм) 90
Ширина, В (мм) 18
Масса, m (кг) 0.39
Грузоподъемность динамическая, C (kN) 28.1
Грузоподъемность статическая, Co (kN) 17
Ном. частота вращен. при пластич. смазке, n grease (1/min) 7500
Марка стали, Материал ШХ-15
Диаметр шарика, d шарика (мм) 10.319
Количество шариков, N шариков 13
Ном. частота вращен. при жидк. смазке, n oil (1/min) 9000
111 АК ГОСТ 520

Этот подшипник может быть заменен другими:

Подшипник 50111 — Условие отсутствует

Подшипник 60111 — При условии демонтажа одной защитной шайбы

Подшипник 160111 — При условии демонтажа одной защитной шайбы

Подшипник 150111 — При условии демонтажа одной защитной шайбы (п/ш с канавкой)

Подшипник 80111 — При условии демонтажа 2-х защитных шайб

Подшипник 180111 — При условии демонтажа 2-х защитных шайб

Подшипник 450111 — При условии демонтажа 2-х защитных шайб

Марка Модель Узел Кол-во на узел
КамАЗ 5320 Коробка отбора мощности 2
КамАЗ 53211 Коробка отбора мощности 2
КамАЗ 53212 Коробка отбора мощности 2
КамАЗ 53213 Коробка отбора мощности 2
КамАЗ 53222 Коробка отбора мощности 2
КамАЗ 5410 Коробка отбора мощности 2
КамАЗ 54112 Коробка отбора мощности 2
КамАЗ 54122 Коробка отбора мощности 2
КамАЗ 55102 Коробка отбора мощности 2
КамАЗ 5511 Коробка отбора мощности 2
КамАЗ 55111 Коробка отбора мощности 2
Комбайн Дон-680 Подборщик: редуктор 2
Комбайн КСК-100А/А1 Редуктор КИС 0904000Б -
МАЗ 547 Коробка передач планетарная 1
МАЗ 7410 Коробка передач планетарная 1
Трактор Т-150К Вал отбора мощности: вал привода 1
Бренд Обозначение
ГПЗ 111
SKF 6011
FAG 6011
NSK 6011
Товар добавлен в корзину
Перейти в корзину ×