Подшипники гост
Интернет-магазин
8-800-250-16-58
Обратный звонок

Заказ обратного звонка




Эл. почта:
info@amost.ru
Свои заказы Корзина пуста





Получать прайс-лист на email:

Чтобы отписаться от рассылки, введите e-mail, на который вы получаете наши письма:

 

Поиск подшипников

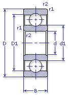
Масса и размеры

Внутренний диаметр d, мм

От  до 

Наружный диаметр D, мм

От  до 

Ширина b, мм

Применяемость

Раздел каталога

Подшипник шариковый радиальный однорядный основного конструктивного исполнения

115 Л ГОСТ 520

Отечественный
Импортный
Цена: 175.00 руб

Производитель



под заказ
Обозначение 115 Л ГОСТ 520
Цена импортная 120
Новинки 0
Хиты продаж 0
Скидки 0
Внутренний диаметр, d (мм) 75
Наружный диаметр, D (мм) 115
Ширина, В (мм) 20
Масса, m (кг) 0.7
Грузоподъемность динамическая, C (kN) 39.7
Грузоподъемность статическая, Co (kN) 26
Ном. частота вращен. при пластич. смазке, n grease (1/min) 5600
Марка стали, Материал ШХ-15
Диаметр шарика, d шарика (мм) 12.303
Количество шариков, N шариков 14
Ном. частота вращен. при жидк. смазке, n oil (1/min) 6700
115 Л ГОСТ 520

Этот подшипник может быть заменен другими:

Подшипник 50115 — Условие отсутствует

Подшипник 60115 — При условии демонтажа одной защитной шайбы

Подшипник 150115 — При условии демонтажа одной защитной шайбы (п/ш с канавкой)

Подшипник 80115 — При условии демонтажа 2-х защитных шайб

Подшипник 180115 — При условии демонтажа 2-х защитных шайб

Подшипник 450115 — При условии демонтажа 2-х защитных шайб

Марка Модель Узел Кол-во на узел
КамАЗ 6410 Коробка передач 1
Комбайн КСК-100А/А1 АПИ: аппарат измельчающий, барабан -
Комбайн Нива Барабан молотильный: редуктор привода -
Трактор МТЗ-100 Корпус КП: опора передняя промежуточного привода -
Трактор МТЗ-102 Корпус КП: опора передняя промежуточного привода -
Трактор МТЗ-50 Коробка передач: шестерня ведущая второй ступени редуктора 2
Трактор МТЗ-50Л Коробка передач: шестерня ведущая второй ступени редуктора 2
Трактор МТЗ-50ПЛ Коробка передач: шестерня ведущая второй ступени редуктора 2
Трактор МТЗ-52 Коробка раздаточная 2
Трактор МТЗ-52 Коробка передач: шестерня ведущая второй ступени редуктора 2
Трактор МТЗ-52Л Коробка раздаточная 2
Трактор МТЗ-52Л Коробка передач: шестерня ведущая второй ступени редуктора 2
Трактор МТЗ-82 Коробка раздаточная 2
Трактор МТЗ-82Л Коробка раздаточная 2
Трактор Т-150 Привода насоса и вала отбора мощности: шестерня 2
Трактор Т-150 Привод насоса и вала отбора мощности, шестерня -
Трактор ХТЗ-120 Коробка передач: колеса зубчатые второй и третьей передач -
Трактор ХТЗ-120 Коробка передач: колеса зубчатые первой и второй передач -
Трактор ХТЗ-121 Коробка передач: колеса зубчатые второй и третьей передач -
Трактор ХТЗ-121 Коробка передач: колеса зубчатые первой и второй передач -
Трактор ХТЗ-16131 (кроме двигателя) Коробка передач: колеса зубчатые второй и третьей передач -
Трактор ХТЗ-16131 (кроме двигателя) Коробка передач: колеса зубчатые первой и четвертой передач -
Бренд Обозначение
ГПЗ 115
SKF 6015
FAG 6015
NSK 6015
Товар добавлен в корзину
Перейти в корзину ×