Подшипники гост
Интернет-магазин
8-800-250-16-58
Обратный звонок

Заказ обратного звонка




Эл. почта:
info@amost.ru
Свои заказы Корзина пуста





Получать прайс-лист на email:

Чтобы отписаться от рассылки, введите e-mail, на который вы получаете наши письма:

 

Поиск подшипников

Масса и размеры

Внутренний диаметр d, мм

От  до 

Наружный диаметр D, мм

От  до 

Ширина b, мм

Применяемость

Раздел каталога

Подшипник шариковый радиальный однорядный основного конструктивного исполнения

115 АК1Ш ГОСТ 520

Отечественный
Импортный
Цена: 175.00 руб

Производитель



под заказ
Обозначение 115 АК1Ш ГОСТ 520
Цена импортная 120
Новинки 0
Хиты продаж 0
Скидки 0
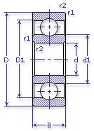
Внутренний диаметр, d (мм) 75
Наружный диаметр, D (мм) 115
Ширина, В (мм) 20
Масса, m (кг) 0.7
Грузоподъемность динамическая, C (kN) 39.7
Грузоподъемность статическая, Co (kN) 26
Ном. частота вращен. при пластич. смазке, n grease (1/min) 5600
Марка стали, Материал ШХ-15
Диаметр шарика, d шарика (мм) 12.303
Количество шариков, N шариков 14
Ном. частота вращен. при жидк. смазке, n oil (1/min) 6700
115 АК1Ш ГОСТ 520

Этот подшипник может быть заменен другими:

Подшипник 50115 — Условие отсутствует

Подшипник 60115 — При условии демонтажа одной защитной шайбы

Подшипник 150115 — При условии демонтажа одной защитной шайбы (п/ш с канавкой)

Подшипник 80115 — При условии демонтажа 2-х защитных шайб

Подшипник 180115 — При условии демонтажа 2-х защитных шайб

Подшипник 450115 — При условии демонтажа 2-х защитных шайб

Марка Модель Узел Кол-во на узел
КамАЗ 6410 Коробка передач 1
Комбайн КСК-100А/А1 АПИ: аппарат измельчающий, барабан -
Комбайн Нива Барабан молотильный: редуктор привода -
Трактор МТЗ-100 Корпус КП: опора передняя промежуточного привода -
Трактор МТЗ-102 Корпус КП: опора передняя промежуточного привода -
Трактор МТЗ-50 Коробка передач: шестерня ведущая второй ступени редуктора 2
Трактор МТЗ-50Л Коробка передач: шестерня ведущая второй ступени редуктора 2
Трактор МТЗ-50ПЛ Коробка передач: шестерня ведущая второй ступени редуктора 2
Трактор МТЗ-52 Коробка раздаточная 2
Трактор МТЗ-52 Коробка передач: шестерня ведущая второй ступени редуктора 2
Трактор МТЗ-52Л Коробка раздаточная 2
Трактор МТЗ-52Л Коробка передач: шестерня ведущая второй ступени редуктора 2
Трактор МТЗ-82 Коробка раздаточная 2
Трактор МТЗ-82Л Коробка раздаточная 2
Трактор Т-150 Привода насоса и вала отбора мощности: шестерня 2
Трактор Т-150 Привод насоса и вала отбора мощности, шестерня -
Трактор ХТЗ-120 Коробка передач: колеса зубчатые второй и третьей передач -
Трактор ХТЗ-120 Коробка передач: колеса зубчатые первой и второй передач -
Трактор ХТЗ-121 Коробка передач: колеса зубчатые второй и третьей передач -
Трактор ХТЗ-121 Коробка передач: колеса зубчатые первой и второй передач -
Трактор ХТЗ-16131 (кроме двигателя) Коробка передач: колеса зубчатые второй и третьей передач -
Трактор ХТЗ-16131 (кроме двигателя) Коробка передач: колеса зубчатые первой и четвертой передач -
Бренд Обозначение
ГПЗ 115
SKF 6015
FAG 6015
NSK 6015
Товар добавлен в корзину
Перейти в корзину ×