Подшипники гост
Интернет-магазин
8-800-250-16-58
Обратный звонок

Заказ обратного звонка




Эл. почта:
info@amost.ru
Свои заказы Корзина пуста





Получать прайс-лист на email:

Чтобы отписаться от рассылки, введите e-mail, на который вы получаете наши письма:

 

Поиск подшипников

Масса и размеры

Внутренний диаметр d, мм

От  до 

Наружный диаметр D, мм

От  до 

Ширина b, мм

Применяемость

Раздел каталога

Подшипник шариковый радиальный однорядный основного конструктивного исполнения

118 ГОСТ 520

Отечественный
Импортный

Производитель



уточнять наличие
Обозначение 118 ГОСТ 520
Цена импортная 230
Новинки 0
Хиты продаж 0
Скидки 0
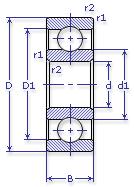
Внутренний диаметр, d (мм) 90
Наружный диаметр, D (мм) 140
Ширина, В (мм) 24
Масса, m (кг) 1.2
Грузоподъемность динамическая, C (kN) 57.2
Грузоподъемность статическая, Co (kN) 39
Ном. частота вращен. при пластич. смазке, n grease (1/min) 4800
Марка стали, Материал ШХ-15
Диаметр шарика, d шарика (мм) 14.288
Количество шариков, N шариков 14
Ном. частота вращен. при жидк. смазке, n oil (1/min) 5600
Диаметр борта наружного кольца, D1(mm) 123.6
Диаметр борта внутреннего кольца, d1 (mm) 107.2
Радиус фаски, r1, r2 min (мм) 1.5
118 ГОСТ 520

Этот подшипник может быть заменен другими:

Подшипник 60118 — При условии демонтажа одной защитной шайбы

Подшипник 80118 — При условии демонтажа 2-х защитных шайб

Подшипник 180118 — При условии демонтажа 2-х защитных шайб

Марка Модель Узел Кол-во на узел
БелАЗ 549(75т) Двигатель 1
БелАЗ 549(75т) Коробка отбора мощности 4
БелАЗ 7420-9590 Коробка отбора мощности 2
БелАЗ 7509 Двигатель 1
БелАЗ 7509 Коробка отбора мощности 4
БелАЗ 75091(75т) Двигатель 1
БелАЗ 75091(75т) Коробка отбора мощности 4
БелАЗ 7519 Коробка отбора мощности 4
БелАЗ 75191(110т) Коробка отбора мощности 4
БелАЗ 75211(180т) Коробка отбора мощности 4
Комбайн Нива Барабан молотильный: редуктор привода -
МоАЗ 6507 Коробка передач гидромеханическая 6
МоАЗ 7405-9586 Коробка передач гидромеханическая 6
Трактор К-701 Коробка передач 2
Трактор К-701 Редуктор привода насосов 4
Трактор Т-15.01Я Гидротрансформатор 4
Трактор Т-15.01ЯМ Гидротрансформатор 4
Трактор Т-20.01Я Гидротрансформатор 4
Бренд Обозначение
ГПЗ 118
SKF 6018
FAG 6018
NSK 6018
Товар добавлен в корзину
Перейти в корзину ×