Подшипники гост
Интернет-магазин
8-800-250-16-58
Обратный звонок

Заказ обратного звонка




Эл. почта:
info@amost.ru
Свои заказы Корзина пуста





Получать прайс-лист на email:

Чтобы отписаться от рассылки, введите e-mail, на который вы получаете наши письма:

 

Поиск подшипников

Масса и размеры

Внутренний диаметр d, мм

От  до 

Наружный диаметр D, мм

От  до 

Ширина b, мм

Применяемость

Раздел каталога

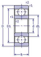
Подшипник шариковый радиальный однорядный основного конструктивного исполнения

119 БТ2 ЕТУ ВНИПП.100

Отечественный
Импортный

Производитель



уточнять наличие
Обозначение 119 БТ2 ЕТУ ВНИПП.100
Внутренний диаметр, d (мм) 95
Наружный диаметр, D (мм) 145
Ширина, В (мм) 24
Масса, m (кг) 1.600
Грузоподъемность динамическая, C (kN) 60.5
Грузоподъемность статическая, Co (kN) 41.5
Ном. частота вращен. при пластич. смазке, n grease (1/min) 4500
Марка стали, Материал ШХ-15
Диаметр шарика, d шарика (мм) 14.288
Количество шариков, N шариков 14
Ном. частота вращен. при жидк. смазке, n oil (1/min) 5300
119 БТ2 ЕТУ ВНИПП.100

Этот подшипник может быть заменен другими:

Подшипник 60119 — При условии демонтажа одной защитной шайбы

Подшипник 80119 — При условии демонтажа 2-х защитных шайб

Подшипник 180119 — При условии демонтажа 2-х защитных шайб

Бренд Обозначение
ГПЗ 119
SKF 6019
FAG 6019
NSK 6019
Товар добавлен в корзину
Перейти в корзину ×