Подшипники гост
Интернет-магазин
8-800-250-16-58
Обратный звонок

Заказ обратного звонка




Эл. почта:
info@amost.ru
Свои заказы Корзина пуста





Получать прайс-лист на email:

Чтобы отписаться от рассылки, введите e-mail, на который вы получаете наши письма:

 

Поиск подшипников

Масса и размеры

Внутренний диаметр d, мм

От  до 

Наружный диаметр D, мм

От  до 

Ширина b, мм

Применяемость

Раздел каталога

Подшипник шариковый радиальный однорядный основного конструктивного исполнения

120 А ГОСТ 520

Отечественный
Импортный

Производитель



уточнять наличие
Обозначение 120 А ГОСТ 520
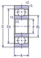
Внутренний диаметр, d (мм) 100
Наружный диаметр, D (мм) 150
Ширина, В (мм) 24
Масса, m (кг) 1.27
Грузоподъемность динамическая, C (kN) 60.5
Грузоподъемность статическая, Co (kN) 41.5
Ном. частота вращен. при пластич. смазке, n grease (1/min) 4300
Марка стали, Материал ШХ-15
Диаметр шарика, d шарика (мм) 14.288
Количество шариков, N шариков 15
Ном. частота вращен. при жидк. смазке, n oil (1/min) 5000
120 А ГОСТ 520

Этот подшипник может быть заменен другими:

Подшипник 50120 — Условие отсутствует

Подшипник 60120 — При условии демонтажа одной защитной шайбы

Подшипник 80120 — При условии демонтажа 2-х защитных шайб

Подшипник 180120 — При условии демонтажа 2-х защитных шайб

Марка Модель Узел Кол-во на узел
КЗКТ Э538ДК Гидротрансформатор 3
КЗКТ Э538ДП Гидротрансформатор 3
МАЗ 537 Коробка передач планетарная 4
МАЗ 537Г Коробка передач планетарная 4
МАЗ 538 Коробка передач планетарная 4
МАЗ 543 Коробка передач планетарная 3
МАЗ 547 Коробка передач планетарная 3
МАЗ 7310 Коробка передач планетарная 3
МАЗ 73101 Коробка передач планетарная 3
МАЗ 7410 Коробка передач планетарная 3
Трактор К-701 Коробка передач 2
Трактор ЛХТ-55 Лебедка: ось барабана -
Трактор Т-25.01Я Коробка передач планетарная 1
Трактор Т-35.01 ЯБЛ Коробка передач планетарная 1
Трактор Т-35.01Я Коробка передач планетарная 1
Трактор ТДТ-55 Лебедка: ось барабана -
Трактор ТМ-25.01Я Коробка передач планетарная 1
Бренд Обозначение
ГПЗ 120
SKF 6020
FAG 6020
NSK 6020
Товар добавлен в корзину
Перейти в корзину ×