Подшипники гост
Интернет-магазин
8-800-250-16-58
Обратный звонок

Заказ обратного звонка




Эл. почта:
info@amost.ru
Свои заказы Корзина пуста





Получать прайс-лист на email:

Чтобы отписаться от рассылки, введите e-mail, на который вы получаете наши письма:

 

Поиск подшипников

Масса и размеры

Внутренний диаметр d, мм

От  до 

Наружный диаметр D, мм

От  до 

Ширина b, мм

Применяемость

Раздел каталога

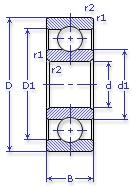
Подшипник шариковый радиальный однорядный основного конструктивного исполнения

124 ТУ 37.006.087

Отечественный
Импортный

Производитель



уточнять наличие
Обозначение 124 ТУ 37.006.087
Внутренний диаметр, d (мм) 120
Наружный диаметр, D (мм) 180
Ширина, В (мм) 28
Масса, m (кг) 2.19
Грузоподъемность динамическая, C (kN) 85
Грузоподъемность статическая, Co (kN) 61
Ном. частота вращен. при пластич. смазке, n grease (1/min) 3400
Марка стали, Материал ШХ-15
Диаметр шарика, d шарика (мм) 18.256
Количество шариков, N шариков 15
Ном. частота вращен. при жидк. смазке, n oil (1/min) 4000
124 ТУ 37.006.087

Этот подшипник может быть заменен другими:

Подшипник 80124 — При условии демонтажа 2-х защитных шайб

Подшипник 180124 — При условии демонтажа 2-х защитных шайб

Марка Модель Узел Кол-во на узел
БелАЗ 549(75т) Двигатель 2
БелАЗ 7509 Двигатель 2
БелАЗ 75091(75т) Двигатель 2
МоАЗ 6507 Коробка передач гидромеханическая 2
Трактор Т-35.01 ЯБЛ Фрикцион бортовой и тормоз остановочный 1
Трактор Т-35.01Я Фрикцион бортовой и тормоз остановочный 1
Бренд Обозначение
ГПЗ 124
SKF 6024
FAG 6024
NSK 6024
Товар добавлен в корзину
Перейти в корзину ×