Подшипники гост
Интернет-магазин
8-800-250-16-58
Обратный звонок

Заказ обратного звонка




Эл. почта:
info@amost.ru
Свои заказы Корзина пуста





Получать прайс-лист на email:

Чтобы отписаться от рассылки, введите e-mail, на который вы получаете наши письма:

 

Поиск подшипников

Масса и размеры

Внутренний диаметр d, мм

От  до 

Наружный диаметр D, мм

От  до 

Ширина b, мм

Применяемость

Раздел каталога

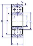
Подшипник шариковый радиальный однорядный основного конструктивного исполнения

126 АЛ ТУ 003

Отечественный
Импортный

Производитель



уточнять наличие
Обозначение 126 АЛ ТУ 003
Внутренний диаметр, d (мм) 130
Наружный диаметр, D (мм) 200
Ширина, В (мм) 33
Масса, m (кг) 3.33
Грузоподъемность динамическая, C (kN) 106
Грузоподъемность статическая, Co (kN) 78
Ном. частота вращен. при пластич. смазке, n grease (1/min) 3200
Марка стали, Материал ШХ-15
Диаметр шарика, d шарика (мм) 20.638
Количество шариков, N шариков 14
Ном. частота вращен. при жидк. смазке, n oil (1/min) 3800
126 АЛ ТУ 003

Этот подшипник может быть заменен другими:

Подшипник 60126 — При условии демонтажа одной защитной шайбы

Подшипник 80126 — При условии демонтажа 2-х защитных шайб

Бренд Обозначение
ГПЗ 126
SKF 6026
FAG 6026
NSK 6026
Товар добавлен в корзину
Перейти в корзину ×