Подшипники гост
Интернет-магазин
8-800-250-16-58
Обратный звонок

Заказ обратного звонка




Эл. почта:
info@amost.ru
Свои заказы Корзина пуста





Получать прайс-лист на email:

Чтобы отписаться от рассылки, введите e-mail, на который вы получаете наши письма:

 

Поиск подшипников

Масса и размеры

Внутренний диаметр d, мм

От  до 

Наружный диаметр D, мм

От  до 

Ширина b, мм

Применяемость

Раздел каталога

Подшипник шариковый радиальный однорядный основного конструктивного исполнения

126 Л ГОСТ 520

Отечественный
Импортный

Производитель



уточнять наличие
Обозначение 126 Л ГОСТ 520
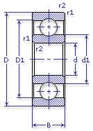
Внутренний диаметр, d (мм) 130
Наружный диаметр, D (мм) 200
Ширина, В (мм) 33
Масса, m (кг) 3.33
Грузоподъемность динамическая, C (kN) 106
Грузоподъемность статическая, Co (kN) 78
Ном. частота вращен. при пластич. смазке, n grease (1/min) 3200
Марка стали, Материал ШХ-15
Диаметр шарика, d шарика (мм) 20.638
Количество шариков, N шариков 14
Ном. частота вращен. при жидк. смазке, n oil (1/min) 3800
126 Л ГОСТ 520

Этот подшипник может быть заменен другими:

Подшипник 60126 — При условии демонтажа одной защитной шайбы

Подшипник 80126 — При условии демонтажа 2-х защитных шайб

Бренд Обозначение
ГПЗ 126
SKF 6026
FAG 6026
NSK 6026
Товар добавлен в корзину
Перейти в корзину ×