Подшипники гост
Интернет-магазин
8-800-250-16-58
Обратный звонок

Заказ обратного звонка




Эл. почта:
info@amost.ru
Свои заказы Корзина пуста





Получать прайс-лист на email:

Чтобы отписаться от рассылки, введите e-mail, на который вы получаете наши письма:

 

Поиск подшипников

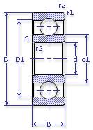
Масса и размеры

Внутренний диаметр d, мм

От  до 

Наружный диаметр D, мм

От  до 

Ширина b, мм

Применяемость

Раздел каталога

Подшипник шариковый радиальный однорядный основного конструктивного исполнения

130 АЛШ1 ЕТУ ВНИПП.100

Отечественный
Импортный

Производитель



уточнять наличие
Обозначение 130 АЛШ1 ЕТУ ВНИПП.100
Внутренний диаметр, d (мм) 150
Наружный диаметр, D (мм) 225
Ширина, В (мм) 35
Масса, m (кг) 4.14
Грузоподъемность динамическая, C (kN) 125
Грузоподъемность статическая, Co (kN) 96.5
Ном. частота вращен. при пластич. смазке, n grease (1/min) 2600
Марка стали, Материал ШХ-15
Диаметр шарика, d шарика (мм) 22.225
Количество шариков, N шариков 16
Ном. частота вращен. при жидк. смазке, n oil (1/min) 3200
130 АЛШ1 ЕТУ ВНИПП.100
Марка Модель Узел Кол-во на узел
МоАЗ 6401-9585 Коробка передач гидромеханическая 2
МоАЗ 6507 Коробка передач гидромеханическая 2
МоАЗ 7405-9586 Коробка передач гидромеханическая 2
Трактор К-701 Мост ведущий 8
Бренд Обозначение
ГПЗ 130
SKF 6030
FAG 6030
NSK 6030
Товар добавлен в корзину
Перейти в корзину ×