Подшипники гост
Интернет-магазин
8-800-250-16-58
Обратный звонок

Заказ обратного звонка




Эл. почта:
info@amost.ru
Свои заказы Корзина пуста





Получать прайс-лист на email:

Чтобы отписаться от рассылки, введите e-mail, на который вы получаете наши письма:

 

Поиск подшипников

Масса и размеры

Внутренний диаметр d, мм

От  до 

Наружный диаметр D, мм

От  до 

Ширина b, мм

Применяемость

Раздел каталога

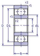
Подшипник шариковый радиальный однорядный основного конструктивного исполнения

134 АШ ГОСТ 520

Отечественный
Импортный

Производитель



уточнять наличие
Обозначение 134 АШ ГОСТ 520
Внутренний диаметр, d (мм) 170
Наружный диаметр, D (мм) 260
Ширина, В (мм) 42
Масса, m (кг) 6.94
Грузоподъемность динамическая, C (kN) 168
Грузоподъемность статическая, Co (kN) 134
Ном. частота вращен. при пластич. смазке, n grease (1/min) 2200
Марка стали, Материал ШХ-15
Диаметр шарика, d шарика (мм) 26.988
Количество шариков, N шариков 14
Ном. частота вращен. при жидк. смазке, n oil (1/min) 2800
134 АШ ГОСТ 520
Бренд Обозначение
ГПЗ 134
SKF 6034
FAG 6034
NSK 6034
Товар добавлен в корзину
Перейти в корзину ×