Подшипники гост
Интернет-магазин
8-800-250-16-58
Обратный звонок

Заказ обратного звонка




Эл. почта:
info@amost.ru
Свои заказы Корзина пуста





Получать прайс-лист на email:

Чтобы отписаться от рассылки, введите e-mail, на который вы получаете наши письма:

 

Поиск подшипников

Масса и размеры

Внутренний диаметр d, мм

От  до 

Наружный диаметр D, мм

От  до 

Ширина b, мм

Применяемость

Раздел каталога

Подшипник шариковый радиальный однорядный основного конструктивного исполнения

144 Л ТУ 37.006.087

Отечественный
Импортный

Производитель



уточнять наличие
Обозначение 144 Л ТУ 37.006.087
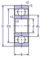
Внутренний диаметр, d (мм) 220
Наружный диаметр, D (мм) 340
Ширина, В (мм) 56
Масса, m (кг) 19.8
Грузоподъемность динамическая, C (kN) 247
Грузоподъемность статическая, Co (kN) 228
Ном. частота вращен. при пластич. смазке, n grease (1/min) 1800
Марка стали, Материал ШХ-15
Диаметр шарика, d шарика (мм) 35.719
Количество шариков, N шариков 13
Ном. частота вращен. при жидк. смазке, n oil (1/min) 2200
144 Л ТУ 37.006.087
Марка Модель Узел Кол-во на узел
Станкостроение Не указано Не указано -
Бренд Обозначение
ГПЗ 144
SKF 6044
FAG 6044
NSK 6044
Товар добавлен в корзину
Перейти в корзину ×