Подшипники гост
Интернет-магазин
8-800-250-16-58
Обратный звонок

Заказ обратного звонка




Эл. почта:
info@amost.ru
Свои заказы Корзина пуста





Получать прайс-лист на email:

Чтобы отписаться от рассылки, введите e-mail, на который вы получаете наши письма:

 

Поиск подшипников

Масса и размеры

Внутренний диаметр d, мм

От  до 

Наружный диаметр D, мм

От  до 

Ширина b, мм

Применяемость

Раздел каталога

Подшипник шариковый радиальный однорядный основного конструктивного исполнения

148 Л ЕТУ ВНИПП.100/10

Отечественный
Импортный

Производитель



уточнять наличие
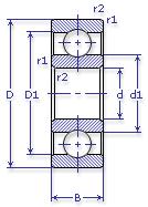
Обозначение 148 Л ЕТУ ВНИПП.100/10
Внутренний диаметр, d (мм) 240
Наружный диаметр, D (мм) 360
Ширина, В (мм) 56
Масса, m (кг) 22.4
Грузоподъемность динамическая, C (kN) 255
Грузоподъемность статическая, Co (kN) 245
Ном. частота вращен. при пластич. смазке, n grease (1/min) 1700
Марка стали, Материал ШХ-15
Диаметр шарика, d шарика (мм) 36.512
Количество шариков, N шариков 14
Ном. частота вращен. при жидк. смазке, n oil (1/min) 2000
148 Л ЕТУ ВНИПП.100/10
Марка Модель Узел Кол-во на узел
Станкостроение Не указано Не указано -
Бренд Обозначение
ГПЗ 148
SKF 6048
FAG 6048
NSK 6048
Товар добавлен в корзину
Перейти в корзину ×