201 АЕ ГОСТ 520
| Обозначение | 201 АЕ ГОСТ 520 |
|---|---|
| Цена импортная | 13 |
| Новинки | N |
| Хиты продаж | N |
| Скидки | N |
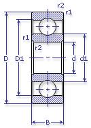
| Внутренний диаметр, d (мм) | 12 |
| Наружный диаметр, D (мм) | 32 |
| Ширина, В (мм) | 10 |
| Масса, m (кг) | 0.037 |
| Грузоподъемность динамическая, C (kN) | 6.89 |
| Грузоподъемность статическая, Co (kN) | 3.1 |
| Ном. частота вращен. при пластич. смазке, n grease (1/min) | 22000 |
| Количество шариков, N шариков | 7 |
| Ном. частота вращен. при жидк. смазке, n oil (1/min) | 28000 |
| Диаметр борта наружного кольца, D1(mm) | 26.3 |
| Диаметр борта внутреннего кольца, d1 (mm) | 18.4 |
| Радиус фаски, r1, r2 min (мм) | 0.6 |
Этот подшипник может быть заменен другими:
Подшипник 60201 — При условии демонтажа одной защитной шайбы
Подшипник 160201 — При условии демонтажа одной защитной шайбы
Подшипник 80201 — При условии демонтажа 2-х защитных шайб
Подшипник 180201 — При условии демонтажа 2-х защитных шайб
| Марка | Модель | Узел | Кол-во на узел |
|---|---|---|---|
| Автопогрузчик | 4008М | Грузоподъемник | 1 |
| Автопогрузчик | 4014 | Грузоподъемник | 1 |
| Автопогрузчик | 4016 | Грузоподъемник | 1 |
| Автопогрузчик | 4017 | Грузоподъемник | 1 |
| Автопогрузчик | 4043М | Грузоподъемник | 1 |
| Автопогрузчик | 4045Р | Грузоподъемник | 1 |
| ЗИЛ | 133ВЯ | Двигатель: система питания | 2 |
| ЗИЛ | 133ГЯ | Двигатель: система питания | 2 |
| КАЗ | 4540 | Двигатель: система питания | 2 |
| КамАЗ | 4310 | Двигатель: система питания | 2 |
| КамАЗ | 4310 | Двигатель: система питания | 2 |
| КамАЗ | 43105 | Двигатель: система питания | 2 |
| КамАЗ | 43105 | Двигатель: система питания | 2 |
| КамАЗ | 5320 | Двигатель: система питания | 2 |
| КамАЗ | 5320 | Двигатель: колесо зубчатое регулятора насоса топливного высокого давления | 2 |
| КамАЗ | 53211 | Двигатель: колесо зубчатое регулятора насоса топливного высокого давления | 2 |
| КамАЗ | 53212 | Двигатель: система питания | 2 |
| КамАЗ | 53212 | Двигатель: колесо зубчатое регулятора насоса топливного высокого давления | 2 |
| КамАЗ | 53213 | Двигатель: система питания | 2 |
| КамАЗ | 53213 | Двигатель: колесо зубчатое регулятора насоса топливного высокого давления | 2 |
| КамАЗ | 53222 | Двигатель: система питания | 2 |
| КамАЗ | 5325 | Двигатель: система питания | 2 |
| КамАЗ | 5410 | Двигатель: система питания | 2 |
| КамАЗ | 5410 | Двигатель: колесо зубчатое регулятора насоса топливного высокого давления | 2 |
| КамАЗ | 54112 | Двигатель: система питания | 2 |
| КамАЗ | 54112 | Двигатель: колесо зубчатое регулятора насоса топливного высокого давления | 2 |
| КамАЗ | 54122 | Двигатель: система питания | 2 |
| КамАЗ | 5425 | Двигатель: система питания | 2 |
| КамАЗ | 55102 | Двигатель: система питания | 2 |
| КамАЗ | 55102 | Двигатель: колесо зубчатое регулятора насоса топливного высокого давления | 2 |
| КамАЗ | 5511 | Двигатель: система питания | 2 |
| КамАЗ | 55111 | Двигатель: колесо зубчатое регулятора насоса топливного высокого давления | 2 |
| КамАЗ | 6410 | Двигатель: система питания | 2 |
| КрАЗ | 214Б | Двигатель: вал привода реек насос-форсунок | - |
| ЛиАЗ | 5256 | Двигатель: система питания | 2 |
| Мототехника | ИЖ-ПС | Вилка маятниковая | - |
| Мототехника | Минск ММВЗ-3.11211 | Коробка передач: вал промежуточный | - |
| Мототехника | Минск ММВЗ-3.1135 | Коробка передач: вал промежуточный | - |
| Трактор | К-701 | Коробка передач | 2 |
| Трактор | К-701 | Двигатель: электродвигатель насоса маслозакачивающего | 1 |
| Трактор | МТЗ-50 | Генератор Г81-Д: опора задняя | 1 |
| Трактор | МТЗ-50Л | Генератор Г81-Д: опора задняя | 1 |
| Трактор | МТЗ-50ПЛ | Генератор Г81-Д: опора задняя | 1 |
| Трактор | МТЗ-52 | Генератор Г81-Д: опора задняя | 1 |
| Трактор | МТЗ-52Л | Генератор Г81-Д: опора задняя | 1 |
| Трактор | МТЗ-5М | Генератор Г81-Д: опора задняя | 1 |
| Трактор | МТЗ-5МС | Генератор Г81-Д: опора задняя | 1 |
| Трактор | Т-150 | Двигатель: вал регулятора насоса топливного | 1 |
| Трактор | Т-150К | Двигатель: вал регулятора насоса топливного | 1 |
| Трактор | Т-151К с двигателем СМД-62/63 | Двигатель: вал регулятора насоса топливного | - |
| Трактор | Т-151К с двигателем СМД-62А/63А | Двигатель: вал регулятора насоса топливного | - |
| Трактор | Т-151К с двигателем СМД-62А/63А | Двигатель: вал эксцентриковый насоса топливного | - |
| Трактор | Т-25А | Насос топливный: вал регулятора | - |
| Трактор | Т-40АМ | Система питания: насос топливораспределительный | - |
| Трактор | Т-40АНМ | Система питания: насос топливораспределительный | - |
| Трактор | Т-40М | Система питания: насос топливораспределительный | - |
| УРАЛ | 4320 | Двигатель | 2 |
| УРАЛ | 5557 | Двигатель | 2 |
| УРАЛ | 5920 | Двигатель | 2 |