202 АКШ2 ГОСТ 520
| Обозначение | 202 АКШ2 ГОСТ 520 |
|---|---|
| Цена импортная | 17 |
| Новинки | N |
| Хиты продаж | N |
| Скидки | N |
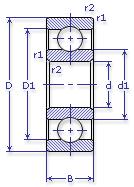
| Внутренний диаметр, d (мм) | 15 |
| Наружный диаметр, D (мм) | 35 |
| Ширина, В (мм) | 11 |
| Масса, m (кг) | 0.046 |
| Грузоподъемность динамическая, C (kN) | 7.8 |
| Грузоподъемность статическая, Co (kN) | 3.55 |
| Ном. частота вращен. при пластич. смазке, n grease (1/min) | 19000 |
| Диаметр шарика, d шарика (мм) | 5.953 |
| Количество шариков, N шариков | 8 |
| Ном. частота вращен. при жидк. смазке, n oil (1/min) | 24000 |
| Диаметр борта наружного кольца, D1(mm) | 29.2 |
| Диаметр борта внутреннего кольца, d1 (mm) | 21.2 |
| Радиус фаски, r1, r2 min (мм) | 0.6 |
Этот подшипник может быть заменен другими:
Подшипник 50202 — Условие отсутствует
Подшипник 60202 — При условии демонтажа одной защитной шайбы
Подшипник 160202 — При условии демонтажа одной защитной шайбы
Подшипник 150202 — При условии демонтажа одной защитной шайбы (п/ш с канавкой)
Подшипник 80202 — При условии демонтажа 2-х защитных шайб
Подшипник 180202 — При условии демонтажа 2-х защитных шайб
Подшипник 450202 — При условии демонтажа 2-х защитных шайб
| Марка | Модель | Узел | Кол-во на узел |
|---|---|---|---|
| Автопогрузчик | 4008М | Электрооборудование | 1 |
| Автопогрузчик | 4014 | Электрооборудование | 1 |
| Автопогрузчик | 4016 | Электрооборудование | 1 |
| Автопогрузчик | 4017 | Электрооборудование | 1 |
| Автопогрузчик | 4043М | Электрооборудование | 1 |
| Автопогрузчик | 4045Р | Электрооборудование | 1 |
| Автопогрузчик | 4065 | Электрооборудование | 1 |
| БелАЗ | 540А(27т) | Двигатель: система питания | 1 |
| БелАЗ | 548(40т) | Двигатель: система питания | 1 |
| БелАЗ | 549(75т) | Двигатель | 2 |
| БелАЗ | 7509 | Двигатель | 2 |
| БелАЗ | 75091(75т) | Двигатель | 2 |
| БелАЗ | 7522(30т) | Двигатель: система питания | 1 |
| БелАЗ | 7523(40т) | Двигатель: система питания | 1 |
| БелАЗ | 7548(42т) | Двигатель | 1 |
| БелАЗ | 7548(42т) | Двигатель: система питания | 1 |
| ЗИУ | 683Б | Двигатель | 1 |
| ЗИУ | 9В(682В) | Двигатель | 1 |
| КАЗ | 608В | Электрооборудование | 1 |
| КрАЗ | 214Б | Генератор: якорь, опора задняя | - |
| МАЗ | 504В | Двигатель: система питания | 1 |
| МАЗ | 509А | Двигатель: система питания | 1 |
| МАЗ | 5322 | Двигатель: система питания | 1 |
| МАЗ | 5334 | Двигатель: система питания | 1 |
| МАЗ | 5335 | Двигатель: система питания | 1 |
| МАЗ | 5336 | Двигатель: система питания | 1 |
| МАЗ | 5336 | Двигатель: система питания | - |
| МАЗ | 5338 | Двигатель: система питания | 1 |
| МАЗ | 5429 | Двигатель: система питания | 1 |
| МАЗ | 5430 | Двигатель: система питания | 1 |
| МАЗ | 54321 | Двигатель: система питания | 1 |
| МАЗ | 5433 | Двигатель: система питания | 1 |
| МАЗ | 54333 | Двигатель: система питания | - |
| МАЗ | 5434 | Двигатель: система питания | 1 |
| МАЗ | 5434 | Коробка раздаточная | 1 |
| МАЗ | 5445 | Двигатель: система питания | - |
| МАЗ | 5462 | Коробка раздаточная | - |
| МАЗ | 5549 | Двигатель: система питания | 1 |
| МАЗ | 5551 | Двигатель: система питания | 1 |
| МАЗ | 55512 | Двигатель: система питания | 1 |
| МАЗ | 55523 | Двигатель: система питания | - |
| МАЗ | 5558 | Двигатель: система питания | 1 |
| МАЗ | 5559 | Двигатель: система питания | - |
| МАЗ | 5568 | Двигатель: система питания | - |
| МАЗ | 6303 | Двигатель: система питания | 1 |
| МАЗ | 6303 | Двигатель: система питания | 1 |
| МАЗ | 6422 | Двигатель: система питания | 1 |
| МАЗ | 6422 | Двигатель: система питания | 1 |
| МАЗ | 64221 | Двигатель: система питания | 1 |
| МАЗ | 64221 | Двигатель: система питания | 1 |
| МАЗ | 64224 | Двигатель: система питания | 1 |
| МАЗ | 64227 | Двигатель: система питания | 1 |
| МАЗ | 64227 | Двигатель: система питания | 1 |
| МАЗ | 64229 | Двигатель: система питания | 1 |
| МАЗ | 64235 | Двигатель: система питания | - |
| МАЗ | 64241 | Двигатель: система питания | - |
| МАЗ | 642554 | Двигатель: система питания | 1 |
| МоАЗ | 546П-Д357П | Двигатель: система питания | 1 |
| МоАЗ | 6401-9585 | Двигатель: система питания | 1 |
| МоАЗ | 6507 | Двигатель: система питания | 1 |
| МоАЗ | 7405-9586 | Двигатель: система питания | 1 |
| Москвич | ИЖ-2126 | Управление рулевое: шестерня, опора задняя | - |
| Мототехника | Восход 3 | Коробка передач: вал промежуточный | - |
| Мототехника | Восход 3М | Коробка передач: вал промежуточный | - |
| Мототехника | Восход 3М-01 | Коробка передач: вал промежуточный | - |
| Мототехника | Восход 3М-02 | Коробка передач: вал промежуточный | - |
| Мототехника | Минск ММВЗ-3.11211 | Колесо переднее | - |
| Мототехника | Минск ММВЗ-3.11211 | Колесо заднее | - |
| Мототехника | Минск ММВЗ-3.1135 | Колесо переднее | - |
| Мототехника | Минск ММВЗ-3.1135 | Колесо заднее | - |
| Мототехника | Муравей ТГ-200 | Коробка передач: вал вторичный, опора левая | - |
| Мототехника | Муравей ТГ-200 | Коробка передач: вал первичный, опора правая | - |
| Мототехника | Муравей ТМЗ-5-402/403 | Коробка передач: вал вторичный, опора левая | - |
| Мототехника | Муравей ТМЗ-5-402/403 | Коробка передач: вал первичный, опора правая | - |
| Трактор | ДТ-75 | Двигатель: шестерня промежуточная двигателя пускового | 6 |
| Трактор | ДТ-75 | Двигатель: шестерня привода магнето | 6 |
| Трактор | ДТ-75 | Двигатель: валик регулятора двигателя пускового | 6 |
| Трактор | ДТ-75МВ | Двигатель: вал регулятора двигателя пускового | 2 |
| Трактор | ДТ-75МВ | Двигатель: шестерня промежуточная двигателя пускового | 2 |
| Трактор | ДТ-75МВ | Двигатель: шестерня привода магнето двигателя пускового | 2 |
| Трактор | ДТ-75МВ | Двигатель: валик регулятора двигателя пускового | 2 |
| Трактор | МТЗ-2 | Двигатель: вал регулятора двигателя пускового | 2 |
| Трактор | МТЗ-2 | Двигатель пусковой ПД-10М и ПД-10У: шестерня | 2 |
| Трактор | МТЗ-2 | Двигатель пусковой: шестерня регулятора | 2 |
| Трактор | МТЗ-5 | Двигатель: вал регулятора двигателя пускового | 2 |
| Трактор | МТЗ-5 | Двигатель пусковой ПД-10М и ПД-10У: шестерня | 2 |
| Трактор | МТЗ-5 | Двигатель пусковой: шестерня регулятора | 2 |
| Трактор | МТЗ-50 | Генератор Г81-Д: опора передняя | 1 |
| Трактор | МТЗ-50Л | Двигатель пусковой: вал регулятора | 2 |
| Трактор | МТЗ-50Л | Генератор Г81-Д: опора передняя | 1 |
| Трактор | МТЗ-50Л | Двигатель пусковой ПД-10М и ПД-10У: шестерня | 2 |
| Трактор | МТЗ-50Л | Двигатель пусковой: шестерня регулятора | 2 |
| Трактор | МТЗ-50ПЛ | Двигатель пусковой: вал регулятора | 2 |
| Трактор | МТЗ-50ПЛ | Генератор Г81-Д: опора передняя | 1 |
| Трактор | МТЗ-50ПЛ | Двигатель пусковой ПД-10М и ПД-10У: шестерня | 2 |
| Трактор | МТЗ-50ПЛ | Двигатель пусковой: шестерня регулятора | 2 |
| Трактор | МТЗ-52 | Генератор Г81-Д: опора передняя | 1 |
| Трактор | МТЗ-52Л | Двигатель пусковой: вал регулятора | 2 |
| Трактор | МТЗ-52Л | Генератор Г81-Д: опора передняя | 1 |
| Трактор | МТЗ-52Л | Двигатель пусковой ПД-10М и ПД-10У: шестерня | 2 |
| Трактор | МТЗ-52Л | Двигатель пусковой: шестерня регулятора | 2 |
| Трактор | МТЗ-5К | Двигатель пусковой: вал регулятора | 2 |
| Трактор | МТЗ-5К | Двигатель пусковой ПД-10М и ПД-10У: шестерня | 2 |
| Трактор | МТЗ-5К | Двигатель пусковой: шестерня регулятора | 2 |
| Трактор | МТЗ-5Л | Двигатель пусковой: вал регулятора | 2 |
| Трактор | МТЗ-5Л | Двигатель пусковой ПД-10М и ПД-10У: шестерня | 2 |
| Трактор | МТЗ-5Л | Двигатель пусковой: шестерня регулятора | 2 |
| Трактор | МТЗ-5ЛС | Двигатель пусковой: вал регулятора | 2 |
| Трактор | МТЗ-5ЛС | Двигатель пусковой ПД-10М и ПД-10У: шестерня | 2 |
| Трактор | МТЗ-5ЛС | Двигатель пусковой: шестерня регулятора | 2 |
| Трактор | МТЗ-5М | Генератор Г81-Д: опора передняя | 1 |
| Трактор | МТЗ-5МС | Генератор Г81-Д: опора передняя | 1 |
| Трактор | МТЗ-80Л | Двигатель пусковой: валик регулятора | 2 |
| Трактор | МТЗ-80Л | Двигатель пусковой: шестерня промежуточная | 2 |
| Трактор | МТЗ-80Л | Двигатель пусковой: шестерня привода | 2 |
| Трактор | МТЗ-82Л | Двигатель пусковой: валик регулятора | 2 |
| Трактор | МТЗ-82Л | Двигатель пусковой: шестерня промежуточная | 2 |
| Трактор | МТЗ-82Л | Двигатель пусковой: шестерня привода | 2 |
| Трактор | Т-012 | Редуктор: вал первичный | - |
| Трактор | Т-150 | Двигатель: вал регулятора двигателя пускового | 2 |
| Трактор | Т-150 | Двигатель: шестерня промежуточная двигателя пускового | 2 |
| Трактор | Т-150 | Двигатель: шестерня привода магнето | 2 |
| Трактор | Т-150К | Двигатель: вал регулятора двигателя пускового | 2 |
| Трактор | Т-150К | Двигатель: шестерня промежуточная двигателя пускового | 2 |
| Трактор | Т-150К | Двигатель: шестерня привода магнето | 2 |
| Трактор | Т-151К с двигателем СМД-62/63 | Двигатель: регулятор двигателя пускового | - |
| Трактор | Т-151К с двигателем СМД-62/63 | Двигатель: привод магнето, колесо зубчатое | - |
| Трактор | Т-151К с двигателем СМД-62/63 | Двигатель, пусковой двигатель: колесо зубчатое промежуточное | - |
| Трактор | Т-16 | Генератор: опора передняя | 1 |
| Трактор | Т-16 | Гидронасос: привод | 2 |
| Трактор | Т-40 | Генератор | 1 |
| Трактор | Т-40 | Двигатель пусковой: палец шестерни промежуточной | 2 |
| Трактор | Т-40 | Двигатель пусковой: вал регулятора | 2 |
| Трактор | Т-40А | Генератор | 1 |
| Трактор | Т-40А | Двигатель пусковой: палец шестерни промежуточной | 2 |
| Трактор | Т-40А | Двигатель пусковой: вал регулятора | 2 |
| Трактор | Т-40АМ | Двигатель пусковой | - |
| Трактор | Т-40АМ | Двигатель пусковой: воздухоочиститель | - |
| Трактор | Т-40М | Двигатель пусковой | - |
| Трактор | Т-40М | Двигатель пусковой: воздухоочиститель | - |
| Трактор | Т-74 | Двигатель пусковой | - |
| Трактор | Т-74 | Магнето: шестерня привода | - |
| Трактор | Т-75 | Двигатель: вал регулятора двигателя пускового | 2 |
| Трактор | Т-75 | Двигатель: шестерня промежуточная двигателя пускового | 2 |
| Трактор | Т-75 | Двигатель: шестерня привода магнето | 2 |
| Трактор | Т-75 | Двигатель: валик регулятора двигателя пускового | 2 |
| Трактор | Т-75 с двигателем СМД-14Г | Двигатель: шестерня промежуточная двигателя пускового | - |
| Трактор | Т-75 с двигателем СМД-14Г | Двигатель: шестерня привода магнето | - |
| Трактор | Т-75 с двигателем СМД-14Г | Двигатель: валик регулятора двигателя пускового | - |
| Трактор | Т-75МВ с двигателем А-41 | Двигатель: шестерня промежуточная двигателя пускового | - |
| Трактор | Т-75МВ с двигателем А-41 | Двигатель: шестерня привода магнето двигателя пускового | - |
| Трактор | Т-75МВ с двигателем А-41 | Двигатель: валик регулятора двигателя пускового | - |
| Трактор | ТТ-4М | Двигатель пусковой: редуктор | - |
| Трактор | ТТ-4М | Двигатель пусковой: валик регулятора и шестерня промежуточная | - |
| Трактор | ТТ-4М-01 | Двигатель пусковой: редуктор | - |
| Трактор | ТТ-4М-01 | Двигатель пусковой: валик регулятора и шестерня промежуточная | - |
| Трактор | ЮМЗ-6АЛ | Двигатель пусковой | - |
| Трактор | ЮМЗ-6АМ | Двигатель пусковой | - |
| Трактор | ЮМЗ-6КМ | Двигатель пусковой | - |
| Трамвайный вагон | КТМ-5М3 | Переключатель реостатный ЭКГ-33Б | 2 |
| Трамвайный вагон | РВ3-6М2 | Переключатель реостатный ЭКГ-20Б | 2 |
| Трамвайный вагон | Т-2 | Таходинамо | 11 |
| Трамвайный вагон | Т-2 | Ускоритель | 2 |
| Трамвайный вагон | Т-3 | Таходинамо | 11 |
| Трамвайный вагон | Т-3 | Ускоритель | 2 |