Подшипники гост
Интернет-магазин
8-800-250-16-58
Обратный звонок

Заказ обратного звонка




Эл. почта:
info@amost.ru
Свои заказы Корзина пуста





Получать прайс-лист на email:

Чтобы отписаться от рассылки, введите e-mail, на который вы получаете наши письма:

 

Поиск подшипников

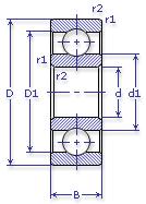
Масса и размеры

Внутренний диаметр d, мм

От  до 

Наружный диаметр D, мм

От  до 

Ширина b, мм

Применяемость

Раздел каталога

Подшипник шариковый радиальный однорядный основного конструктивного исполнения

203 А ГОСТ 520

Отечественный
Импортный
Цена: 23.00 руб

Производитель



под заказ
Обозначение 203 А ГОСТ 520
Цена импортная 17
Новинки N
Хиты продаж N
Скидки N
Внутренний диаметр, d (мм) 17
Наружный диаметр, D (мм) 40
Ширина, В (мм) 12
Масса, m (кг) 0.06
Грузоподъемность динамическая, C (kN) 9.56
Грузоподъемность статическая, Co (kN) 4.5
Ном. частота вращен. при пластич. смазке, n grease (1/min) 17000
Диаметр шарика, d шарика (мм) 7.144
Количество шариков, N шариков 7
Ном. частота вращен. при жидк. смазке, n oil (1/min) 20000
Диаметр борта наружного кольца, D1(mm) 33.5
Диаметр борта внутреннего кольца, d1 (mm) 23.9
Радиус фаски, r1, r2 min (мм) 0.6
203 А ГОСТ 520

Этот подшипник может быть заменен другими:

Подшипник 50203 — Условие отсутствует

Подшипник 60203 — При условии демонтажа одной защитной шайбы

Подшипник 160203 — При условии демонтажа одной защитной шайбы

Подшипник 150203 — При условии демонтажа одной защитной шайбы (п/ш с канавкой)

Подшипник 80203 — При условии демонтажа 2-х защитных шайб

Подшипник 180203 — При условии демонтажа 2-х защитных шайб

Подшипник 450203 — При условии демонтажа 2-х защитных шайб

Марка Модель Узел Кол-во на узел
Подшипники ГАЗ 2705 Газель Двигатель: ролик натяжной, опора передняя 1
Подшипники ГАЗ 27057 Двигатель: ролик натяжной, опора передняя 1
Подшипники ГАЗ 3221 Газель Двигатель: ролик натяжной, опора передняя 1
Подшипники ГАЗ 32212 Двигатель: ролик натяжной, опора передняя 1
Подшипники ГАЗ 32213 Двигатель: ролик натяжной, опора передняя 1
Подшипники ГАЗ 32217 Двигатель: ролик натяжной, опора передняя 1
Подшипники ГАЗ 322172 Двигатель: ролик натяжной, опора передняя 1
Подшипники ГАЗ 322173 Двигатель: ролик натяжной, опора передняя 1
Подшипники ГАЗ 3302 Газель Двигатель: ролик натяжной, опора передняя 1
Подшипники ГАЗ 33021 Двигатель: ролик натяжной, опора передняя 1
Подшипники ГАЗ 33023 Двигатель: ролик натяжной, опора передняя 1
Подшипники ГАЗ 33027 Двигатель: ролик натяжной, опора передняя 1
Подшипники ГАЗ 330273 Двигатель: ролик натяжной, опора передняя 1
Подшипники ГАЗ 3306 Насос вакуумный 2
Подшипники ГАЗ 3307 Двигатель: система охлаждения 1
ГАЗ 3309 Насос вакуумный 2
ГАЗ 53-12 Двигатель: система охлаждения 1
ГАЗ 53А Двигатель: система охлаждения 1
ГАЗ 53А Двигатель: система охлаждения, ролик натяжной 1
ГАЗ 53Б Двигатель: система охлаждения 1
ГАЗ САЗ 3502 Двигатель: система охлаждения 1
ГАЗ САЗ 3503 Двигатель: система охлаждения 1
ГАЗ САЗ 53Б Двигатель: система охлаждения 1
ЗИЛ 133ВЯ Двигатель: система питания 1
ЗИЛ 133ГЯ Двигатель: система питания 1
КАвЗ 685М Двигатель: система охлаждения 1
КАЗ 4540 Двигатель: система питания 1
КамАЗ 4310 Двигатель: система питания 1
КамАЗ 4310 Двигатель: система питания 1
КамАЗ 43105 Двигатель: система питания 1
КамАЗ 43105 Двигатель: система питания 1
КамАЗ 5320 Двигатель: система питания 1
КамАЗ 5320 Двигатель: державка грузов регулятора насоса топливного высокого давления, опора передняя 1
КамАЗ 53211 Двигатель: державка грузов регулятора насоса топливного высокого давления, опора передняя 1
КамАЗ 53212 Двигатель: система питания 1
КамАЗ 53212 Двигатель: державка грузов регулятора насоса топливного высокого давления, опора передняя 1
КамАЗ 53213 Двигатель: система питания 1
КамАЗ 53213 Двигатель: державка грузов регулятора насоса топливного высокого давления, опора передняя 1
КамАЗ 53222 Двигатель: система питания 1
КамАЗ 5325 Двигатель: система питания 1
КамАЗ 5410 Двигатель: система питания 1
КамАЗ 5410 Двигатель: державка грузов регулятора насоса топливного высокого давления, опора передняя 1
КамАЗ 54112 Двигатель: система питания 1
КамАЗ 54112 Двигатель: державка грузов регулятора насоса топливного высокого давления, опора передняя 1
КамАЗ 54122 Двигатель: система питания 1
КамАЗ 5425 Двигатель: система питания 1
КамАЗ 55102 Двигатель: система питания 1
КамАЗ 55102 Двигатель: державка грузов регулятора насоса топливного высокого давления, опора передняя 1
КамАЗ 5511 Двигатель: система питания 1
КамАЗ 55111 Двигатель: державка грузов регулятора насоса топливного высокого давления, опора передняя 1
КамАЗ 6410 Двигатель: система питания 1
Комбайн КОП-1.4 Сигнализатор русла -
КрАЗ 250 Двигатель: система охлаждения 1
КрАЗ 250 Система тормозная 2
КрАЗ 255 Двигатель: система питания -
КрАЗ 255 Двигатель: система питания 1
КрАЗ 255 Система тормозная 2
КрАЗ 255Б1 Двигатель: система питания -
КрАЗ 255Б1 Двигатель: система питания 1
КрАЗ 255Б1 Система тормозная 2
КрАЗ 255Б1А Двигатель: система питания -
КрАЗ 255Б1А Двигатель: система питания 1
КрАЗ 255Б1А Система тормозная 2
КрАЗ 255В1 Двигатель: система питания -
КрАЗ 255В1 Двигатель: система питания 1
КрАЗ 255В1 Система тормозная 2
КрАЗ 255Л1 Двигатель: система питания -
КрАЗ 255Л1 Двигатель: система питания 1
КрАЗ 255Л1 Система тормозная 2
КрАЗ 256Б1 Двигатель: система охлаждения 1
КрАЗ 256Б1 Система тормозная 2
КрАЗ 257Б1 Двигатель: система охлаждения 1
КрАЗ 257Б1 Система тормозная 2
КрАЗ 257Б1А Двигатель: система охлаждения 1
КрАЗ 257Б1А Система тормозная 2
КрАЗ 258Б1 Двигатель: система охлаждения 1
КрАЗ 258Б1 Система тормозная 2
КрАЗ 260 Двигатель: система охлаждения 1
КрАЗ 260А Двигатель: система охлаждения 1
КрАЗ 260В Двигатель: система охлаждения 1
КрАЗ 260Г Двигатель: система охлаждения 1
КрАЗ 260Д Двигатель: система охлаждения 1
КрАЗ 260С Двигатель: система охлаждения 1
ЛиАЗ 5256 Двигатель: система питания 1
МАЗ 504В Двигатель: система охлаждения 3
МАЗ 509А Двигатель: система охлаждения 3
МАЗ 5322 Двигатель: система охлаждения 3
МАЗ 5334 Двигатель: система охлаждения 3
МАЗ 5335 Двигатель: система охлаждения 3
МАЗ 5336 Двигатель: система охлаждения 3
МАЗ 5336 Двигатель: система охлаждения 3
МАЗ 5338 Двигатель: система охлаждения 3
МАЗ 5429 Двигатель: система охлаждения 3
МАЗ 5430 Двигатель: система охлаждения 3
МАЗ 54321 Двигатель: система охлаждения 3
МАЗ 54321 Двигатель: система охлаждения 3
МАЗ 54327 Двигатель: система охлаждения -
МАЗ 5433 Двигатель: система охлаждения 3
МАЗ 5434 Двигатель: система охлаждения 3
МАЗ 5439 Двигатель: система охлаждения -
МАЗ 5549 Двигатель: система охлаждения 3
МАЗ 5551 Двигатель: система охлаждения 3
МАЗ 55512 Двигатель: система охлаждения 3
МАЗ 55517 Двигатель: система охлаждения -
МАЗ 5554 Двигатель: система охлаждения -
МАЗ 5558 Двигатель: система охлаждения 3
МАЗ 5563 Двигатель: система охлаждения -
МАЗ 6303 Двигатель: система охлаждения 1
МАЗ 6303 Двигатель: система охлаждения 3
МАЗ 6422 Двигатель: система охлаждения 1
МАЗ 6422 Двигатель: система охлаждения 3
МАЗ 64221 Двигатель: система охлаждения 1
МАЗ 64221 Двигатель: система охлаждения 3
МАЗ 64224 Двигатель: система охлаждения 3
МАЗ 64227 Двигатель: система охлаждения 3
МАЗ 64227 Двигатель: система охлаждения 3
МАЗ 64229 Двигатель: система охлаждения 3
МАЗ 64235 Двигатель: система охлаждения -
МАЗ 642554 Двигатель: система охлаждения 1
МоАЗ 546П-Д357П Двигатель: система охлаждения 3
МоАЗ 6401-9585 Двигатель: система охлаждения 3
МоАЗ 6507 Двигатель: система охлаждения 3
МоАЗ 7405-9586 Двигатель: система охлаждения 3
Мототехника Восход 3 Коробка передач: вал первичный -
Мототехника Восход 3М Коробка передач: вал первичный -
Мототехника Восход 3М-01 Коробка передач: вал первичный -
Мототехника Восход 3М-02 Коробка передач: вал первичный -
Мототехника ИЖ-П Коробка передач: вал промежуточный -
Мототехника ИЖ-П Ступица колес -
Мототехника ИЖ-П2 Коробка передач: вал промежуточный -
Мототехника ИЖ-П2 Ступица колес -
Мототехника ИЖ-П3 Коробка передач: вал промежуточный -
Мототехника ИЖ-П3 Ступица колес -
Мототехника ИЖ-П4 Коробка передач: вал промежуточный -
Мототехника ИЖ-П4 Ступица колес -
Мототехника ИЖ-П5 Коробка передач: вал промежуточный -
Мототехника ИЖ-П5 Ступица колес -
Мототехника ИЖ-ПС Коробка передач: вал промежуточный -
Мототехника ИЖ-ПС Ступица колес -
Мототехника ИЖ-Ю Коробка передач: вал промежуточный -
Мототехника ИЖ-Ю Ступица колес -
Мототехника ИЖ-Ю2 Коробка передач: вал промежуточный -
Мототехника ИЖ-Ю2 Ступица колес -
Мототехника ИЖ-Ю3 Коробка передач: вал промежуточный -
Мототехника ИЖ-Ю3 Ступица колес -
Мототехника ИЖ-Ю5 Коробка передач: вал промежуточный -
Мототехника ИЖ-Ю5 Ступица колес -
Мототехника Минск ММВЗ-3.11211 Коробка передач: вал первичный -
Мототехника Минск ММВЗ-3.1135 Коробка передач: вал первичный -
Мототехника Мокик ИЖ2.673 Коробка передач: вал первичный -
Мототехника Муравей ТГ-200 Коробка передач: вал первичный, опора левая -
Мототехника Муравей ТГ-200 Ось переднего колеса: опоры правая и левая -
Мототехника Муравей ТГ-200 Передача главная: редуктор, вал промежуточный, опоры правая и левая -
Мототехника Муравей ТМЗ-5-402/403 Коробка передач: вал первичный, опора левая -
Мототехника Муравей ТМЗ-5-402/403 Ось переднего колеса: опоры правая и левая -
Мототехника Муравей ТМЗ-5-402/403 Передача главная: редуктор, вал промежуточный, опоры правая и левая -
ПАЗ 3201 Двигатель: система охлаждения 1
ПАЗ 672 Двигатель: система охлаждения 1
САЗ 3502 Двигатель: система охлаждения -
САЗ 3507 Двигатель: система охлаждения -
Станкостроение Не указано Не указано -
Трактор Т-012 Двигатель: регулятор карбюратора -
Трактор ХТЗ-120 Управление рулевое: гидроруль -
Трактор ХТЗ-121 Управление рулевое: гидроруль -
Трамвайный вагон КТМ-5М3 Двери, привод дверей 15
Трамвайный вагон Т-2 Таходинамо 12
Трамвайный вагон Т-3 Таходинамо 12
УРАЛ 4320 Двигатель 1
УРАЛ 5557 Двигатель 1
УРАЛ 5920 Двигатель 1
Бренд Обозначение
ГПЗ 203
SKF 6203
FAG 6203
NSK 6203
Товар добавлен в корзину
Перейти в корзину ×