Подшипники гост
Интернет-магазин
8-800-250-16-58
Обратный звонок

Заказ обратного звонка




Эл. почта:
info@amost.ru
Свои заказы Корзина пуста





Получать прайс-лист на email:

Чтобы отписаться от рассылки, введите e-mail, на который вы получаете наши письма:

 

Поиск подшипников

Масса и размеры

Внутренний диаметр d, мм

От  до 

Наружный диаметр D, мм

От  до 

Ширина b, мм

Применяемость

Раздел каталога

Подшипник шариковый радиальный однорядный основного конструктивного исполнения

203 А1Ш1 ГОСТ 520

Отечественный
Импортный
Цена: 23.00 руб

Производитель



под заказ
Обозначение 203 А1Ш1 ГОСТ 520
Цена импортная 17
Новинки N
Хиты продаж N
Скидки N
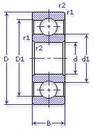
Внутренний диаметр, d (мм) 17
Наружный диаметр, D (мм) 40
Ширина, В (мм) 12
Масса, m (кг) 0.06
Грузоподъемность динамическая, C (kN) 9.56
Грузоподъемность статическая, Co (kN) 4.5
Ном. частота вращен. при пластич. смазке, n grease (1/min) 17000
Диаметр шарика, d шарика (мм) 7.144
Количество шариков, N шариков 7
Ном. частота вращен. при жидк. смазке, n oil (1/min) 20000
Диаметр борта наружного кольца, D1(mm) 33.5
Диаметр борта внутреннего кольца, d1 (mm) 23.9
Радиус фаски, r1, r2 min (мм) 0.6
203 А1Ш1 ГОСТ 520

Этот подшипник может быть заменен другими:

Подшипник 50203 — Условие отсутствует

Подшипник 60203 — При условии демонтажа одной защитной шайбы

Подшипник 160203 — При условии демонтажа одной защитной шайбы

Подшипник 150203 — При условии демонтажа одной защитной шайбы (п/ш с канавкой)

Подшипник 80203 — При условии демонтажа 2-х защитных шайб

Подшипник 180203 — При условии демонтажа 2-х защитных шайб

Подшипник 450203 — При условии демонтажа 2-х защитных шайб

Марка Модель Узел Кол-во на узел
Подшипники ГАЗ 2705 Газель Двигатель: ролик натяжной, опора передняя 1
Подшипники ГАЗ 27057 Двигатель: ролик натяжной, опора передняя 1
Подшипники ГАЗ 3221 Газель Двигатель: ролик натяжной, опора передняя 1
Подшипники ГАЗ 32212 Двигатель: ролик натяжной, опора передняя 1
Подшипники ГАЗ 32213 Двигатель: ролик натяжной, опора передняя 1
Подшипники ГАЗ 32217 Двигатель: ролик натяжной, опора передняя 1
Подшипники ГАЗ 322172 Двигатель: ролик натяжной, опора передняя 1
Подшипники ГАЗ 322173 Двигатель: ролик натяжной, опора передняя 1
Подшипники ГАЗ 3302 Газель Двигатель: ролик натяжной, опора передняя 1
Подшипники ГАЗ 33021 Двигатель: ролик натяжной, опора передняя 1
Подшипники ГАЗ 33023 Двигатель: ролик натяжной, опора передняя 1
Подшипники ГАЗ 33027 Двигатель: ролик натяжной, опора передняя 1
Подшипники ГАЗ 330273 Двигатель: ролик натяжной, опора передняя 1
Подшипники ГАЗ 3306 Насос вакуумный 2
Подшипники ГАЗ 3307 Двигатель: система охлаждения 1
ГАЗ 3309 Насос вакуумный 2
ГАЗ 53-12 Двигатель: система охлаждения 1
ГАЗ 53А Двигатель: система охлаждения 1
ГАЗ 53А Двигатель: система охлаждения, ролик натяжной 1
ГАЗ 53Б Двигатель: система охлаждения 1
ГАЗ САЗ 3502 Двигатель: система охлаждения 1
ГАЗ САЗ 3503 Двигатель: система охлаждения 1
ГАЗ САЗ 53Б Двигатель: система охлаждения 1
ЗИЛ 133ВЯ Двигатель: система питания 1
ЗИЛ 133ГЯ Двигатель: система питания 1
КАвЗ 685М Двигатель: система охлаждения 1
КАЗ 4540 Двигатель: система питания 1
КамАЗ 4310 Двигатель: система питания 1
КамАЗ 4310 Двигатель: система питания 1
КамАЗ 43105 Двигатель: система питания 1
КамАЗ 43105 Двигатель: система питания 1
КамАЗ 5320 Двигатель: система питания 1
КамАЗ 5320 Двигатель: державка грузов регулятора насоса топливного высокого давления, опора передняя 1
КамАЗ 53211 Двигатель: державка грузов регулятора насоса топливного высокого давления, опора передняя 1
КамАЗ 53212 Двигатель: система питания 1
КамАЗ 53212 Двигатель: державка грузов регулятора насоса топливного высокого давления, опора передняя 1
КамАЗ 53213 Двигатель: система питания 1
КамАЗ 53213 Двигатель: державка грузов регулятора насоса топливного высокого давления, опора передняя 1
КамАЗ 53222 Двигатель: система питания 1
КамАЗ 5325 Двигатель: система питания 1
КамАЗ 5410 Двигатель: система питания 1
КамАЗ 5410 Двигатель: державка грузов регулятора насоса топливного высокого давления, опора передняя 1
КамАЗ 54112 Двигатель: система питания 1
КамАЗ 54112 Двигатель: державка грузов регулятора насоса топливного высокого давления, опора передняя 1
КамАЗ 54122 Двигатель: система питания 1
КамАЗ 5425 Двигатель: система питания 1
КамАЗ 55102 Двигатель: система питания 1
КамАЗ 55102 Двигатель: державка грузов регулятора насоса топливного высокого давления, опора передняя 1
КамАЗ 5511 Двигатель: система питания 1
КамАЗ 55111 Двигатель: державка грузов регулятора насоса топливного высокого давления, опора передняя 1
КамАЗ 6410 Двигатель: система питания 1
Комбайн КОП-1.4 Сигнализатор русла -
КрАЗ 250 Двигатель: система охлаждения 1
КрАЗ 250 Система тормозная 2
КрАЗ 255 Двигатель: система питания -
КрАЗ 255 Двигатель: система питания 1
КрАЗ 255 Система тормозная 2
КрАЗ 255Б1 Двигатель: система питания -
КрАЗ 255Б1 Двигатель: система питания 1
КрАЗ 255Б1 Система тормозная 2
КрАЗ 255Б1А Двигатель: система питания -
КрАЗ 255Б1А Двигатель: система питания 1
КрАЗ 255Б1А Система тормозная 2
КрАЗ 255В1 Двигатель: система питания -
КрАЗ 255В1 Двигатель: система питания 1
КрАЗ 255В1 Система тормозная 2
КрАЗ 255Л1 Двигатель: система питания -
КрАЗ 255Л1 Двигатель: система питания 1
КрАЗ 255Л1 Система тормозная 2
КрАЗ 256Б1 Двигатель: система охлаждения 1
КрАЗ 256Б1 Система тормозная 2
КрАЗ 257Б1 Двигатель: система охлаждения 1
КрАЗ 257Б1 Система тормозная 2
КрАЗ 257Б1А Двигатель: система охлаждения 1
КрАЗ 257Б1А Система тормозная 2
КрАЗ 258Б1 Двигатель: система охлаждения 1
КрАЗ 258Б1 Система тормозная 2
КрАЗ 260 Двигатель: система охлаждения 1
КрАЗ 260А Двигатель: система охлаждения 1
КрАЗ 260В Двигатель: система охлаждения 1
КрАЗ 260Г Двигатель: система охлаждения 1
КрАЗ 260Д Двигатель: система охлаждения 1
КрАЗ 260С Двигатель: система охлаждения 1
ЛиАЗ 5256 Двигатель: система питания 1
МАЗ 504В Двигатель: система охлаждения 3
МАЗ 509А Двигатель: система охлаждения 3
МАЗ 5322 Двигатель: система охлаждения 3
МАЗ 5334 Двигатель: система охлаждения 3
МАЗ 5335 Двигатель: система охлаждения 3
МАЗ 5336 Двигатель: система охлаждения 3
МАЗ 5336 Двигатель: система охлаждения 3
МАЗ 5338 Двигатель: система охлаждения 3
МАЗ 5429 Двигатель: система охлаждения 3
МАЗ 5430 Двигатель: система охлаждения 3
МАЗ 54321 Двигатель: система охлаждения 3
МАЗ 54321 Двигатель: система охлаждения 3
МАЗ 54327 Двигатель: система охлаждения -
МАЗ 5433 Двигатель: система охлаждения 3
МАЗ 5434 Двигатель: система охлаждения 3
МАЗ 5439 Двигатель: система охлаждения -
МАЗ 5549 Двигатель: система охлаждения 3
МАЗ 5551 Двигатель: система охлаждения 3
МАЗ 55512 Двигатель: система охлаждения 3
МАЗ 55517 Двигатель: система охлаждения -
МАЗ 5554 Двигатель: система охлаждения -
МАЗ 5558 Двигатель: система охлаждения 3
МАЗ 5563 Двигатель: система охлаждения -
МАЗ 6303 Двигатель: система охлаждения 1
МАЗ 6303 Двигатель: система охлаждения 3
МАЗ 6422 Двигатель: система охлаждения 1
МАЗ 6422 Двигатель: система охлаждения 3
МАЗ 64221 Двигатель: система охлаждения 1
МАЗ 64221 Двигатель: система охлаждения 3
МАЗ 64224 Двигатель: система охлаждения 3
МАЗ 64227 Двигатель: система охлаждения 3
МАЗ 64227 Двигатель: система охлаждения 3
МАЗ 64229 Двигатель: система охлаждения 3
МАЗ 64235 Двигатель: система охлаждения -
МАЗ 642554 Двигатель: система охлаждения 1
МоАЗ 546П-Д357П Двигатель: система охлаждения 3
МоАЗ 6401-9585 Двигатель: система охлаждения 3
МоАЗ 6507 Двигатель: система охлаждения 3
МоАЗ 7405-9586 Двигатель: система охлаждения 3
Мототехника Восход 3 Коробка передач: вал первичный -
Мототехника Восход 3М Коробка передач: вал первичный -
Мототехника Восход 3М-01 Коробка передач: вал первичный -
Мототехника Восход 3М-02 Коробка передач: вал первичный -
Мототехника ИЖ-П Коробка передач: вал промежуточный -
Мототехника ИЖ-П Ступица колес -
Мототехника ИЖ-П2 Коробка передач: вал промежуточный -
Мототехника ИЖ-П2 Ступица колес -
Мототехника ИЖ-П3 Коробка передач: вал промежуточный -
Мототехника ИЖ-П3 Ступица колес -
Мототехника ИЖ-П4 Коробка передач: вал промежуточный -
Мототехника ИЖ-П4 Ступица колес -
Мототехника ИЖ-П5 Коробка передач: вал промежуточный -
Мототехника ИЖ-П5 Ступица колес -
Мототехника ИЖ-ПС Коробка передач: вал промежуточный -
Мототехника ИЖ-ПС Ступица колес -
Мототехника ИЖ-Ю Коробка передач: вал промежуточный -
Мототехника ИЖ-Ю Ступица колес -
Мототехника ИЖ-Ю2 Коробка передач: вал промежуточный -
Мототехника ИЖ-Ю2 Ступица колес -
Мототехника ИЖ-Ю3 Коробка передач: вал промежуточный -
Мототехника ИЖ-Ю3 Ступица колес -
Мототехника ИЖ-Ю5 Коробка передач: вал промежуточный -
Мототехника ИЖ-Ю5 Ступица колес -
Мототехника Минск ММВЗ-3.11211 Коробка передач: вал первичный -
Мототехника Минск ММВЗ-3.1135 Коробка передач: вал первичный -
Мототехника Мокик ИЖ2.673 Коробка передач: вал первичный -
Мототехника Муравей ТГ-200 Коробка передач: вал первичный, опора левая -
Мототехника Муравей ТГ-200 Ось переднего колеса: опоры правая и левая -
Мототехника Муравей ТГ-200 Передача главная: редуктор, вал промежуточный, опоры правая и левая -
Мототехника Муравей ТМЗ-5-402/403 Коробка передач: вал первичный, опора левая -
Мототехника Муравей ТМЗ-5-402/403 Ось переднего колеса: опоры правая и левая -
Мототехника Муравей ТМЗ-5-402/403 Передача главная: редуктор, вал промежуточный, опоры правая и левая -
ПАЗ 3201 Двигатель: система охлаждения 1
ПАЗ 672 Двигатель: система охлаждения 1
САЗ 3502 Двигатель: система охлаждения -
САЗ 3507 Двигатель: система охлаждения -
Станкостроение Не указано Не указано -
Трактор Т-012 Двигатель: регулятор карбюратора -
Трактор ХТЗ-120 Управление рулевое: гидроруль -
Трактор ХТЗ-121 Управление рулевое: гидроруль -
Трамвайный вагон КТМ-5М3 Двери, привод дверей 15
Трамвайный вагон Т-2 Таходинамо 12
Трамвайный вагон Т-3 Таходинамо 12
УРАЛ 4320 Двигатель 1
УРАЛ 5557 Двигатель 1
УРАЛ 5920 Двигатель 1
Бренд Обозначение
ГПЗ 203
SKF 6203
FAG 6203
NSK 6203
Товар добавлен в корзину
Перейти в корзину ×