Подшипники гост
Интернет-магазин
8-800-250-16-58
Обратный звонок

Заказ обратного звонка




Эл. почта:
info@amost.ru
Свои заказы Корзина пуста





Получать прайс-лист на email:

Чтобы отписаться от рассылки, введите e-mail, на который вы получаете наши письма:

 

Поиск подшипников

Масса и размеры

Внутренний диаметр d, мм

От  до 

Наружный диаметр D, мм

От  до 

Ширина b, мм

Применяемость

Раздел каталога

Подшипник шариковый радиальный однорядный основного конструктивного исполнения

205 ГОСТ 520

Отечественный
Импортный
Цена: 29.00 руб

Производитель



под заказ
Обозначение 205 ГОСТ 520
Цена импортная 25
Новинки N
Хиты продаж N
Скидки N
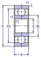
Внутренний диаметр, d (мм) 25
Наружный диаметр, D (мм) 52
Ширина, В (мм) 15
Масса, m (кг) 0.12
Грузоподъемность динамическая, C (kN) 14
Грузоподъемность статическая, Co (kN) 6.95
Ном. частота вращен. при пластич. смазке, n grease (1/min) 12000
Диаметр шарика, d шарика (мм) 7.938
Количество шариков, N шариков 9
Ном. частота вращен. при жидк. смазке, n oil (1/min) 15000
Диаметр борта наружного кольца, D1(mm) 43.9
Диаметр борта внутреннего кольца, d1 (mm) 33.3
Радиус фаски, r1, r2 min (мм) 1
205 ГОСТ 520

Этот подшипник может быть заменен другими:

Подшипник 50205 — Условие отсутствует

Подшипник 60205 — При условии демонтажа одной защитной шайбы

Подшипник 160205 — При условии демонтажа одной защитной шайбы

Подшипник 150205 — При условии демонтажа одной защитной шайбы (п/ш с канавкой)

Подшипник 80205 — При условии демонтажа 2-х защитных шайб

Подшипник 180205 — При условии демонтажа 2-х защитных шайб

Подшипник 450205 — При условии демонтажа 2-х защитных шайб

Подшипник 750205 — При условии демонтажа 2-х защитных шайб

Марка Модель Узел Кол-во на узел
Пункт картофелесортировальный с переборочными столами КСП-25 Транспортер распределительный ПСШ.02.000-01: ролик верхний -
Автопогрузчик 4008М Грузоподъемник 1
Автопогрузчик 4014 Грузоподъемник 1
Автопогрузчик 4016 Грузоподъемник 1
Автопогрузчик 4017 Грузоподъемник 1
Автопогрузчик 4043М Грузоподъемник 1
Автопогрузчик 4045Р Грузоподъемник 1
БелАЗ 540А(27т) Генератор: привод 1
БелАЗ 540А(27т) Насос топливный: шестерня 1
БелАЗ 540А(27т) Насос водяной 1
БелАЗ 548(40т) Генератор: привод 1
БелАЗ 548(40т) Насос топливный: шестерня 1
БелАЗ 548(40т) Насос водяной 1
БелАЗ 75211(180т) Генератор-дизель 1
БелАЗ 7522(30т) Генератор: привод 1
БелАЗ 7522(30т) Насос топливный: шестерня 1
БелАЗ 7522(30т) Насос водяной 1
БелАЗ 7523(40т) Генератор: привод 1
БелАЗ 7523(40т) Насос топливный: шестерня 1
БелАЗ 7523(40т) Насос водяной 1
БелАЗ 7548(42т) Генератор: привод 1
ВАЗ 1111 Ока Двигатель: валик уравновешивающий 2
ВАЗ 2101 Коробка передач: вал вторичный 1
ВАЗ 2102 Коробка передач: вал вторичный 1
ВАЗ 2103 Коробка передач: вал вторичный 1
ВАЗ 2104 Коробка передач: вал вторичный 1
ВАЗ 2105 Коробка передач: вал вторичный 1
Подшипники ГАЗ 2106 Коробка передач: вал вторичный 1
Подшипники ГАЗ 2107 Коробка передач: вал вторичный 1
Подшипники ГАЗ 2121 Niva Коробка передач: вал вторичный 1
Зерновой метатель ЗМ-60 Редуктор самохода -
ЗИЛ 131М Двигатель: система питания 2
ЗИЛ 131МВ Двигатель: система питания 2
ЗИЛ 133ВЯ Коробка передач 1
ЗИЛ 133ГЯ Коробка передач 1
ЗИЛ 4331 Двигатель: система питания 2
ЗИЛ 433100 Двигатель: привод насоса топливного 2
ЗИЛ 5301 Бычок Двигатель: система питания 2
ЗИЛ 5301 Бычок Управление рулевое 2
КАЗ 4540 Двигатель 1
КАЗ 4540 Двигатель 1
КамАЗ 4310 Коробка передач 1
КамАЗ 4310 Коробка передач 1
КамАЗ 4310 Управление рулевое 2
КамАЗ 4310 Управление рулевое 2
КамАЗ 43105 Коробка передач 1
КамАЗ 43105 Коробка передач 1
КамАЗ 43105 Управление рулевое 2
КамАЗ 43105 Управление рулевое 2
КамАЗ 5320 Коробка передач 1
КамАЗ 5320 Управление рулевое 2
КамАЗ 5320 Коробка передач: вал ведущий делителя, опора передняя 1
КамАЗ 5320 Управление рулевое: колесо зубчатое редуктора углового, опоры верхняя и нижняя 2
КамАЗ 53211 Коробка передач: вал ведущий делителя, опора передняя 1
КамАЗ 53211 Управление рулевое: колесо зубчатое редуктора углового, опоры верхняя и нижняя 2
КамАЗ 53212 Коробка передач 1
КамАЗ 53212 Управление рулевое 2
КамАЗ 53212 Коробка передач: вал ведущий делителя, опора передняя 1
КамАЗ 53212 Управление рулевое: колесо зубчатое редуктора углового, опоры верхняя и нижняя 2
КамАЗ 53213 Коробка передач 1
КамАЗ 53213 Управление рулевое 2
КамАЗ 53213 Коробка передач: вал ведущий делителя, опора передняя 1
КамАЗ 53213 Управление рулевое: колесо зубчатое редуктора углового, опоры верхняя и нижняя 2
КамАЗ 53222 Коробка передач 1
КамАЗ 53222 Управление рулевое 2
КамАЗ 5325 Коробка передач 1
КамАЗ 5325 Управление рулевое 2
КамАЗ 5410 Коробка передач 1
КамАЗ 5410 Управление рулевое 2
КамАЗ 5410 Коробка передач: вал ведущий делителя, опора передняя 1
КамАЗ 5410 Управление рулевое: колесо зубчатое редуктора углового, опоры верхняя и нижняя 2
КамАЗ 54112 Коробка передач 1
КамАЗ 54112 Управление рулевое 2
КамАЗ 54112 Коробка передач: вал ведущий делителя, опора передняя 1
КамАЗ 54112 Управление рулевое: колесо зубчатое редуктора углового, опоры верхняя и нижняя 2
КамАЗ 54122 Коробка передач 1
КамАЗ 54122 Управление рулевое 2
КамАЗ 5425 Коробка передач 1
КамАЗ 5425 Управление рулевое 2
КамАЗ 55102 Коробка передач 1
КамАЗ 55102 Управление рулевое 2
КамАЗ 55102 Коробка передач: вал ведущий делителя, опора передняя 1
КамАЗ 55102 Управление рулевое: колесо зубчатое редуктора углового, опоры верхняя и нижняя 2
КамАЗ 5511 Коробка передач 1
КамАЗ 5511 Управление рулевое 2
КамАЗ 55111 Коробка передач: вал ведущий делителя, опора передняя 1
КамАЗ 55111 Управление рулевое: колесо зубчатое редуктора углового, опоры верхняя и нижняя 2
КамАЗ 6410 Коробка передач 1
КЗКТ Э538ДК Двигатель 2
КЗКТ Э538ДП Двигатель 2
Комбайн КСКУ-6 Звездочки натяжные -
Комбайн КСКУ-6 Вальцы -
КрАЗ 250 Двигатель 1
КрАЗ 250 Двигатель: система охлаждения 1
КрАЗ 250 Коробка передач 1
КрАЗ 250 Коробка передач 1
КрАЗ 255 Двигатель -
КрАЗ 255 Двигатель 1
КрАЗ 255 Двигатель: система охлаждения 1
КрАЗ 255 Коробка передач 1
КрАЗ 255 Коробка передач 1
КрАЗ 255Б1 Двигатель -
КрАЗ 255Б1 Двигатель 1
КрАЗ 255Б1 Двигатель: система охлаждения 1
КрАЗ 255Б1 Коробка передач 1
КрАЗ 255Б1 Коробка передач 1
КрАЗ 255Б1А Двигатель -
КрАЗ 255Б1А Двигатель 1
КрАЗ 255Б1А Двигатель: система охлаждения 1
КрАЗ 255Б1А Коробка передач 1
КрАЗ 255Б1А Коробка передач 1
КрАЗ 255В1 Двигатель -
КрАЗ 255В1 Двигатель 1
КрАЗ 255В1 Двигатель: система охлаждения 1
КрАЗ 255В1 Коробка передач 1
КрАЗ 255В1 Коробка передач 1
КрАЗ 255Л1 Двигатель -
КрАЗ 255Л1 Двигатель 1
КрАЗ 255Л1 Двигатель: система охлаждения 1
КрАЗ 255Л1 Коробка передач 1
КрАЗ 255Л1 Коробка передач 1
КрАЗ 256Б1 Двигатель 1
КрАЗ 256Б1 Двигатель: система охлаждения 1
КрАЗ 256Б1 Коробка передач 1
КрАЗ 256Б1 Коробка передач 1
КрАЗ 257Б1 Двигатель 1
КрАЗ 257Б1 Двигатель 1
КрАЗ 257Б1 Двигатель: система охлаждения 1
КрАЗ 257Б1 Двигатель: система охлаждения 1
КрАЗ 257Б1 Коробка передач 1
КрАЗ 257Б1 Коробка передач 1
КрАЗ 257Б1А Двигатель 1
КрАЗ 257Б1А Двигатель 1
КрАЗ 257Б1А Двигатель: система охлаждения 1
КрАЗ 257Б1А Двигатель: система охлаждения 1
КрАЗ 257Б1А Коробка передач 1
КрАЗ 257Б1А Коробка передач 1
КрАЗ 258Б1 Двигатель 1
КрАЗ 258Б1 Двигатель 1
КрАЗ 258Б1 Двигатель: система охлаждения 1
КрАЗ 258Б1 Двигатель: система охлаждения 1
КрАЗ 258Б1 Коробка передач 1
КрАЗ 258Б1 Коробка передач 1
КрАЗ 260 Двигатель 1
КрАЗ 260 Двигатель: система охлаждения 2
КрАЗ 260 Коробка передач 1
КрАЗ 260А Двигатель 1
КрАЗ 260А Двигатель: система охлаждения 1
КрАЗ 260А Коробка передач 1
КрАЗ 260В Двигатель 1
КрАЗ 260В Двигатель: система охлаждения 2
КрАЗ 260В Коробка передач 1
КрАЗ 260Г Двигатель 1
КрАЗ 260Г Коробка передач 1
КрАЗ 260Д Двигатель 1
КрАЗ 260Д Коробка передач 1
КрАЗ 260С Двигатель 1
КрАЗ 260С Двигатель: система охлаждения 1
КрАЗ 260С Коробка передач 1
ЛуАЗ 969М Полуось 4
МАЗ 504В Двигатель 1
МАЗ 504В Коробка передач 1
МАЗ 509А Двигатель 1
МАЗ 509А Коробка передач 1
МАЗ 5322 Двигатель 1
МАЗ 5322 Коробка передач 1
МАЗ 5334 Двигатель 1
МАЗ 5334 Коробка передач 1
МАЗ 5335 Двигатель 1
МАЗ 5335 Коробка передач 1
МАЗ 5336 Двигатель -
МАЗ 5336 Двигатель 1
МАЗ 5336 Коробка передач 1
МАЗ 5338 Двигатель 1
МАЗ 5338 Коробка передач 1
МАЗ 537 Двигатель 2
МАЗ 537 Компрессор 1
МАЗ 537Г Двигатель 2
МАЗ 537Г Компрессор 1
МАЗ 538 Двигатель 2
МАЗ 5429 Двигатель 1
МАЗ 5429 Коробка передач 1
МАЗ 543 Двигатель 2
МАЗ 543 Компрессор 1
МАЗ 5430 Двигатель 1
МАЗ 5430 Коробка передач 1
МАЗ 54321 Двигатель 1
МАЗ 54321 Коробка передач 1
МАЗ 54324 Двигатель -
МАЗ 5433 Двигатель 1
МАЗ 5433 Коробка передач 1
МАЗ 54338 Коробка передач -
МАЗ 5434 Двигатель 1
МАЗ 5434 Коробка передач 1
МАЗ 5436 Двигатель -
МАЗ 5450 Коробка передач -
МАЗ 547 Двигатель 2
МАЗ 547 Компрессор 1
МАЗ 5549 Двигатель 1
МАЗ 5549 Коробка передач 1
МАЗ 5551 Двигатель 1
МАЗ 5551 Коробка передач 1
МАЗ 55512 Двигатель 1
МАЗ 55512 Коробка передач 1
МАЗ 55514 Двигатель -
МАЗ 55528 Коробка передач -
МАЗ 5558 Двигатель 1
МАЗ 5558 Коробка передач 1
МАЗ 5560 Двигатель -
МАЗ 5564 Коробка передач -
МАЗ 5573 Коробка передач -
МАЗ 6303 Двигатель 1
МАЗ 6303 Двигатель 1
МАЗ 6303 Коробка передач 1
МАЗ 6422 Двигатель 1
МАЗ 6422 Двигатель 1
МАЗ 6422 Коробка передач 1
МАЗ 64221 Двигатель 1
МАЗ 64221 Двигатель 1
МАЗ 64221 Коробка передач 1
МАЗ 64224 Двигатель 1
МАЗ 64224 Коробка передач 1
МАЗ 64226 Двигатель -
МАЗ 64227 Двигатель 1
МАЗ 64227 Двигатель 1
МАЗ 64227 Коробка передач 1
МАЗ 64229 Двигатель 1
МАЗ 64229 Коробка передач 1
МАЗ 64232 Двигатель -
МАЗ 64240 Коробка передач -
МАЗ 64246 Коробка передач -
МАЗ 642554 Двигатель 1
МАЗ 642554 Коробка передач 1
МАЗ 7310 Двигатель 2
МАЗ 7310 Компрессор 1
МАЗ 73101 Двигатель 2
МАЗ 73101 Компрессор 1
МАЗ 7410 Двигатель 2
МАЗ 7410 Компрессор 1
МАЗ 7410 Коробка раздаточная 2
МоАЗ 546П-Д357П Двигатель 1
МоАЗ 546П-Д357П Коробка передач 1
МоАЗ 6401-9585 Двигатель 1
МоАЗ 6507 Двигатель 1
МоАЗ 7405-9586 Двигатель 1
Мототехника Днепр-11 Коробка передач: вал первичный -
Мототехника Днепр-11 Вал распределительный: опора передняя -
Мототехника Днепр-12 Коробка передач: вал первичный -
Мототехника Днепр-12 Вал распределительный: опора передняя -
Мототехника Днепр-16 Коробка передач: вал первичный -
Мототехника Днепр-16 Вал распределительный: опора передняя -
Мототехника ИЖ-П Звездочка колеса заднего -
Мототехника ИЖ-П2 Звездочка колеса заднего -
Мототехника ИЖ-П3 Звездочка колеса заднего -
Мототехника ИЖ-П4 Звездочка колеса заднего -
Мототехника ИЖ-П5 Звездочка колеса заднего -
Мототехника ИЖ-ПС Звездочка колеса заднего -
Мототехника ИЖ-Ю Вал коленчатый -
Мототехника ИЖ-Ю Звездочка колеса заднего -
Мототехника ИЖ-Ю2 Вал коленчатый -
Мототехника ИЖ-Ю2 Звездочка колеса заднего -
Мототехника ИЖ-Ю3 Вал коленчатый -
Мототехника ИЖ-Ю3 Звездочка колеса заднего -
Мототехника ИЖ-Ю5 Вал коленчатый -
Мототехника ИЖ-Ю5 Звездочка колеса заднего -
Мототехника ИМЗ-8.103-10/40 Вал распределительный: конец передний -
Мототехника ИМЗ-8.103-10/40 Вал коленчатый: подшипники коренные -
Мототехника ИМЗ-8.107 Урал Вал распределительный: конец передний -
Мототехника ИМЗ-8.107 Урал Вал коленчатый: подшипники коренные -
Мототехника ИМЗ-8.123-10 Вал распределительный: конец передний -
Мототехника ИМЗ-8.123-10 Вал коленчатый: подшипники коренные -
Мототехника М67-36 Урал Коробка передач: вал первичный -
Мототехника М67-36 Урал Вал распределительный: конец передний -
Мототехника МТ10-36 Днепр Коробка передач: вал первичный -
Мототехника МТ10-36 Днепр Вал распределительный: опора передняя -
Мототехника Муравей ТГ-200 Вал коленчатый: цапфа левая, опора внутренняя -
Мототехника Муравей ТМЗ-5-402/403 Вал коленчатый: цапфа левая, опора внутренняя -
Мототехника Ява-250 Коробка передач: картер, половина правая -
Мототехника Ява-250 Колесо заднее: барабан шлицевой звездочки -
Мототехника Ява-350 Коробка передач: картер, половина правая -
Мототехника Ява-350 Колесо заднее: барабан шлицевой звездочки -
Приставка кукурузоуборочная ППК-4 Звездочки натяжные -
Приставка кукурузоуборочная ППК-4 Вальцы -
Пункт картофелесортировальный с переборочными столами КСП-25 Транспортер загрузочный ПСШ.08.000: блок шестерен -
Пункт картофелесортировальный с переборочными столами КСП-25 Транспортер загрузочный ПСШ.08.000-01: блок шестерен -
Свеклопогрузчик навесной тракторный СНТ-2.1А Механизм рычажно-кривошипный правый и левый -
Станкостроение Не указано Не указано -
Трактор ДТ-20 Насос топливный 1
Трактор ДТ-20 Двигатель: вал распределительный 1
Трактор ДТ-75 Двигатель: вал коленчатый двигателя пускового, шейка коренная передняя 1
Трактор ДТ-75МВ Двигатель: вал коленчатый двигателя пускового, шейка коренная передняя 1
Трактор ДТ-75МВ Двигатель: привод гидронасоса НШ-10Е-Л 2
Трактор ДТ-75МВ Двигатель: редуктор двигателя пускового 1
Трактор К-701 Двигатель: насос водяной 1
Трактор К-701 Вал ведомый гидромуфты 1
Трактор К-701 Двигатель: вал привода насоса топливного -
Трактор К-701 Двигатель: вал привода насоса топливного 1
Трактор К-701 Система управления поворотом: редуктор конический 4
Трактор МТЗ-100 Дизель: привод насоса гидроусилителя руля -
Трактор МТЗ-102 Дизель: привод насоса гидроусилителя руля -
Трактор МТЗ-2 Двигатель пусковой ПД-10М и ПД-10У: вал коленчатый, опора передняя 1
Трактор МТЗ-5 Двигатель пусковой ПД-10М и ПД-10У: вал коленчатый, опора передняя 1
Трактор МТЗ-50 Управление рулевое: опоры червяка гидроусилителя 2
Трактор МТЗ-50Л Двигатель пусковой ПД-10М и ПД-10У: вал коленчатый, опора передняя 1
Трактор МТЗ-50Л Управление рулевое: опоры червяка гидроусилителя 2
Трактор МТЗ-50ПЛ Двигатель пусковой ПД-10М и ПД-10У: вал коленчатый, опора передняя 1
Трактор МТЗ-50ПЛ Управление рулевое: опоры червяка гидроусилителя 2
Трактор МТЗ-52 Управление рулевое: опоры червяка гидроусилителя 2
Трактор МТЗ-52Л Двигатель пусковой ПД-10М и ПД-10У: вал коленчатый, опора передняя 1
Трактор МТЗ-52Л Управление рулевое: опоры червяка гидроусилителя 2
Трактор МТЗ-5К Двигатель пусковой ПД-10М и ПД-10У: вал коленчатый, опора передняя 1
Трактор МТЗ-5Л Двигатель пусковой ПД-10М и ПД-10У: вал коленчатый, опора передняя 1
Трактор МТЗ-5ЛС Двигатель пусковой ПД-10М и ПД-10У: вал коленчатый, опора передняя 1
Трактор МТЗ-80 Насос НШ 10-3-Л: привод 2
Трактор МТЗ-80 Управление рулевое: червяк гидроусилителя 2
Трактор МТЗ-80Л Двигатель пусковой: вал коленчатый, опора передняя 1
Трактор МТЗ-80Л Насос НШ 10-3-Л: привод 2
Трактор МТЗ-80Л Управление рулевое: червяк гидроусилителя 2
Трактор МТЗ-82 Насос НШ 10-3-Л: привод 2
Трактор МТЗ-82 Управление рулевое: червяк гидроусилителя 2
Трактор МТЗ-82Л Двигатель пусковой: вал коленчатый, опора передняя 1
Трактор МТЗ-82Л Насос НШ 10-3-Л: привод 2
Трактор МТЗ-82Л Управление рулевое: червяк гидроусилителя 2
Трактор Т-012 Коробка передач: вал первичный -
Трактор Т-012 Редуктор: вал первичный -
Трактор Т-012 Вал отбора мощности передний: вал привода -
Трактор Т-012 Вал отбора мощности задний: вал ведомый -
Трактор Т-012 Вал отбора мощности передний -
Трактор Т-012 Насос: вал привода -
Трактор Т-012 Управление рулевое: механизм рулевой -
Трактор Т-150 Двигатель: вал коленчатый двигателя пускового 1
Трактор Т-150К Двигатель: вал коленчатый двигателя пускового 1
Трактор Т-151К с двигателем СМД-62/63 Двигатель, пусковой двигатель: вал коленчатый -
Трактор Т-16 Вал распределительный 1
Трактор Т-40 Двигатель пусковой: вал коленчатый 2
Трактор Т-40А Двигатель пусковой: вал коленчатый 2
Трактор Т-40А Двигатель: вал ведомый механизма передаточного двигателя пускового 1
Трактор Т-40А Двигатель: вал коленчатый двигателя пускового, шейка коренная передняя 1
Трактор Т-40АМ Двигатель пусковой -
Трактор Т-40М Двигатель пусковой -
Трактор Т-4А Двигатель пусковой: редуктор -
Трактор Т-4А Картер шестерен -
Трактор Т-4А Гидронасос НШ-10Е: привод -
Трактор Т-74 Двигатель пусковой -
Трактор Т-75 Двигатель: вал ведомый механизма передаточного двигателя пускового 1
Трактор Т-75 Двигатель: вал коленчатый двигателя пускового, шейка коренная передняя 1
Трактор Т-75 Двигатель: ролик натяжной ремня вентилятора 1
Трактор Т-75 с двигателем СМД-14Г Двигатель: вал коленчатый двигателя пускового, шейка коренная передняя -
Трактор Т-75МВ с двигателем А-41 Двигатель: вал коленчатый двигателя пускового, шейка коренная передняя -
Трактор Т-75МВ с двигателем А-41 Двигатель: привод гидронасоса НШ-10Е-Л -
Трактор Т-75МВ с двигателем А-41 Двигатель: регулятор двигателя пускового -
Трактор ТТ-4М Двигатель: вал коленчатый двигателя пускового, шейка коренная передняя -
Трактор ТТ-4М Насос топливный: валик привода -
Трактор ТТ-4М Гидронасос НШ-10: привод -
Трактор ТТ-4М-01 Двигатель: вал коленчатый двигателя пускового, шейка коренная передняя -
Трактор ТТ-4М-01 Насос топливный: валик привода -
Трактор ТТ-4М-01 Гидронасос НШ-10: привод -
Трактор ЮМЗ-6АЛ Управление рулевое -
Трактор ЮМЗ-6АЛ Двигатель пусковой -
Трактор ЮМЗ-6АМ Управление рулевое -
Трактор ЮМЗ-6АМ Двигатель пусковой -
Трактор ЮМЗ-6КМ Управление рулевое -
Трактор ЮМЗ-6КМ Двигатель пусковой -
Трамвайный вагон КТМ-5М3 Контроллер 1
Трамвайный вагон РВ3-6М2 Контроллер водителя КВ-34Б 1
Трамвайный вагон Т-2 Ускоритель 2
Трамвайный вагон Т-3 Ускоритель 2
УРАЛ 4320 Коробка передач 1
УРАЛ 5557 Коробка передач 1
УРАЛ 5920 Коробка передач 1
Бренд Обозначение
ГПЗ 205
SKF 6205
FAG 6205
NSK 6205
Товар добавлен в корзину
Перейти в корзину ×