Подшипники гост
Интернет-магазин
8-800-250-16-58
Обратный звонок

Заказ обратного звонка




Эл. почта:
info@amost.ru
Свои заказы Корзина пуста





Получать прайс-лист на email:

Чтобы отписаться от рассылки, введите e-mail, на который вы получаете наши письма:

 

Поиск подшипников

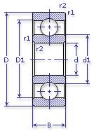
Масса и размеры

Внутренний диаметр d, мм

От  до 

Наружный диаметр D, мм

От  до 

Ширина b, мм

Применяемость

Раздел каталога

Подшипник шариковый радиальный однорядный основного конструктивного исполнения

205 К ГОСТ 520

Отечественный
Импортный
Цена: 29.00 руб

Производитель



в наличии
Обозначение 205 К ГОСТ 520
Цена импортная 25
Новинки N
Хиты продаж N
Скидки N
Внутренний диаметр, d (мм) 25
Наружный диаметр, D (мм) 52
Ширина, В (мм) 15
Масса, m (кг) 0.12
Грузоподъемность динамическая, C (kN) 14
Грузоподъемность статическая, Co (kN) 6.95
Ном. частота вращен. при пластич. смазке, n grease (1/min) 12000
Диаметр шарика, d шарика (мм) 7.938
Количество шариков, N шариков 9
Ном. частота вращен. при жидк. смазке, n oil (1/min) 15000
Диаметр борта наружного кольца, D1(mm) 43.9
Диаметр борта внутреннего кольца, d1 (mm) 33.3
Радиус фаски, r1, r2 min (мм) 1
205 К ГОСТ 520

Этот подшипник может быть заменен другими:

Подшипник 50205 — Условие отсутствует

Подшипник 60205 — При условии демонтажа одной защитной шайбы

Подшипник 160205 — При условии демонтажа одной защитной шайбы

Подшипник 150205 — При условии демонтажа одной защитной шайбы (п/ш с канавкой)

Подшипник 80205 — При условии демонтажа 2-х защитных шайб

Подшипник 180205 — При условии демонтажа 2-х защитных шайб

Подшипник 450205 — При условии демонтажа 2-х защитных шайб

Подшипник 750205 — При условии демонтажа 2-х защитных шайб

Марка Модель Узел Кол-во на узел
Пункт картофелесортировальный с переборочными столами КСП-25 Транспортер распределительный ПСШ.02.000-01: ролик верхний -
Автопогрузчик 4008М Грузоподъемник 1
Автопогрузчик 4014 Грузоподъемник 1
Автопогрузчик 4016 Грузоподъемник 1
Автопогрузчик 4017 Грузоподъемник 1
Автопогрузчик 4043М Грузоподъемник 1
Автопогрузчик 4045Р Грузоподъемник 1
БелАЗ 540А(27т) Генератор: привод 1
БелАЗ 540А(27т) Насос топливный: шестерня 1
БелАЗ 540А(27т) Насос водяной 1
БелАЗ 548(40т) Генератор: привод 1
БелАЗ 548(40т) Насос топливный: шестерня 1
БелАЗ 548(40т) Насос водяной 1
БелАЗ 75211(180т) Генератор-дизель 1
БелАЗ 7522(30т) Генератор: привод 1
БелАЗ 7522(30т) Насос топливный: шестерня 1
БелАЗ 7522(30т) Насос водяной 1
БелАЗ 7523(40т) Генератор: привод 1
БелАЗ 7523(40т) Насос топливный: шестерня 1
БелАЗ 7523(40т) Насос водяной 1
БелАЗ 7548(42т) Генератор: привод 1
ВАЗ 1111 Ока Двигатель: валик уравновешивающий 2
ВАЗ 2101 Коробка передач: вал вторичный 1
ВАЗ 2102 Коробка передач: вал вторичный 1
ВАЗ 2103 Коробка передач: вал вторичный 1
ВАЗ 2104 Коробка передач: вал вторичный 1
ВАЗ 2105 Коробка передач: вал вторичный 1
Подшипники ГАЗ 2106 Коробка передач: вал вторичный 1
Подшипники ГАЗ 2107 Коробка передач: вал вторичный 1
Подшипники ГАЗ 2121 Niva Коробка передач: вал вторичный 1
Зерновой метатель ЗМ-60 Редуктор самохода -
ЗИЛ 131М Двигатель: система питания 2
ЗИЛ 131МВ Двигатель: система питания 2
ЗИЛ 133ВЯ Коробка передач 1
ЗИЛ 133ГЯ Коробка передач 1
ЗИЛ 4331 Двигатель: система питания 2
ЗИЛ 433100 Двигатель: привод насоса топливного 2
ЗИЛ 5301 Бычок Двигатель: система питания 2
ЗИЛ 5301 Бычок Управление рулевое 2
КАЗ 4540 Двигатель 1
КАЗ 4540 Двигатель 1
КамАЗ 4310 Коробка передач 1
КамАЗ 4310 Коробка передач 1
КамАЗ 4310 Управление рулевое 2
КамАЗ 4310 Управление рулевое 2
КамАЗ 43105 Коробка передач 1
КамАЗ 43105 Коробка передач 1
КамАЗ 43105 Управление рулевое 2
КамАЗ 43105 Управление рулевое 2
КамАЗ 5320 Коробка передач 1
КамАЗ 5320 Управление рулевое 2
КамАЗ 5320 Коробка передач: вал ведущий делителя, опора передняя 1
КамАЗ 5320 Управление рулевое: колесо зубчатое редуктора углового, опоры верхняя и нижняя 2
КамАЗ 53211 Коробка передач: вал ведущий делителя, опора передняя 1
КамАЗ 53211 Управление рулевое: колесо зубчатое редуктора углового, опоры верхняя и нижняя 2
КамАЗ 53212 Коробка передач 1
КамАЗ 53212 Управление рулевое 2
КамАЗ 53212 Коробка передач: вал ведущий делителя, опора передняя 1
КамАЗ 53212 Управление рулевое: колесо зубчатое редуктора углового, опоры верхняя и нижняя 2
КамАЗ 53213 Коробка передач 1
КамАЗ 53213 Управление рулевое 2
КамАЗ 53213 Коробка передач: вал ведущий делителя, опора передняя 1
КамАЗ 53213 Управление рулевое: колесо зубчатое редуктора углового, опоры верхняя и нижняя 2
КамАЗ 53222 Коробка передач 1
КамАЗ 53222 Управление рулевое 2
КамАЗ 5325 Коробка передач 1
КамАЗ 5325 Управление рулевое 2
КамАЗ 5410 Коробка передач 1
КамАЗ 5410 Управление рулевое 2
КамАЗ 5410 Коробка передач: вал ведущий делителя, опора передняя 1
КамАЗ 5410 Управление рулевое: колесо зубчатое редуктора углового, опоры верхняя и нижняя 2
КамАЗ 54112 Коробка передач 1
КамАЗ 54112 Управление рулевое 2
КамАЗ 54112 Коробка передач: вал ведущий делителя, опора передняя 1
КамАЗ 54112 Управление рулевое: колесо зубчатое редуктора углового, опоры верхняя и нижняя 2
КамАЗ 54122 Коробка передач 1
КамАЗ 54122 Управление рулевое 2
КамАЗ 5425 Коробка передач 1
КамАЗ 5425 Управление рулевое 2
КамАЗ 55102 Коробка передач 1
КамАЗ 55102 Управление рулевое 2
КамАЗ 55102 Коробка передач: вал ведущий делителя, опора передняя 1
КамАЗ 55102 Управление рулевое: колесо зубчатое редуктора углового, опоры верхняя и нижняя 2
КамАЗ 5511 Коробка передач 1
КамАЗ 5511 Управление рулевое 2
КамАЗ 55111 Коробка передач: вал ведущий делителя, опора передняя 1
КамАЗ 55111 Управление рулевое: колесо зубчатое редуктора углового, опоры верхняя и нижняя 2
КамАЗ 6410 Коробка передач 1
КЗКТ Э538ДК Двигатель 2
КЗКТ Э538ДП Двигатель 2
Комбайн КСКУ-6 Звездочки натяжные -
Комбайн КСКУ-6 Вальцы -
КрАЗ 250 Двигатель 1
КрАЗ 250 Двигатель: система охлаждения 1
КрАЗ 250 Коробка передач 1
КрАЗ 250 Коробка передач 1
КрАЗ 255 Двигатель -
КрАЗ 255 Двигатель 1
КрАЗ 255 Двигатель: система охлаждения 1
КрАЗ 255 Коробка передач 1
КрАЗ 255 Коробка передач 1
КрАЗ 255Б1 Двигатель -
КрАЗ 255Б1 Двигатель 1
КрАЗ 255Б1 Двигатель: система охлаждения 1
КрАЗ 255Б1 Коробка передач 1
КрАЗ 255Б1 Коробка передач 1
КрАЗ 255Б1А Двигатель -
КрАЗ 255Б1А Двигатель 1
КрАЗ 255Б1А Двигатель: система охлаждения 1
КрАЗ 255Б1А Коробка передач 1
КрАЗ 255Б1А Коробка передач 1
КрАЗ 255В1 Двигатель -
КрАЗ 255В1 Двигатель 1
КрАЗ 255В1 Двигатель: система охлаждения 1
КрАЗ 255В1 Коробка передач 1
КрАЗ 255В1 Коробка передач 1
КрАЗ 255Л1 Двигатель -
КрАЗ 255Л1 Двигатель 1
КрАЗ 255Л1 Двигатель: система охлаждения 1
КрАЗ 255Л1 Коробка передач 1
КрАЗ 255Л1 Коробка передач 1
КрАЗ 256Б1 Двигатель 1
КрАЗ 256Б1 Двигатель: система охлаждения 1
КрАЗ 256Б1 Коробка передач 1
КрАЗ 256Б1 Коробка передач 1
КрАЗ 257Б1 Двигатель 1
КрАЗ 257Б1 Двигатель 1
КрАЗ 257Б1 Двигатель: система охлаждения 1
КрАЗ 257Б1 Двигатель: система охлаждения 1
КрАЗ 257Б1 Коробка передач 1
КрАЗ 257Б1 Коробка передач 1
КрАЗ 257Б1А Двигатель 1
КрАЗ 257Б1А Двигатель 1
КрАЗ 257Б1А Двигатель: система охлаждения 1
КрАЗ 257Б1А Двигатель: система охлаждения 1
КрАЗ 257Б1А Коробка передач 1
КрАЗ 257Б1А Коробка передач 1
КрАЗ 258Б1 Двигатель 1
КрАЗ 258Б1 Двигатель 1
КрАЗ 258Б1 Двигатель: система охлаждения 1
КрАЗ 258Б1 Двигатель: система охлаждения 1
КрАЗ 258Б1 Коробка передач 1
КрАЗ 258Б1 Коробка передач 1
КрАЗ 260 Двигатель 1
КрАЗ 260 Двигатель: система охлаждения 2
КрАЗ 260 Коробка передач 1
КрАЗ 260А Двигатель 1
КрАЗ 260А Двигатель: система охлаждения 1
КрАЗ 260А Коробка передач 1
КрАЗ 260В Двигатель 1
КрАЗ 260В Двигатель: система охлаждения 2
КрАЗ 260В Коробка передач 1
КрАЗ 260Г Двигатель 1
КрАЗ 260Г Коробка передач 1
КрАЗ 260Д Двигатель 1
КрАЗ 260Д Коробка передач 1
КрАЗ 260С Двигатель 1
КрАЗ 260С Двигатель: система охлаждения 1
КрАЗ 260С Коробка передач 1
ЛуАЗ 969М Полуось 4
МАЗ 504В Двигатель 1
МАЗ 504В Коробка передач 1
МАЗ 509А Двигатель 1
МАЗ 509А Коробка передач 1
МАЗ 5322 Двигатель 1
МАЗ 5322 Коробка передач 1
МАЗ 5334 Двигатель 1
МАЗ 5334 Коробка передач 1
МАЗ 5335 Двигатель 1
МАЗ 5335 Коробка передач 1
МАЗ 5336 Двигатель -
МАЗ 5336 Двигатель 1
МАЗ 5336 Коробка передач 1
МАЗ 5338 Двигатель 1
МАЗ 5338 Коробка передач 1
МАЗ 537 Двигатель 2
МАЗ 537 Компрессор 1
МАЗ 537Г Двигатель 2
МАЗ 537Г Компрессор 1
МАЗ 538 Двигатель 2
МАЗ 5429 Двигатель 1
МАЗ 5429 Коробка передач 1
МАЗ 543 Двигатель 2
МАЗ 543 Компрессор 1
МАЗ 5430 Двигатель 1
МАЗ 5430 Коробка передач 1
МАЗ 54321 Двигатель 1
МАЗ 54321 Коробка передач 1
МАЗ 54324 Двигатель -
МАЗ 5433 Двигатель 1
МАЗ 5433 Коробка передач 1
МАЗ 54338 Коробка передач -
МАЗ 5434 Двигатель 1
МАЗ 5434 Коробка передач 1
МАЗ 5436 Двигатель -
МАЗ 5450 Коробка передач -
МАЗ 547 Двигатель 2
МАЗ 547 Компрессор 1
МАЗ 5549 Двигатель 1
МАЗ 5549 Коробка передач 1
МАЗ 5551 Двигатель 1
МАЗ 5551 Коробка передач 1
МАЗ 55512 Двигатель 1
МАЗ 55512 Коробка передач 1
МАЗ 55514 Двигатель -
МАЗ 55528 Коробка передач -
МАЗ 5558 Двигатель 1
МАЗ 5558 Коробка передач 1
МАЗ 5560 Двигатель -
МАЗ 5564 Коробка передач -
МАЗ 5573 Коробка передач -
МАЗ 6303 Двигатель 1
МАЗ 6303 Двигатель 1
МАЗ 6303 Коробка передач 1
МАЗ 6422 Двигатель 1
МАЗ 6422 Двигатель 1
МАЗ 6422 Коробка передач 1
МАЗ 64221 Двигатель 1
МАЗ 64221 Двигатель 1
МАЗ 64221 Коробка передач 1
МАЗ 64224 Двигатель 1
МАЗ 64224 Коробка передач 1
МАЗ 64226 Двигатель -
МАЗ 64227 Двигатель 1
МАЗ 64227 Двигатель 1
МАЗ 64227 Коробка передач 1
МАЗ 64229 Двигатель 1
МАЗ 64229 Коробка передач 1
МАЗ 64232 Двигатель -
МАЗ 64240 Коробка передач -
МАЗ 64246 Коробка передач -
МАЗ 642554 Двигатель 1
МАЗ 642554 Коробка передач 1
МАЗ 7310 Двигатель 2
МАЗ 7310 Компрессор 1
МАЗ 73101 Двигатель 2
МАЗ 73101 Компрессор 1
МАЗ 7410 Двигатель 2
МАЗ 7410 Компрессор 1
МАЗ 7410 Коробка раздаточная 2
МоАЗ 546П-Д357П Двигатель 1
МоАЗ 546П-Д357П Коробка передач 1
МоАЗ 6401-9585 Двигатель 1
МоАЗ 6507 Двигатель 1
МоАЗ 7405-9586 Двигатель 1
Мототехника Днепр-11 Коробка передач: вал первичный -
Мототехника Днепр-11 Вал распределительный: опора передняя -
Мототехника Днепр-12 Коробка передач: вал первичный -
Мототехника Днепр-12 Вал распределительный: опора передняя -
Мототехника Днепр-16 Коробка передач: вал первичный -
Мототехника Днепр-16 Вал распределительный: опора передняя -
Мототехника ИЖ-П Звездочка колеса заднего -
Мототехника ИЖ-П2 Звездочка колеса заднего -
Мототехника ИЖ-П3 Звездочка колеса заднего -
Мототехника ИЖ-П4 Звездочка колеса заднего -
Мототехника ИЖ-П5 Звездочка колеса заднего -
Мототехника ИЖ-ПС Звездочка колеса заднего -
Мототехника ИЖ-Ю Вал коленчатый -
Мототехника ИЖ-Ю Звездочка колеса заднего -
Мототехника ИЖ-Ю2 Вал коленчатый -
Мототехника ИЖ-Ю2 Звездочка колеса заднего -
Мототехника ИЖ-Ю3 Вал коленчатый -
Мототехника ИЖ-Ю3 Звездочка колеса заднего -
Мототехника ИЖ-Ю5 Вал коленчатый -
Мототехника ИЖ-Ю5 Звездочка колеса заднего -
Мототехника ИМЗ-8.103-10/40 Вал распределительный: конец передний -
Мототехника ИМЗ-8.103-10/40 Вал коленчатый: подшипники коренные -
Мототехника ИМЗ-8.107 Урал Вал распределительный: конец передний -
Мототехника ИМЗ-8.107 Урал Вал коленчатый: подшипники коренные -
Мототехника ИМЗ-8.123-10 Вал распределительный: конец передний -
Мототехника ИМЗ-8.123-10 Вал коленчатый: подшипники коренные -
Мототехника М67-36 Урал Коробка передач: вал первичный -
Мототехника М67-36 Урал Вал распределительный: конец передний -
Мототехника МТ10-36 Днепр Коробка передач: вал первичный -
Мототехника МТ10-36 Днепр Вал распределительный: опора передняя -
Мототехника Муравей ТГ-200 Вал коленчатый: цапфа левая, опора внутренняя -
Мототехника Муравей ТМЗ-5-402/403 Вал коленчатый: цапфа левая, опора внутренняя -
Мототехника Ява-250 Коробка передач: картер, половина правая -
Мототехника Ява-250 Колесо заднее: барабан шлицевой звездочки -
Мототехника Ява-350 Коробка передач: картер, половина правая -
Мототехника Ява-350 Колесо заднее: барабан шлицевой звездочки -
Приставка кукурузоуборочная ППК-4 Звездочки натяжные -
Приставка кукурузоуборочная ППК-4 Вальцы -
Пункт картофелесортировальный с переборочными столами КСП-25 Транспортер загрузочный ПСШ.08.000: блок шестерен -
Пункт картофелесортировальный с переборочными столами КСП-25 Транспортер загрузочный ПСШ.08.000-01: блок шестерен -
Свеклопогрузчик навесной тракторный СНТ-2.1А Механизм рычажно-кривошипный правый и левый -
Станкостроение Не указано Не указано -
Трактор ДТ-20 Насос топливный 1
Трактор ДТ-20 Двигатель: вал распределительный 1
Трактор ДТ-75 Двигатель: вал коленчатый двигателя пускового, шейка коренная передняя 1
Трактор ДТ-75МВ Двигатель: вал коленчатый двигателя пускового, шейка коренная передняя 1
Трактор ДТ-75МВ Двигатель: привод гидронасоса НШ-10Е-Л 2
Трактор ДТ-75МВ Двигатель: редуктор двигателя пускового 1
Трактор К-701 Двигатель: насос водяной 1
Трактор К-701 Вал ведомый гидромуфты 1
Трактор К-701 Двигатель: вал привода насоса топливного -
Трактор К-701 Двигатель: вал привода насоса топливного 1
Трактор К-701 Система управления поворотом: редуктор конический 4
Трактор МТЗ-100 Дизель: привод насоса гидроусилителя руля -
Трактор МТЗ-102 Дизель: привод насоса гидроусилителя руля -
Трактор МТЗ-2 Двигатель пусковой ПД-10М и ПД-10У: вал коленчатый, опора передняя 1
Трактор МТЗ-5 Двигатель пусковой ПД-10М и ПД-10У: вал коленчатый, опора передняя 1
Трактор МТЗ-50 Управление рулевое: опоры червяка гидроусилителя 2
Трактор МТЗ-50Л Двигатель пусковой ПД-10М и ПД-10У: вал коленчатый, опора передняя 1
Трактор МТЗ-50Л Управление рулевое: опоры червяка гидроусилителя 2
Трактор МТЗ-50ПЛ Двигатель пусковой ПД-10М и ПД-10У: вал коленчатый, опора передняя 1
Трактор МТЗ-50ПЛ Управление рулевое: опоры червяка гидроусилителя 2
Трактор МТЗ-52 Управление рулевое: опоры червяка гидроусилителя 2
Трактор МТЗ-52Л Двигатель пусковой ПД-10М и ПД-10У: вал коленчатый, опора передняя 1
Трактор МТЗ-52Л Управление рулевое: опоры червяка гидроусилителя 2
Трактор МТЗ-5К Двигатель пусковой ПД-10М и ПД-10У: вал коленчатый, опора передняя 1
Трактор МТЗ-5Л Двигатель пусковой ПД-10М и ПД-10У: вал коленчатый, опора передняя 1
Трактор МТЗ-5ЛС Двигатель пусковой ПД-10М и ПД-10У: вал коленчатый, опора передняя 1
Трактор МТЗ-80 Насос НШ 10-3-Л: привод 2
Трактор МТЗ-80 Управление рулевое: червяк гидроусилителя 2
Трактор МТЗ-80Л Двигатель пусковой: вал коленчатый, опора передняя 1
Трактор МТЗ-80Л Насос НШ 10-3-Л: привод 2
Трактор МТЗ-80Л Управление рулевое: червяк гидроусилителя 2
Трактор МТЗ-82 Насос НШ 10-3-Л: привод 2
Трактор МТЗ-82 Управление рулевое: червяк гидроусилителя 2
Трактор МТЗ-82Л Двигатель пусковой: вал коленчатый, опора передняя 1
Трактор МТЗ-82Л Насос НШ 10-3-Л: привод 2
Трактор МТЗ-82Л Управление рулевое: червяк гидроусилителя 2
Трактор Т-012 Коробка передач: вал первичный -
Трактор Т-012 Редуктор: вал первичный -
Трактор Т-012 Вал отбора мощности передний: вал привода -
Трактор Т-012 Вал отбора мощности задний: вал ведомый -
Трактор Т-012 Вал отбора мощности передний -
Трактор Т-012 Насос: вал привода -
Трактор Т-012 Управление рулевое: механизм рулевой -
Трактор Т-150 Двигатель: вал коленчатый двигателя пускового 1
Трактор Т-150К Двигатель: вал коленчатый двигателя пускового 1
Трактор Т-151К с двигателем СМД-62/63 Двигатель, пусковой двигатель: вал коленчатый -
Трактор Т-16 Вал распределительный 1
Трактор Т-40 Двигатель пусковой: вал коленчатый 2
Трактор Т-40А Двигатель пусковой: вал коленчатый 2
Трактор Т-40А Двигатель: вал ведомый механизма передаточного двигателя пускового 1
Трактор Т-40А Двигатель: вал коленчатый двигателя пускового, шейка коренная передняя 1
Трактор Т-40АМ Двигатель пусковой -
Трактор Т-40М Двигатель пусковой -
Трактор Т-4А Двигатель пусковой: редуктор -
Трактор Т-4А Картер шестерен -
Трактор Т-4А Гидронасос НШ-10Е: привод -
Трактор Т-74 Двигатель пусковой -
Трактор Т-75 Двигатель: вал ведомый механизма передаточного двигателя пускового 1
Трактор Т-75 Двигатель: вал коленчатый двигателя пускового, шейка коренная передняя 1
Трактор Т-75 Двигатель: ролик натяжной ремня вентилятора 1
Трактор Т-75 с двигателем СМД-14Г Двигатель: вал коленчатый двигателя пускового, шейка коренная передняя -
Трактор Т-75МВ с двигателем А-41 Двигатель: вал коленчатый двигателя пускового, шейка коренная передняя -
Трактор Т-75МВ с двигателем А-41 Двигатель: привод гидронасоса НШ-10Е-Л -
Трактор Т-75МВ с двигателем А-41 Двигатель: регулятор двигателя пускового -
Трактор ТТ-4М Двигатель: вал коленчатый двигателя пускового, шейка коренная передняя -
Трактор ТТ-4М Насос топливный: валик привода -
Трактор ТТ-4М Гидронасос НШ-10: привод -
Трактор ТТ-4М-01 Двигатель: вал коленчатый двигателя пускового, шейка коренная передняя -
Трактор ТТ-4М-01 Насос топливный: валик привода -
Трактор ТТ-4М-01 Гидронасос НШ-10: привод -
Трактор ЮМЗ-6АЛ Управление рулевое -
Трактор ЮМЗ-6АЛ Двигатель пусковой -
Трактор ЮМЗ-6АМ Управление рулевое -
Трактор ЮМЗ-6АМ Двигатель пусковой -
Трактор ЮМЗ-6КМ Управление рулевое -
Трактор ЮМЗ-6КМ Двигатель пусковой -
Трамвайный вагон КТМ-5М3 Контроллер 1
Трамвайный вагон РВ3-6М2 Контроллер водителя КВ-34Б 1
Трамвайный вагон Т-2 Ускоритель 2
Трамвайный вагон Т-3 Ускоритель 2
УРАЛ 4320 Коробка передач 1
УРАЛ 5557 Коробка передач 1
УРАЛ 5920 Коробка передач 1
Бренд Обозначение
ГПЗ 205
SKF 6205
FAG 6205
NSK 6205
Товар добавлен в корзину
Перейти в корзину ×