205 ТУ 37.006.068
| Обозначение | 205 ТУ 37.006.068 |
|---|---|
| Цена импортная | 25 |
| Новинки | N |
| Хиты продаж | N |
| Скидки | N |
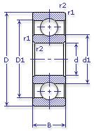
| Внутренний диаметр, d (мм) | 25 |
| Наружный диаметр, D (мм) | 52 |
| Ширина, В (мм) | 15 |
| Масса, m (кг) | 0.12 |
| Грузоподъемность динамическая, C (kN) | 14 |
| Грузоподъемность статическая, Co (kN) | 6.95 |
| Ном. частота вращен. при пластич. смазке, n grease (1/min) | 12000 |
| Диаметр шарика, d шарика (мм) | 7.938 |
| Количество шариков, N шариков | 9 |
| Ном. частота вращен. при жидк. смазке, n oil (1/min) | 15000 |
| Диаметр борта наружного кольца, D1(mm) | 43.9 |
| Диаметр борта внутреннего кольца, d1 (mm) | 33.3 |
| Радиус фаски, r1, r2 min (мм) | 1 |
Этот подшипник может быть заменен другими:
Подшипник 50205 — Условие отсутствует
Подшипник 60205 — При условии демонтажа одной защитной шайбы
Подшипник 160205 — При условии демонтажа одной защитной шайбы
Подшипник 150205 — При условии демонтажа одной защитной шайбы (п/ш с канавкой)
Подшипник 80205 — При условии демонтажа 2-х защитных шайб
Подшипник 180205 — При условии демонтажа 2-х защитных шайб
Подшипник 450205 — При условии демонтажа 2-х защитных шайб
Подшипник 750205 — При условии демонтажа 2-х защитных шайб
| Марка | Модель | Узел | Кол-во на узел |
|---|---|---|---|
| Пункт картофелесортировальный с переборочными столами | КСП-25 | Транспортер распределительный ПСШ.02.000-01: ролик верхний | - |
| Автопогрузчик | 4008М | Грузоподъемник | 1 |
| Автопогрузчик | 4014 | Грузоподъемник | 1 |
| Автопогрузчик | 4016 | Грузоподъемник | 1 |
| Автопогрузчик | 4017 | Грузоподъемник | 1 |
| Автопогрузчик | 4043М | Грузоподъемник | 1 |
| Автопогрузчик | 4045Р | Грузоподъемник | 1 |
| БелАЗ | 540А(27т) | Генератор: привод | 1 |
| БелАЗ | 540А(27т) | Насос топливный: шестерня | 1 |
| БелАЗ | 540А(27т) | Насос водяной | 1 |
| БелАЗ | 548(40т) | Генератор: привод | 1 |
| БелАЗ | 548(40т) | Насос топливный: шестерня | 1 |
| БелАЗ | 548(40т) | Насос водяной | 1 |
| БелАЗ | 75211(180т) | Генератор-дизель | 1 |
| БелАЗ | 7522(30т) | Генератор: привод | 1 |
| БелАЗ | 7522(30т) | Насос топливный: шестерня | 1 |
| БелАЗ | 7522(30т) | Насос водяной | 1 |
| БелАЗ | 7523(40т) | Генератор: привод | 1 |
| БелАЗ | 7523(40т) | Насос топливный: шестерня | 1 |
| БелАЗ | 7523(40т) | Насос водяной | 1 |
| БелАЗ | 7548(42т) | Генератор: привод | 1 |
| ВАЗ | 1111 Ока | Двигатель: валик уравновешивающий | 2 |
| ВАЗ | 2101 | Коробка передач: вал вторичный | 1 |
| ВАЗ | 2102 | Коробка передач: вал вторичный | 1 |
| ВАЗ | 2103 | Коробка передач: вал вторичный | 1 |
| ВАЗ | 2104 | Коробка передач: вал вторичный | 1 |
| ВАЗ | 2105 | Коробка передач: вал вторичный | 1 |
| Подшипники ГАЗ | 2106 | Коробка передач: вал вторичный | 1 |
| Подшипники ГАЗ | 2107 | Коробка передач: вал вторичный | 1 |
| Подшипники ГАЗ | 2121 Niva | Коробка передач: вал вторичный | 1 |
| Зерновой метатель | ЗМ-60 | Редуктор самохода | - |
| ЗИЛ | 131М | Двигатель: система питания | 2 |
| ЗИЛ | 131МВ | Двигатель: система питания | 2 |
| ЗИЛ | 133ВЯ | Коробка передач | 1 |
| ЗИЛ | 133ГЯ | Коробка передач | 1 |
| ЗИЛ | 4331 | Двигатель: система питания | 2 |
| ЗИЛ | 433100 | Двигатель: привод насоса топливного | 2 |
| ЗИЛ | 5301 Бычок | Двигатель: система питания | 2 |
| ЗИЛ | 5301 Бычок | Управление рулевое | 2 |
| КАЗ | 4540 | Двигатель | 1 |
| КАЗ | 4540 | Двигатель | 1 |
| КамАЗ | 4310 | Коробка передач | 1 |
| КамАЗ | 4310 | Коробка передач | 1 |
| КамАЗ | 4310 | Управление рулевое | 2 |
| КамАЗ | 4310 | Управление рулевое | 2 |
| КамАЗ | 43105 | Коробка передач | 1 |
| КамАЗ | 43105 | Коробка передач | 1 |
| КамАЗ | 43105 | Управление рулевое | 2 |
| КамАЗ | 43105 | Управление рулевое | 2 |
| КамАЗ | 5320 | Коробка передач | 1 |
| КамАЗ | 5320 | Управление рулевое | 2 |
| КамАЗ | 5320 | Коробка передач: вал ведущий делителя, опора передняя | 1 |
| КамАЗ | 5320 | Управление рулевое: колесо зубчатое редуктора углового, опоры верхняя и нижняя | 2 |
| КамАЗ | 53211 | Коробка передач: вал ведущий делителя, опора передняя | 1 |
| КамАЗ | 53211 | Управление рулевое: колесо зубчатое редуктора углового, опоры верхняя и нижняя | 2 |
| КамАЗ | 53212 | Коробка передач | 1 |
| КамАЗ | 53212 | Управление рулевое | 2 |
| КамАЗ | 53212 | Коробка передач: вал ведущий делителя, опора передняя | 1 |
| КамАЗ | 53212 | Управление рулевое: колесо зубчатое редуктора углового, опоры верхняя и нижняя | 2 |
| КамАЗ | 53213 | Коробка передач | 1 |
| КамАЗ | 53213 | Управление рулевое | 2 |
| КамАЗ | 53213 | Коробка передач: вал ведущий делителя, опора передняя | 1 |
| КамАЗ | 53213 | Управление рулевое: колесо зубчатое редуктора углового, опоры верхняя и нижняя | 2 |
| КамАЗ | 53222 | Коробка передач | 1 |
| КамАЗ | 53222 | Управление рулевое | 2 |
| КамАЗ | 5325 | Коробка передач | 1 |
| КамАЗ | 5325 | Управление рулевое | 2 |
| КамАЗ | 5410 | Коробка передач | 1 |
| КамАЗ | 5410 | Управление рулевое | 2 |
| КамАЗ | 5410 | Коробка передач: вал ведущий делителя, опора передняя | 1 |
| КамАЗ | 5410 | Управление рулевое: колесо зубчатое редуктора углового, опоры верхняя и нижняя | 2 |
| КамАЗ | 54112 | Коробка передач | 1 |
| КамАЗ | 54112 | Управление рулевое | 2 |
| КамАЗ | 54112 | Коробка передач: вал ведущий делителя, опора передняя | 1 |
| КамАЗ | 54112 | Управление рулевое: колесо зубчатое редуктора углового, опоры верхняя и нижняя | 2 |
| КамАЗ | 54122 | Коробка передач | 1 |
| КамАЗ | 54122 | Управление рулевое | 2 |
| КамАЗ | 5425 | Коробка передач | 1 |
| КамАЗ | 5425 | Управление рулевое | 2 |
| КамАЗ | 55102 | Коробка передач | 1 |
| КамАЗ | 55102 | Управление рулевое | 2 |
| КамАЗ | 55102 | Коробка передач: вал ведущий делителя, опора передняя | 1 |
| КамАЗ | 55102 | Управление рулевое: колесо зубчатое редуктора углового, опоры верхняя и нижняя | 2 |
| КамАЗ | 5511 | Коробка передач | 1 |
| КамАЗ | 5511 | Управление рулевое | 2 |
| КамАЗ | 55111 | Коробка передач: вал ведущий делителя, опора передняя | 1 |
| КамАЗ | 55111 | Управление рулевое: колесо зубчатое редуктора углового, опоры верхняя и нижняя | 2 |
| КамАЗ | 6410 | Коробка передач | 1 |
| КЗКТ | Э538ДК | Двигатель | 2 |
| КЗКТ | Э538ДП | Двигатель | 2 |
| Комбайн | КСКУ-6 | Звездочки натяжные | - |
| Комбайн | КСКУ-6 | Вальцы | - |
| КрАЗ | 250 | Двигатель | 1 |
| КрАЗ | 250 | Двигатель: система охлаждения | 1 |
| КрАЗ | 250 | Коробка передач | 1 |
| КрАЗ | 250 | Коробка передач | 1 |
| КрАЗ | 255 | Двигатель | - |
| КрАЗ | 255 | Двигатель | 1 |
| КрАЗ | 255 | Двигатель: система охлаждения | 1 |
| КрАЗ | 255 | Коробка передач | 1 |
| КрАЗ | 255 | Коробка передач | 1 |
| КрАЗ | 255Б1 | Двигатель | - |
| КрАЗ | 255Б1 | Двигатель | 1 |
| КрАЗ | 255Б1 | Двигатель: система охлаждения | 1 |
| КрАЗ | 255Б1 | Коробка передач | 1 |
| КрАЗ | 255Б1 | Коробка передач | 1 |
| КрАЗ | 255Б1А | Двигатель | - |
| КрАЗ | 255Б1А | Двигатель | 1 |
| КрАЗ | 255Б1А | Двигатель: система охлаждения | 1 |
| КрАЗ | 255Б1А | Коробка передач | 1 |
| КрАЗ | 255Б1А | Коробка передач | 1 |
| КрАЗ | 255В1 | Двигатель | - |
| КрАЗ | 255В1 | Двигатель | 1 |
| КрАЗ | 255В1 | Двигатель: система охлаждения | 1 |
| КрАЗ | 255В1 | Коробка передач | 1 |
| КрАЗ | 255В1 | Коробка передач | 1 |
| КрАЗ | 255Л1 | Двигатель | - |
| КрАЗ | 255Л1 | Двигатель | 1 |
| КрАЗ | 255Л1 | Двигатель: система охлаждения | 1 |
| КрАЗ | 255Л1 | Коробка передач | 1 |
| КрАЗ | 255Л1 | Коробка передач | 1 |
| КрАЗ | 256Б1 | Двигатель | 1 |
| КрАЗ | 256Б1 | Двигатель: система охлаждения | 1 |
| КрАЗ | 256Б1 | Коробка передач | 1 |
| КрАЗ | 256Б1 | Коробка передач | 1 |
| КрАЗ | 257Б1 | Двигатель | 1 |
| КрАЗ | 257Б1 | Двигатель | 1 |
| КрАЗ | 257Б1 | Двигатель: система охлаждения | 1 |
| КрАЗ | 257Б1 | Двигатель: система охлаждения | 1 |
| КрАЗ | 257Б1 | Коробка передач | 1 |
| КрАЗ | 257Б1 | Коробка передач | 1 |
| КрАЗ | 257Б1А | Двигатель | 1 |
| КрАЗ | 257Б1А | Двигатель | 1 |
| КрАЗ | 257Б1А | Двигатель: система охлаждения | 1 |
| КрАЗ | 257Б1А | Двигатель: система охлаждения | 1 |
| КрАЗ | 257Б1А | Коробка передач | 1 |
| КрАЗ | 257Б1А | Коробка передач | 1 |
| КрАЗ | 258Б1 | Двигатель | 1 |
| КрАЗ | 258Б1 | Двигатель | 1 |
| КрАЗ | 258Б1 | Двигатель: система охлаждения | 1 |
| КрАЗ | 258Б1 | Двигатель: система охлаждения | 1 |
| КрАЗ | 258Б1 | Коробка передач | 1 |
| КрАЗ | 258Б1 | Коробка передач | 1 |
| КрАЗ | 260 | Двигатель | 1 |
| КрАЗ | 260 | Двигатель: система охлаждения | 2 |
| КрАЗ | 260 | Коробка передач | 1 |
| КрАЗ | 260А | Двигатель | 1 |
| КрАЗ | 260А | Двигатель: система охлаждения | 1 |
| КрАЗ | 260А | Коробка передач | 1 |
| КрАЗ | 260В | Двигатель | 1 |
| КрАЗ | 260В | Двигатель: система охлаждения | 2 |
| КрАЗ | 260В | Коробка передач | 1 |
| КрАЗ | 260Г | Двигатель | 1 |
| КрАЗ | 260Г | Коробка передач | 1 |
| КрАЗ | 260Д | Двигатель | 1 |
| КрАЗ | 260Д | Коробка передач | 1 |
| КрАЗ | 260С | Двигатель | 1 |
| КрАЗ | 260С | Двигатель: система охлаждения | 1 |
| КрАЗ | 260С | Коробка передач | 1 |
| ЛуАЗ | 969М | Полуось | 4 |
| МАЗ | 504В | Двигатель | 1 |
| МАЗ | 504В | Коробка передач | 1 |
| МАЗ | 509А | Двигатель | 1 |
| МАЗ | 509А | Коробка передач | 1 |
| МАЗ | 5322 | Двигатель | 1 |
| МАЗ | 5322 | Коробка передач | 1 |
| МАЗ | 5334 | Двигатель | 1 |
| МАЗ | 5334 | Коробка передач | 1 |
| МАЗ | 5335 | Двигатель | 1 |
| МАЗ | 5335 | Коробка передач | 1 |
| МАЗ | 5336 | Двигатель | - |
| МАЗ | 5336 | Двигатель | 1 |
| МАЗ | 5336 | Коробка передач | 1 |
| МАЗ | 5338 | Двигатель | 1 |
| МАЗ | 5338 | Коробка передач | 1 |
| МАЗ | 537 | Двигатель | 2 |
| МАЗ | 537 | Компрессор | 1 |
| МАЗ | 537Г | Двигатель | 2 |
| МАЗ | 537Г | Компрессор | 1 |
| МАЗ | 538 | Двигатель | 2 |
| МАЗ | 5429 | Двигатель | 1 |
| МАЗ | 5429 | Коробка передач | 1 |
| МАЗ | 543 | Двигатель | 2 |
| МАЗ | 543 | Компрессор | 1 |
| МАЗ | 5430 | Двигатель | 1 |
| МАЗ | 5430 | Коробка передач | 1 |
| МАЗ | 54321 | Двигатель | 1 |
| МАЗ | 54321 | Коробка передач | 1 |
| МАЗ | 54324 | Двигатель | - |
| МАЗ | 5433 | Двигатель | 1 |
| МАЗ | 5433 | Коробка передач | 1 |
| МАЗ | 54338 | Коробка передач | - |
| МАЗ | 5434 | Двигатель | 1 |
| МАЗ | 5434 | Коробка передач | 1 |
| МАЗ | 5436 | Двигатель | - |
| МАЗ | 5450 | Коробка передач | - |
| МАЗ | 547 | Двигатель | 2 |
| МАЗ | 547 | Компрессор | 1 |
| МАЗ | 5549 | Двигатель | 1 |
| МАЗ | 5549 | Коробка передач | 1 |
| МАЗ | 5551 | Двигатель | 1 |
| МАЗ | 5551 | Коробка передач | 1 |
| МАЗ | 55512 | Двигатель | 1 |
| МАЗ | 55512 | Коробка передач | 1 |
| МАЗ | 55514 | Двигатель | - |
| МАЗ | 55528 | Коробка передач | - |
| МАЗ | 5558 | Двигатель | 1 |
| МАЗ | 5558 | Коробка передач | 1 |
| МАЗ | 5560 | Двигатель | - |
| МАЗ | 5564 | Коробка передач | - |
| МАЗ | 5573 | Коробка передач | - |
| МАЗ | 6303 | Двигатель | 1 |
| МАЗ | 6303 | Двигатель | 1 |
| МАЗ | 6303 | Коробка передач | 1 |
| МАЗ | 6422 | Двигатель | 1 |
| МАЗ | 6422 | Двигатель | 1 |
| МАЗ | 6422 | Коробка передач | 1 |
| МАЗ | 64221 | Двигатель | 1 |
| МАЗ | 64221 | Двигатель | 1 |
| МАЗ | 64221 | Коробка передач | 1 |
| МАЗ | 64224 | Двигатель | 1 |
| МАЗ | 64224 | Коробка передач | 1 |
| МАЗ | 64226 | Двигатель | - |
| МАЗ | 64227 | Двигатель | 1 |
| МАЗ | 64227 | Двигатель | 1 |
| МАЗ | 64227 | Коробка передач | 1 |
| МАЗ | 64229 | Двигатель | 1 |
| МАЗ | 64229 | Коробка передач | 1 |
| МАЗ | 64232 | Двигатель | - |
| МАЗ | 64240 | Коробка передач | - |
| МАЗ | 64246 | Коробка передач | - |
| МАЗ | 642554 | Двигатель | 1 |
| МАЗ | 642554 | Коробка передач | 1 |
| МАЗ | 7310 | Двигатель | 2 |
| МАЗ | 7310 | Компрессор | 1 |
| МАЗ | 73101 | Двигатель | 2 |
| МАЗ | 73101 | Компрессор | 1 |
| МАЗ | 7410 | Двигатель | 2 |
| МАЗ | 7410 | Компрессор | 1 |
| МАЗ | 7410 | Коробка раздаточная | 2 |
| МоАЗ | 546П-Д357П | Двигатель | 1 |
| МоАЗ | 546П-Д357П | Коробка передач | 1 |
| МоАЗ | 6401-9585 | Двигатель | 1 |
| МоАЗ | 6507 | Двигатель | 1 |
| МоАЗ | 7405-9586 | Двигатель | 1 |
| Мототехника | Днепр-11 | Коробка передач: вал первичный | - |
| Мототехника | Днепр-11 | Вал распределительный: опора передняя | - |
| Мототехника | Днепр-12 | Коробка передач: вал первичный | - |
| Мототехника | Днепр-12 | Вал распределительный: опора передняя | - |
| Мототехника | Днепр-16 | Коробка передач: вал первичный | - |
| Мототехника | Днепр-16 | Вал распределительный: опора передняя | - |
| Мототехника | ИЖ-П | Звездочка колеса заднего | - |
| Мототехника | ИЖ-П2 | Звездочка колеса заднего | - |
| Мототехника | ИЖ-П3 | Звездочка колеса заднего | - |
| Мототехника | ИЖ-П4 | Звездочка колеса заднего | - |
| Мототехника | ИЖ-П5 | Звездочка колеса заднего | - |
| Мототехника | ИЖ-ПС | Звездочка колеса заднего | - |
| Мототехника | ИЖ-Ю | Вал коленчатый | - |
| Мототехника | ИЖ-Ю | Звездочка колеса заднего | - |
| Мототехника | ИЖ-Ю2 | Вал коленчатый | - |
| Мототехника | ИЖ-Ю2 | Звездочка колеса заднего | - |
| Мототехника | ИЖ-Ю3 | Вал коленчатый | - |
| Мототехника | ИЖ-Ю3 | Звездочка колеса заднего | - |
| Мототехника | ИЖ-Ю5 | Вал коленчатый | - |
| Мототехника | ИЖ-Ю5 | Звездочка колеса заднего | - |
| Мототехника | ИМЗ-8.103-10/40 | Вал распределительный: конец передний | - |
| Мототехника | ИМЗ-8.103-10/40 | Вал коленчатый: подшипники коренные | - |
| Мототехника | ИМЗ-8.107 Урал | Вал распределительный: конец передний | - |
| Мототехника | ИМЗ-8.107 Урал | Вал коленчатый: подшипники коренные | - |
| Мототехника | ИМЗ-8.123-10 | Вал распределительный: конец передний | - |
| Мототехника | ИМЗ-8.123-10 | Вал коленчатый: подшипники коренные | - |
| Мототехника | М67-36 Урал | Коробка передач: вал первичный | - |
| Мототехника | М67-36 Урал | Вал распределительный: конец передний | - |
| Мототехника | МТ10-36 Днепр | Коробка передач: вал первичный | - |
| Мототехника | МТ10-36 Днепр | Вал распределительный: опора передняя | - |
| Мототехника | Муравей ТГ-200 | Вал коленчатый: цапфа левая, опора внутренняя | - |
| Мототехника | Муравей ТМЗ-5-402/403 | Вал коленчатый: цапфа левая, опора внутренняя | - |
| Мототехника | Ява-250 | Коробка передач: картер, половина правая | - |
| Мототехника | Ява-250 | Колесо заднее: барабан шлицевой звездочки | - |
| Мототехника | Ява-350 | Коробка передач: картер, половина правая | - |
| Мототехника | Ява-350 | Колесо заднее: барабан шлицевой звездочки | - |
| Приставка кукурузоуборочная | ППК-4 | Звездочки натяжные | - |
| Приставка кукурузоуборочная | ППК-4 | Вальцы | - |
| Пункт картофелесортировальный с переборочными столами | КСП-25 | Транспортер загрузочный ПСШ.08.000: блок шестерен | - |
| Пункт картофелесортировальный с переборочными столами | КСП-25 | Транспортер загрузочный ПСШ.08.000-01: блок шестерен | - |
| Свеклопогрузчик навесной тракторный | СНТ-2.1А | Механизм рычажно-кривошипный правый и левый | - |
| Станкостроение | Не указано | Не указано | - |
| Трактор | ДТ-20 | Насос топливный | 1 |
| Трактор | ДТ-20 | Двигатель: вал распределительный | 1 |
| Трактор | ДТ-75 | Двигатель: вал коленчатый двигателя пускового, шейка коренная передняя | 1 |
| Трактор | ДТ-75МВ | Двигатель: вал коленчатый двигателя пускового, шейка коренная передняя | 1 |
| Трактор | ДТ-75МВ | Двигатель: привод гидронасоса НШ-10Е-Л | 2 |
| Трактор | ДТ-75МВ | Двигатель: редуктор двигателя пускового | 1 |
| Трактор | К-701 | Двигатель: насос водяной | 1 |
| Трактор | К-701 | Вал ведомый гидромуфты | 1 |
| Трактор | К-701 | Двигатель: вал привода насоса топливного | - |
| Трактор | К-701 | Двигатель: вал привода насоса топливного | 1 |
| Трактор | К-701 | Система управления поворотом: редуктор конический | 4 |
| Трактор | МТЗ-100 | Дизель: привод насоса гидроусилителя руля | - |
| Трактор | МТЗ-102 | Дизель: привод насоса гидроусилителя руля | - |
| Трактор | МТЗ-2 | Двигатель пусковой ПД-10М и ПД-10У: вал коленчатый, опора передняя | 1 |
| Трактор | МТЗ-5 | Двигатель пусковой ПД-10М и ПД-10У: вал коленчатый, опора передняя | 1 |
| Трактор | МТЗ-50 | Управление рулевое: опоры червяка гидроусилителя | 2 |
| Трактор | МТЗ-50Л | Двигатель пусковой ПД-10М и ПД-10У: вал коленчатый, опора передняя | 1 |
| Трактор | МТЗ-50Л | Управление рулевое: опоры червяка гидроусилителя | 2 |
| Трактор | МТЗ-50ПЛ | Двигатель пусковой ПД-10М и ПД-10У: вал коленчатый, опора передняя | 1 |
| Трактор | МТЗ-50ПЛ | Управление рулевое: опоры червяка гидроусилителя | 2 |
| Трактор | МТЗ-52 | Управление рулевое: опоры червяка гидроусилителя | 2 |
| Трактор | МТЗ-52Л | Двигатель пусковой ПД-10М и ПД-10У: вал коленчатый, опора передняя | 1 |
| Трактор | МТЗ-52Л | Управление рулевое: опоры червяка гидроусилителя | 2 |
| Трактор | МТЗ-5К | Двигатель пусковой ПД-10М и ПД-10У: вал коленчатый, опора передняя | 1 |
| Трактор | МТЗ-5Л | Двигатель пусковой ПД-10М и ПД-10У: вал коленчатый, опора передняя | 1 |
| Трактор | МТЗ-5ЛС | Двигатель пусковой ПД-10М и ПД-10У: вал коленчатый, опора передняя | 1 |
| Трактор | МТЗ-80 | Насос НШ 10-3-Л: привод | 2 |
| Трактор | МТЗ-80 | Управление рулевое: червяк гидроусилителя | 2 |
| Трактор | МТЗ-80Л | Двигатель пусковой: вал коленчатый, опора передняя | 1 |
| Трактор | МТЗ-80Л | Насос НШ 10-3-Л: привод | 2 |
| Трактор | МТЗ-80Л | Управление рулевое: червяк гидроусилителя | 2 |
| Трактор | МТЗ-82 | Насос НШ 10-3-Л: привод | 2 |
| Трактор | МТЗ-82 | Управление рулевое: червяк гидроусилителя | 2 |
| Трактор | МТЗ-82Л | Двигатель пусковой: вал коленчатый, опора передняя | 1 |
| Трактор | МТЗ-82Л | Насос НШ 10-3-Л: привод | 2 |
| Трактор | МТЗ-82Л | Управление рулевое: червяк гидроусилителя | 2 |
| Трактор | Т-012 | Коробка передач: вал первичный | - |
| Трактор | Т-012 | Редуктор: вал первичный | - |
| Трактор | Т-012 | Вал отбора мощности передний: вал привода | - |
| Трактор | Т-012 | Вал отбора мощности задний: вал ведомый | - |
| Трактор | Т-012 | Вал отбора мощности передний | - |
| Трактор | Т-012 | Насос: вал привода | - |
| Трактор | Т-012 | Управление рулевое: механизм рулевой | - |
| Трактор | Т-150 | Двигатель: вал коленчатый двигателя пускового | 1 |
| Трактор | Т-150К | Двигатель: вал коленчатый двигателя пускового | 1 |
| Трактор | Т-151К с двигателем СМД-62/63 | Двигатель, пусковой двигатель: вал коленчатый | - |
| Трактор | Т-16 | Вал распределительный | 1 |
| Трактор | Т-40 | Двигатель пусковой: вал коленчатый | 2 |
| Трактор | Т-40А | Двигатель пусковой: вал коленчатый | 2 |
| Трактор | Т-40А | Двигатель: вал ведомый механизма передаточного двигателя пускового | 1 |
| Трактор | Т-40А | Двигатель: вал коленчатый двигателя пускового, шейка коренная передняя | 1 |
| Трактор | Т-40АМ | Двигатель пусковой | - |
| Трактор | Т-40М | Двигатель пусковой | - |
| Трактор | Т-4А | Двигатель пусковой: редуктор | - |
| Трактор | Т-4А | Картер шестерен | - |
| Трактор | Т-4А | Гидронасос НШ-10Е: привод | - |
| Трактор | Т-74 | Двигатель пусковой | - |
| Трактор | Т-75 | Двигатель: вал ведомый механизма передаточного двигателя пускового | 1 |
| Трактор | Т-75 | Двигатель: вал коленчатый двигателя пускового, шейка коренная передняя | 1 |
| Трактор | Т-75 | Двигатель: ролик натяжной ремня вентилятора | 1 |
| Трактор | Т-75 с двигателем СМД-14Г | Двигатель: вал коленчатый двигателя пускового, шейка коренная передняя | - |
| Трактор | Т-75МВ с двигателем А-41 | Двигатель: вал коленчатый двигателя пускового, шейка коренная передняя | - |
| Трактор | Т-75МВ с двигателем А-41 | Двигатель: привод гидронасоса НШ-10Е-Л | - |
| Трактор | Т-75МВ с двигателем А-41 | Двигатель: регулятор двигателя пускового | - |
| Трактор | ТТ-4М | Двигатель: вал коленчатый двигателя пускового, шейка коренная передняя | - |
| Трактор | ТТ-4М | Насос топливный: валик привода | - |
| Трактор | ТТ-4М | Гидронасос НШ-10: привод | - |
| Трактор | ТТ-4М-01 | Двигатель: вал коленчатый двигателя пускового, шейка коренная передняя | - |
| Трактор | ТТ-4М-01 | Насос топливный: валик привода | - |
| Трактор | ТТ-4М-01 | Гидронасос НШ-10: привод | - |
| Трактор | ЮМЗ-6АЛ | Управление рулевое | - |
| Трактор | ЮМЗ-6АЛ | Двигатель пусковой | - |
| Трактор | ЮМЗ-6АМ | Управление рулевое | - |
| Трактор | ЮМЗ-6АМ | Двигатель пусковой | - |
| Трактор | ЮМЗ-6КМ | Управление рулевое | - |
| Трактор | ЮМЗ-6КМ | Двигатель пусковой | - |
| Трамвайный вагон | КТМ-5М3 | Контроллер | 1 |
| Трамвайный вагон | РВ3-6М2 | Контроллер водителя КВ-34Б | 1 |
| Трамвайный вагон | Т-2 | Ускоритель | 2 |
| Трамвайный вагон | Т-3 | Ускоритель | 2 |
| УРАЛ | 4320 | Коробка передач | 1 |
| УРАЛ | 5557 | Коробка передач | 1 |
| УРАЛ | 5920 | Коробка передач | 1 |