Подшипники гост
Интернет-магазин
8-800-250-16-58
Обратный звонок

Заказ обратного звонка




Эл. почта:
info@amost.ru
Свои заказы Корзина пуста





Получать прайс-лист на email:

Чтобы отписаться от рассылки, введите e-mail, на который вы получаете наши письма:

 

Поиск подшипников

Масса и размеры

Внутренний диаметр d, мм

От  до 

Наружный диаметр D, мм

От  до 

Ширина b, мм

Применяемость

Раздел каталога

Подшипник шариковый радиальный однорядный основного конструктивного исполнения

206 Е5 ГОСТ 520

Отечественный
Импортный
Цена: 42.00 руб

Производитель



под заказ
Обозначение 206 Е5 ГОСТ 520
Цена импортная 36
Новинки N
Хиты продаж N
Скидки N
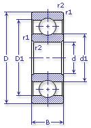
Внутренний диаметр, d (мм) 30
Наружный диаметр, D (мм) 62
Ширина, В (мм) 16
Масса, m (кг) 0.2
Грузоподъемность динамическая, C (kN) 19.5
Грузоподъемность статическая, Co (kN) 10
Ном. частота вращен. при пластич. смазке, n grease (1/min) 10000
Диаметр шарика, d шарика (мм) 9.525
Количество шариков, N шариков 9
Ном. частота вращен. при жидк. смазке, n oil (1/min) 13000
Диаметр борта наружного кольца, D1(mm) 51.7
Диаметр борта внутреннего кольца, d1 (mm) 40.3
Радиус фаски, r1, r2 min (мм) 1
206 Е5 ГОСТ 520

Этот подшипник может быть заменен другими:

Подшипник 50206 — Условие отсутствует

Подшипник 60206 — При условии демонтажа одной защитной шайбы

Подшипник 160206 — При условии демонтажа одной защитной шайбы

Подшипник 150206 — При условии демонтажа одной защитной шайбы (п/ш с канавкой)

Подшипник 80206 — При условии демонтажа 2-х защитных шайб

Подшипник 180206 — При условии демонтажа 2-х защитных шайб

Подшипник 450206 — При условии демонтажа 2-х защитных шайб

Подшипник 190206 — Аналог состоит из двух искомых подшипников

Марка Модель Узел Кол-во на узел
Пункт картофелесортировальный с переборочными столами КСП-25 Бункер-накопитель 2-х секционный 3614010-12.000: мотор-барабан -
Пункт картофелесортировальный с переборочными столами КСП-25 Бункер-накопитель 3-х секционный 3614010-11.000: мотор-барабан -
Пункт картофелесортировальный с переборочными столами КСП-25 Транспортер основной ПСШ.03.000: мотор-барабан, блок шестерен -
Пункт картофелесортировальный с переборочными столами КСП-25 Транспортер переносной ПСШ.01.000: мотор-барабан, блок шестерен -
Пункт картофелесортировальный с переборочными столами КСП-25 Транспортер переносной ПСШ.18.000: мотор-барабан, блок шестерен -
Пункт картофелесортировальный с переборочными столами КСП-25 Транспортер распределительный ПСШ.02.000-01: ролик верхний -
Пункт картофелесортировальный с переборочными столами КСП-25 Транспортер загрузочный ПСШ.08.000: блок шестерен -
Пункт картофелесортировальный с переборочными столами КСП-25 Транспортер загрузочный ПСШ.08.000-01: блок шестерен -
Автопогрузчик 4022 Грузоподъемник 2
БелАЗ 540А(27т) Генератор 1
БелАЗ 548(40т) Генератор 1
БелАЗ 549(75т) Коробка отбора мощности 4
БелАЗ 7420-9590 Генератор 1
БелАЗ 75211(180т) Генератор 1
БелАЗ 7522(30т) Генератор 1
БелАЗ 7523(40т) Генератор 1
БелАЗ 7548(42т) Генератор 1
ЗАЗ 965А Коробка передач 1
ЗАЗ 965АР Коробка передач -
ЗАЗ 965Б Коробка передач 1
ЗАЗ 965Р Коробка передач 1
ЗИУ 9 Генератор Г-108А 3
ЗИУ 9 Генератор Г-263А 1
ЗИУ 9 Генератор Г-732В 1
ЗИУ 9В(682В) Генератор 3
КАвЗ 3100 Двигатель: система охлаждения -
КАвЗ 3100 Двигатель: система охлаждения 2
КАвЗ 3100 Двигатель: система охлаждения 2
КамАЗ 6410 Двигатель: система питания 2
Комбайн Дон-680 Редуктор цилиндрический 4
ЛАЗ 695Е Двигатель: система охлаждения 6
ЛАЗ 695Н Двигатель: система охлаждения 6
ЛАЗ 695Н Двигатель: система охлаждения 6
ЛАЗ 697Р Двигатель: система охлаждения 6
ЛАЗ 697Р Двигатель: система охлаждения 6
ЛАЗ 699Н Двигатель: система охлаждения 4
ЛАЗ 699Р Двигатель: система охлаждения 4
ЛАЗ 699Р Двигатель: система охлаждения 4
ЛиАЗ 5256 Двигатель: система охлаждения 4
ЛиАЗ 5256 Двигатель: система охлаждения 4
ЛиАЗ 677 Двигатель: система охлаждения 2
ЛиАЗ 677 Двигатель: система охлаждения 2
ЛиАЗ 677Б Двигатель: система охлаждения 2
ЛиАЗ 677Б Двигатель: система охлаждения 2
ЛиАЗ 677В Двигатель: система охлаждения 2
ЛиАЗ 677В Двигатель: система охлаждения 2
ЛиАЗ 677М Двигатель: система охлаждения 2
ЛиАЗ 677М Двигатель: система охлаждения 2
ЛиАЗ 677П Двигатель: система охлаждения 2
ЛиАЗ 677П Двигатель: система охлаждения 2
ЛуАЗ 1302 Мост задний: вал приводной, опоры крайние -
ЛуАЗ 969 Вал приводной 2
ЛуАЗ 969М Вал приводной 2
ЛуАЗ 969М Вал приводной: опоры крайние 2
МАЗ 504В Управление рулевое 1
МАЗ 509А Управление рулевое 1
МАЗ 5322 Спецоборудование 2
МАЗ 5334 Управление рулевое 1
МАЗ 5335 Управление рулевое 1
МАЗ 5336 Спецоборудование 2
МАЗ 5336 Спецоборудование -
МАЗ 5338 Управление рулевое 1
МАЗ 537 Вентилятор 12
МАЗ 537 Двигатель: система охлаждения 12
МАЗ 537Г Вентилятор 12
МАЗ 537Г Двигатель: система охлаждения 12
МАЗ 538 Вентилятор 2
МАЗ 538 Двигатель: система охлаждения 6
МАЗ 538 Коробка дополнительная 2
МАЗ 5429 Управление рулевое 1
МАЗ 5429 Спецоборудование 2
МАЗ 5430 Управление рулевое 1
МАЗ 54321 Спецоборудование 2
МАЗ 5433 Спецоборудование 2
МАЗ 54365 Спецоборудование -
МАЗ 547 Двигатель: система охлаждения 2
МАЗ 5549 Управление рулевое 1
МАЗ 5549 Спецоборудование 2
МАЗ 5551 Спецоборудование 2
МАЗ 55512 Спецоборудование 2
МАЗ 55555 Спецоборудование -
МАЗ 5558 Управление рулевое 1
МАЗ 5577 Управление рулевое -
МАЗ 5582 Спецоборудование -
МАЗ 5586 Управление рулевое -
МАЗ 7410 Двигатель: система охлаждения 2
Мототехника Днепр-12 Редуктор: крышка левая -
Мототехника Днепр-16 Редуктор: крышка левая -
ПАЗ 3205 Двигатель: система охлаждения 2
ПАЗ 3205 Двигатель: вал промежуточный вентилятора 2
ПАЗ 672 Двигатель: система охлаждения 2
Свеклопогрузчик навесной тракторный СНТ-2.1А Механизм рычажно-кривошипный правый и левый: привод цепной -
Трактор ДТ-20 Насос водяной 2
Трактор ДТ-20 Насос топливный 1
Трактор ДТ-20 Валик приводной 2
Трактор МТЗ-2 Коробка передач: шестерня хода заднего 2
Трактор МТЗ-5 Коробка передач: шестерня хода заднего 2
Трактор МТЗ-50 Управление рулевое: привод насоса гидроусилителя, опора задняя 1
Трактор МТЗ-50Л Управление рулевое: привод насоса гидроусилителя, опора задняя 1
Трактор МТЗ-50ПЛ Управление рулевое: привод насоса гидроусилителя, опора задняя 1
Трактор МТЗ-52 Управление рулевое: привод насоса гидроусилителя, опора задняя 1
Трактор МТЗ-52Л Управление рулевое: привод насоса гидроусилителя, опора задняя 1
Трактор МТЗ-5К Двигатель: привод гидронасоса, опора задняя 1
Трактор МТЗ-5К Коробка передач: шестерня хода заднего 2
Трактор МТЗ-5Л Двигатель: привод гидронасоса, опора задняя 1
Трактор МТЗ-5Л Коробка передач: шестерня хода заднего 2
Трактор МТЗ-5ЛС Двигатель: привод гидронасоса, опора задняя 1
Трактор МТЗ-5ЛС Коробка передач: шестерня хода заднего 2
Трактор МТЗ-5М Двигатель: привод гидронасоса, опора задняя 1
Трактор МТЗ-5М Коробка передач: шестерня хода заднего 2
Трактор МТЗ-5МС Двигатель: привод гидронасоса, опора задняя 1
Трактор МТЗ-5МС Коробка передач: шестерня хода заднего 2
Трактор Т-150 Управление рулевое: колонка рулевая 1
Трактор Т-150К Коробка передач: привод насоса 2
Трактор Т-151К с двигателем СМД-62/63 Коробка передач: привод насоса, колесо зубчатое -
Трактор Т-151К с двигателем СМД-62А/63А Коробка передач: привод насоса, колесо зубчатое -
Трактор Т-16 Стакан подшипника 1
Трактор Т-25 Передача главная 1
Трактор Т-25А Передача главная -
Трактор Т-40 Вал отбора мощности: привод независимый 2
Трактор Т-40А Вал отбора мощности: привод независимый 2
Трактор ТТ-4М Механизм поворота сиденья -
Трактор ТТ-4М-01 Механизм поворота сиденья -
Трактор ХТЗ-120 Коробка передач: привод насоса, колесо зубчатое -
Трактор ХТЗ-121 Коробка передач: привод насоса, колесо зубчатое -
Трактор ХТЗ-16131 (кроме двигателя) Коробка раздаточная: вал привода насоса КП -
Трактор ЮМЗ-6АЛ Коробка передач -
Трактор ЮМЗ-6АЛ Гидронасос: привод системы -
Трактор ЮМЗ-6АМ Коробка передач -
Трактор ЮМЗ-6АМ Гидронасос: привод системы -
Трактор ЮМЗ-6КМ Коробка передач -
Трактор ЮМЗ-6КМ Гидронасос: привод системы -
Трамвайный вагон КТМ-5М3 Генератор Г-731А 1
УРАЛ 5920 Коробка отбора мощности 2
Бренд Обозначение
ГПЗ 206
SKF 6206
FAG 6206
NSK 6206
Товар добавлен в корзину
Перейти в корзину ×