Подшипники гост
Интернет-магазин
8-800-250-16-58
Обратный звонок

Заказ обратного звонка




Эл. почта:
info@amost.ru
Свои заказы Корзина пуста





Получать прайс-лист на email:

Чтобы отписаться от рассылки, введите e-mail, на который вы получаете наши письма:

 

Поиск подшипников

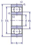
Масса и размеры

Внутренний диаметр d, мм

От  до 

Наружный диаметр D, мм

От  до 

Ширина b, мм

Применяемость

Раздел каталога

Подшипник шариковый радиальный однорядный основного конструктивного исполнения

206 Е ТУ 100/3

Отечественный
Импортный
Цена: 42.00 руб

Производитель



под заказ
Обозначение 206 Е ТУ 100/3
Цена импортная 36
Новинки N
Хиты продаж N
Скидки N
Внутренний диаметр, d (мм) 30
Наружный диаметр, D (мм) 62
Ширина, В (мм) 16
Масса, m (кг) 0.2
Грузоподъемность динамическая, C (kN) 19.5
Грузоподъемность статическая, Co (kN) 10
Ном. частота вращен. при пластич. смазке, n grease (1/min) 10000
Диаметр шарика, d шарика (мм) 9.525
Количество шариков, N шариков 9
Ном. частота вращен. при жидк. смазке, n oil (1/min) 13000
Диаметр борта наружного кольца, D1(mm) 51.7
Диаметр борта внутреннего кольца, d1 (mm) 40.3
Радиус фаски, r1, r2 min (мм) 1
206 Е ТУ 100/3

Этот подшипник может быть заменен другими:

Подшипник 50206 — Условие отсутствует

Подшипник 60206 — При условии демонтажа одной защитной шайбы

Подшипник 160206 — При условии демонтажа одной защитной шайбы

Подшипник 150206 — При условии демонтажа одной защитной шайбы (п/ш с канавкой)

Подшипник 80206 — При условии демонтажа 2-х защитных шайб

Подшипник 180206 — При условии демонтажа 2-х защитных шайб

Подшипник 450206 — При условии демонтажа 2-х защитных шайб

Подшипник 190206 — Аналог состоит из двух искомых подшипников

Марка Модель Узел Кол-во на узел
Пункт картофелесортировальный с переборочными столами КСП-25 Бункер-накопитель 2-х секционный 3614010-12.000: мотор-барабан -
Пункт картофелесортировальный с переборочными столами КСП-25 Бункер-накопитель 3-х секционный 3614010-11.000: мотор-барабан -
Пункт картофелесортировальный с переборочными столами КСП-25 Транспортер основной ПСШ.03.000: мотор-барабан, блок шестерен -
Пункт картофелесортировальный с переборочными столами КСП-25 Транспортер переносной ПСШ.01.000: мотор-барабан, блок шестерен -
Пункт картофелесортировальный с переборочными столами КСП-25 Транспортер переносной ПСШ.18.000: мотор-барабан, блок шестерен -
Пункт картофелесортировальный с переборочными столами КСП-25 Транспортер распределительный ПСШ.02.000-01: ролик верхний -
Пункт картофелесортировальный с переборочными столами КСП-25 Транспортер загрузочный ПСШ.08.000: блок шестерен -
Пункт картофелесортировальный с переборочными столами КСП-25 Транспортер загрузочный ПСШ.08.000-01: блок шестерен -
Автопогрузчик 4022 Грузоподъемник 2
БелАЗ 540А(27т) Генератор 1
БелАЗ 548(40т) Генератор 1
БелАЗ 549(75т) Коробка отбора мощности 4
БелАЗ 7420-9590 Генератор 1
БелАЗ 75211(180т) Генератор 1
БелАЗ 7522(30т) Генератор 1
БелАЗ 7523(40т) Генератор 1
БелАЗ 7548(42т) Генератор 1
ЗАЗ 965А Коробка передач 1
ЗАЗ 965АР Коробка передач -
ЗАЗ 965Б Коробка передач 1
ЗАЗ 965Р Коробка передач 1
ЗИУ 9 Генератор Г-108А 3
ЗИУ 9 Генератор Г-263А 1
ЗИУ 9 Генератор Г-732В 1
ЗИУ 9В(682В) Генератор 3
КАвЗ 3100 Двигатель: система охлаждения -
КАвЗ 3100 Двигатель: система охлаждения 2
КАвЗ 3100 Двигатель: система охлаждения 2
КамАЗ 6410 Двигатель: система питания 2
Комбайн Дон-680 Редуктор цилиндрический 4
ЛАЗ 695Е Двигатель: система охлаждения 6
ЛАЗ 695Н Двигатель: система охлаждения 6
ЛАЗ 695Н Двигатель: система охлаждения 6
ЛАЗ 697Р Двигатель: система охлаждения 6
ЛАЗ 697Р Двигатель: система охлаждения 6
ЛАЗ 699Н Двигатель: система охлаждения 4
ЛАЗ 699Р Двигатель: система охлаждения 4
ЛАЗ 699Р Двигатель: система охлаждения 4
ЛиАЗ 5256 Двигатель: система охлаждения 4
ЛиАЗ 5256 Двигатель: система охлаждения 4
ЛиАЗ 677 Двигатель: система охлаждения 2
ЛиАЗ 677 Двигатель: система охлаждения 2
ЛиАЗ 677Б Двигатель: система охлаждения 2
ЛиАЗ 677Б Двигатель: система охлаждения 2
ЛиАЗ 677В Двигатель: система охлаждения 2
ЛиАЗ 677В Двигатель: система охлаждения 2
ЛиАЗ 677М Двигатель: система охлаждения 2
ЛиАЗ 677М Двигатель: система охлаждения 2
ЛиАЗ 677П Двигатель: система охлаждения 2
ЛиАЗ 677П Двигатель: система охлаждения 2
ЛуАЗ 1302 Мост задний: вал приводной, опоры крайние -
ЛуАЗ 969 Вал приводной 2
ЛуАЗ 969М Вал приводной 2
ЛуАЗ 969М Вал приводной: опоры крайние 2
МАЗ 504В Управление рулевое 1
МАЗ 509А Управление рулевое 1
МАЗ 5322 Спецоборудование 2
МАЗ 5334 Управление рулевое 1
МАЗ 5335 Управление рулевое 1
МАЗ 5336 Спецоборудование 2
МАЗ 5336 Спецоборудование -
МАЗ 5338 Управление рулевое 1
МАЗ 537 Вентилятор 12
МАЗ 537 Двигатель: система охлаждения 12
МАЗ 537Г Вентилятор 12
МАЗ 537Г Двигатель: система охлаждения 12
МАЗ 538 Вентилятор 2
МАЗ 538 Двигатель: система охлаждения 6
МАЗ 538 Коробка дополнительная 2
МАЗ 5429 Управление рулевое 1
МАЗ 5429 Спецоборудование 2
МАЗ 5430 Управление рулевое 1
МАЗ 54321 Спецоборудование 2
МАЗ 5433 Спецоборудование 2
МАЗ 54365 Спецоборудование -
МАЗ 547 Двигатель: система охлаждения 2
МАЗ 5549 Управление рулевое 1
МАЗ 5549 Спецоборудование 2
МАЗ 5551 Спецоборудование 2
МАЗ 55512 Спецоборудование 2
МАЗ 55555 Спецоборудование -
МАЗ 5558 Управление рулевое 1
МАЗ 5577 Управление рулевое -
МАЗ 5582 Спецоборудование -
МАЗ 5586 Управление рулевое -
МАЗ 7410 Двигатель: система охлаждения 2
Мототехника Днепр-12 Редуктор: крышка левая -
Мототехника Днепр-16 Редуктор: крышка левая -
ПАЗ 3205 Двигатель: система охлаждения 2
ПАЗ 3205 Двигатель: вал промежуточный вентилятора 2
ПАЗ 672 Двигатель: система охлаждения 2
Свеклопогрузчик навесной тракторный СНТ-2.1А Механизм рычажно-кривошипный правый и левый: привод цепной -
Трактор ДТ-20 Насос водяной 2
Трактор ДТ-20 Насос топливный 1
Трактор ДТ-20 Валик приводной 2
Трактор МТЗ-2 Коробка передач: шестерня хода заднего 2
Трактор МТЗ-5 Коробка передач: шестерня хода заднего 2
Трактор МТЗ-50 Управление рулевое: привод насоса гидроусилителя, опора задняя 1
Трактор МТЗ-50Л Управление рулевое: привод насоса гидроусилителя, опора задняя 1
Трактор МТЗ-50ПЛ Управление рулевое: привод насоса гидроусилителя, опора задняя 1
Трактор МТЗ-52 Управление рулевое: привод насоса гидроусилителя, опора задняя 1
Трактор МТЗ-52Л Управление рулевое: привод насоса гидроусилителя, опора задняя 1
Трактор МТЗ-5К Двигатель: привод гидронасоса, опора задняя 1
Трактор МТЗ-5К Коробка передач: шестерня хода заднего 2
Трактор МТЗ-5Л Двигатель: привод гидронасоса, опора задняя 1
Трактор МТЗ-5Л Коробка передач: шестерня хода заднего 2
Трактор МТЗ-5ЛС Двигатель: привод гидронасоса, опора задняя 1
Трактор МТЗ-5ЛС Коробка передач: шестерня хода заднего 2
Трактор МТЗ-5М Двигатель: привод гидронасоса, опора задняя 1
Трактор МТЗ-5М Коробка передач: шестерня хода заднего 2
Трактор МТЗ-5МС Двигатель: привод гидронасоса, опора задняя 1
Трактор МТЗ-5МС Коробка передач: шестерня хода заднего 2
Трактор Т-150 Управление рулевое: колонка рулевая 1
Трактор Т-150К Коробка передач: привод насоса 2
Трактор Т-151К с двигателем СМД-62/63 Коробка передач: привод насоса, колесо зубчатое -
Трактор Т-151К с двигателем СМД-62А/63А Коробка передач: привод насоса, колесо зубчатое -
Трактор Т-16 Стакан подшипника 1
Трактор Т-25 Передача главная 1
Трактор Т-25А Передача главная -
Трактор Т-40 Вал отбора мощности: привод независимый 2
Трактор Т-40А Вал отбора мощности: привод независимый 2
Трактор ТТ-4М Механизм поворота сиденья -
Трактор ТТ-4М-01 Механизм поворота сиденья -
Трактор ХТЗ-120 Коробка передач: привод насоса, колесо зубчатое -
Трактор ХТЗ-121 Коробка передач: привод насоса, колесо зубчатое -
Трактор ХТЗ-16131 (кроме двигателя) Коробка раздаточная: вал привода насоса КП -
Трактор ЮМЗ-6АЛ Коробка передач -
Трактор ЮМЗ-6АЛ Гидронасос: привод системы -
Трактор ЮМЗ-6АМ Коробка передач -
Трактор ЮМЗ-6АМ Гидронасос: привод системы -
Трактор ЮМЗ-6КМ Коробка передач -
Трактор ЮМЗ-6КМ Гидронасос: привод системы -
Трамвайный вагон КТМ-5М3 Генератор Г-731А 1
УРАЛ 5920 Коробка отбора мощности 2
Бренд Обозначение
ГПЗ 206
SKF 6206
FAG 6206
NSK 6206
Товар добавлен в корзину
Перейти в корзину ×