Подшипники гост
Интернет-магазин
8-800-250-16-58
Обратный звонок

Заказ обратного звонка




Эл. почта:
info@amost.ru
Свои заказы Корзина пуста





Получать прайс-лист на email:

Чтобы отписаться от рассылки, введите e-mail, на который вы получаете наши письма:

 

Поиск подшипников

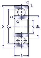
Масса и размеры

Внутренний диаметр d, мм

От  до 

Наружный диаметр D, мм

От  до 

Ширина b, мм

Применяемость

Раздел каталога

Подшипник шариковый радиальный однорядный основного конструктивного исполнения

208 Ю5 ТУ 3706-ОП

Отечественный
Импортный
Цена: 75.00 руб

Производитель



под заказ
Обозначение 208 Ю5 ТУ 3706-ОП
Цена импортная 70
Новинки N
Хиты продаж N
Скидки N
Внутренний диаметр, d (мм) 40
Наружный диаметр, D (мм) 80
Ширина, В (мм) 18
Масса, m (кг) 0.36
Грузоподъемность динамическая, C (kN) 32
Грузоподъемность статическая, Co (kN) 17.8
Ном. частота вращен. при пластич. смазке, n grease (1/min) 8500
Диаметр шарика, d шарика (мм) 12.7
Количество шариков, N шариков 9
Ном. частота вращен. при жидк. смазке, n oil (1/min) 10000
Диаметр борта наружного кольца, D1(mm) 67.6
Диаметр борта внутреннего кольца, d1 (mm) 52.4
Радиус фаски, r1, r2 min (мм) 1.1
208 Ю5 ТУ 3706-ОП

Этот подшипник может быть заменен другими:

Подшипник 50208 — Условие отсутствует

Подшипник 60208 — При условии демонтажа одной защитной шайбы

Подшипник 160208 — При условии демонтажа одной защитной шайбы

Подшипник 150208 — При условии демонтажа одной защитной шайбы (п/ш с канавкой)

Подшипник 80208 — При условии демонтажа 2-х защитных шайб

Подшипник 180208 — При условии демонтажа 2-х защитных шайб

Подшипник 450208 — При условии демонтажа 2-х защитных шайб

Марка Модель Узел Кол-во на узел
Автопогрузчик 4022 Грузоподъемник 2
БелАЗ 540А(27т) Передача согласующая 6
БелАЗ 548(40т) Передача согласующая 6
БелАЗ 549(75т) Двигатель 2
БелАЗ 7509 Двигатель 2
БелАЗ 75091(75т) Двигатель 2
БелАЗ 7522(30т) Передача согласующая 6
БелАЗ 7523(40т) Передача согласующая 6
ГАЗ 66 Коробка раздаточная 1
ГАЗ 66-01 Коробка раздаточная: вал вторичный, опора задняя 1
ГАЗ 66-02 Коробка раздаточная: вал вторичный, опора задняя 1
ГАЗ 66-04 Коробка раздаточная: вал вторичный, опора задняя 1
ГАЗ 66-05 Коробка раздаточная: вал вторичный, опора задняя 1
ГАЗ 66-11 Коробка раздаточная 1
ГАЗ 66-12 Коробка раздаточная 1
Загрузчик автомобильный универсальный ЗАУ-3 Коробка отбора мощности -
Загрузчик автомобильный универсальный УЗСА-40 Коробка отбора мощности -
КЗКТ Э538ДК Двигатель 1
КЗКТ Э538ДП Двигатель 1
Комбайн КОП-1.4 Вал промежуточный -
Комбайн КОП-1.4 Блок вальцов битерных -
Комбайн КОП-1.4 Блок вальцов отрывочных -
Комбайн КОП-1.4 Привод цепей падающих -
Комбайн КПИ-2.4 Жатка для уборки силосных культур: редуктор -
Комбайн КПИ-2.4 Измельчитель: коробка распределительная -
Комбайн КСК-100А/А1 Редуктор: валы, шестерни -
Комбайн КСК-100А/А1 Коробка передач: валы, шестерни -
Копатель кормовых корнеплодов грохотный ККГ-1.4 Вал промежуточный: контрпривод -
Косилка КПС-5Г Вал кривошипа: корпус -
МАЗ 537 Двигатель 1
МАЗ 537 Компрессор 1
МАЗ 537Г Двигатель 1
МАЗ 537Г Компрессор 1
МАЗ 538 Двигатель 1
МАЗ 538 Коробка передач планетарная 1
МАЗ 543 Двигатель 1
МАЗ 543 Коробка передач планетарная 1
МАЗ 543 Компрессор 1
МАЗ 543 Передача повышающая 2
МАЗ 547 Гидротрансформатор 2
МАЗ 547 Двигатель 1
МАЗ 547 Двигатель: система охлаждения 6
МАЗ 547 Коробка передач планетарная 1
МАЗ 547 Компрессор 1
МАЗ 547 Передача повышающая 2
МАЗ 7310 Двигатель 1
МАЗ 7310 Коробка передач планетарная 1
МАЗ 7310 Компрессор 1
МАЗ 7310 Передача повышающая 2
МАЗ 73101 Двигатель 1
МАЗ 73101 Коробка передач планетарная 1
МАЗ 73101 Компрессор 1
МАЗ 73101 Передача повышающая 2
МАЗ 7410 Двигатель 1
МАЗ 7410 Двигатель: система охлаждения 2
МАЗ 7410 Коробка передач планетарная 1
МАЗ 7410 Компрессор 1
МАЗ 7410 Передача повышающая 2
Опрыскиватель прицепной штанговый ОПШ-15 Насос -
ПАЗ 3201 Коробка раздаточная -
ПАЗ 672 Коробка раздаточная 1
САЗ 3502 Коробка раздаточная: вал вторичный, опора задняя 1
САЗ 3507 Коробка раздаточная: вал вторичный, опора задняя 1
Станкостроение Не указано Не указано -
Станкостроение Не указано Не указано -
Трактор ДТ-75МВ Двигатель: редуктор двигателя пускового 1
Трактор К-701 Коробка передач 4
Трактор МТЗ-2 Коробка передач: шестерня промежуточная 2
Трактор МТЗ-2 Ходоуменьшитель 2
Трактор МТЗ-2 Двигатель: привод вентилятора, опора задняя 1
Трактор МТЗ-5 Коробка передач: шестерня промежуточная 2
Трактор МТЗ-5 Ходоуменьшитель 2
Трактор МТЗ-5 Двигатель: привод вентилятора, опора задняя 1
Трактор МТЗ-50 Вал отбора мощности боковой: опора передняя 1
Трактор МТЗ-50 Вал отбора мощности задний: барабан шестерни солнечной, опоры передняя и задняя 2
Трактор МТЗ-50 Вал отбора мощности задний: водило, опора задняя 1
Трактор МТЗ-50 Коробка передач: вал первичный, опора задняя 1
Трактор МТЗ-50 Коробка передач: вал первой передачи и заднего хода, опора задняя 1
Трактор МТЗ-50Л Вал отбора мощности боковой: опора передняя 1
Трактор МТЗ-50Л Вал отбора мощности задний: барабан шестерни солнечной, опоры передняя и задняя 2
Трактор МТЗ-50Л Вал отбора мощности задний: водило, опора задняя 1
Трактор МТЗ-50Л Коробка передач: вал первичный, опора задняя 1
Трактор МТЗ-50Л Коробка передач: вал первой передачи и заднего хода, опора задняя 1
Трактор МТЗ-50ПЛ Вал отбора мощности боковой: опора передняя 1
Трактор МТЗ-50ПЛ Вал отбора мощности задний: барабан шестерни солнечной, опоры передняя и задняя 2
Трактор МТЗ-50ПЛ Вал отбора мощности задний: водило, опора задняя 1
Трактор МТЗ-50ПЛ Коробка передач: вал первичный, опора задняя 1
Трактор МТЗ-50ПЛ Коробка передач: вал первой передачи и заднего хода, опора задняя 1
Трактор МТЗ-50ПЛ Двигатель: привод вентилятора, опора задняя 1
Трактор МТЗ-52 Вал отбора мощности боковой: опора передняя 1
Трактор МТЗ-52 Вал отбора мощности задний: барабан шестерни солнечной, опоры передняя и задняя 2
Трактор МТЗ-52 Вал отбора мощности задний: водило, опора задняя 1
Трактор МТЗ-52 Коробка передач: вал первичный, опора задняя 1
Трактор МТЗ-52 Коробка передач: вал первой передачи и заднего хода, опора задняя 1
Трактор МТЗ-52 Мост передний ведущий: редукторы 2
Трактор МТЗ-52Л Вал отбора мощности боковой: опора передняя 1
Трактор МТЗ-52Л Вал отбора мощности задний: барабан шестерни солнечной, опоры передняя и задняя 2
Трактор МТЗ-52Л Вал отбора мощности задний: водило, опора задняя 1
Трактор МТЗ-52Л Коробка передач: вал первичный, опора задняя 1
Трактор МТЗ-52Л Коробка передач: вал первой передачи и заднего хода, опора задняя 1
Трактор МТЗ-52Л Мост передний ведущий: редукторы 2
Трактор МТЗ-5К Коробка передач: шестерня промежуточная 2
Трактор МТЗ-5К Ходоуменьшитель 2
Трактор МТЗ-5К Двигатель: привод вентилятора, опора задняя 1
Трактор МТЗ-5Л Коробка передач: шестерня промежуточная 2
Трактор МТЗ-5Л Двигатель: привод вентилятора, опора задняя 1
Трактор МТЗ-5ЛС Коробка передач: шестерня промежуточная 2
Трактор МТЗ-5ЛС Двигатель: привод вентилятора, опора задняя 1
Трактор МТЗ-5М Коробка передач: шестерня промежуточная 2
Трактор МТЗ-5М Двигатель: привод вентилятора, опора задняя 1
Трактор МТЗ-5МС Коробка передач: шестерня промежуточная 2
Трактор МТЗ-5МС Двигатель: привод вентилятора, опора задняя 1
Трактор МТЗ-80 Вал отбора мощности боковой: опора передняя 1
Трактор МТЗ-80 Вал отбора мощности задний: водило, опора задняя 1
Трактор МТЗ-80 Коробка передач: вал первой передачи, опора задняя 1
Трактор МТЗ-80 Коробка передач: вал первичный, опора задняя 1
Трактор МТЗ-80 Насос НШ 32-3: привод 1
Трактор МТЗ-80Л Вал отбора мощности боковой: опора передняя 1
Трактор МТЗ-80Л Вал отбора мощности задний: водило, опора задняя 1
Трактор МТЗ-80Л Коробка передач: вал первой передачи, опора задняя 1
Трактор МТЗ-80Л Коробка передач: вал первичный, опора задняя 1
Трактор МТЗ-80Л Насос НШ 32-3: привод 1
Трактор МТЗ-82 Вал отбора мощности боковой: опора передняя 1
Трактор МТЗ-82 Вал отбора мощности задний: водило, опора задняя 1
Трактор МТЗ-82 Коробка передач: вал первой передачи, опора задняя 1
Трактор МТЗ-82 Коробка передач: вал первичный, опора задняя 1
Трактор МТЗ-82 Насос НШ 32-3: привод 1
Трактор МТЗ-82Л Вал отбора мощности боковой: опора передняя 1
Трактор МТЗ-82Л Вал отбора мощности задний: водило, опора задняя 1
Трактор МТЗ-82Л Коробка передач: вал первой передачи, опора задняя 1
Трактор МТЗ-82Л Коробка передач: вал первичный, опора задняя 1
Трактор МТЗ-82Л Мост передний: редуктор передачи конечной 2
Трактор МТЗ-82Л Насос НШ 32-3: привод 1
Трактор Т-11.01.01Я Коробка передач планетарная 1
Трактор Т-11.01.01ЯМ Коробка передач планетарная 1
Трактор Т-11.01.01ЯМП Коробка передач планетарная 1
Трактор Т-150 Насос НМШ-50: вал шестерни 2
Трактор Т-150К Опора промежуточная 2
Трактор Т-151К с двигателем СМД-62/63 Вал отбора мощности: опора промежуточная -
Трактор Т-151К с двигателем СМД-62А/63А Вал отбора мощности: опора промежуточная -
Трактор Т-16 Передача главная: корпус 1
Трактор Т-35.01 ЯБЛ Гидротрансформатор 2
Трактор Т-35.01Я Гидротрансформатор 2
Трактор Т-40А Двигатель: вал механизма выключения, опора задняя 1
Трактор Т-4А Двигатель пусковой: редуктор -
Трактор Т-75 Двигатель: вал механизма выключения, опора задняя 1
Трактор Т-75 Двигатель: шкив вентилятора, опора задняя 1
Трактор Т-75 Вал отбора мощности: шестерня редуктора 2
Трактор Т-75МВ с двигателем А-41 Двигатель: регулятор двигателя пускового -
Трактор ТТ-4М Двигатель пусковой: редуктор -
Трактор ТТ-4М Коробка раздаточная: шестерня промежуточная -
Трактор ТТ-4М Коробка раздаточная: блок шестерен -
Трактор ТТ-4М-01 Двигатель пусковой: редуктор -
Трактор ТТ-4М-01 Коробка раздаточная: шестерня промежуточная -
Трактор ТТ-4М-01 Коробка раздаточная: блок шестерен -
Трактор ХТЗ-16131 (кроме двигателя) Вал отбора мощности: вал промежуточный -
Трактор ЮМЗ-6АЛ Коробка передач -
Трактор ЮМЗ-6АМ Коробка передач -
Трактор ЮМЗ-6КМ Коробка передач -
Бренд Обозначение
ГПЗ 208
SKF 6208
FAG 6208
NSK 6208
Товар добавлен в корзину
Перейти в корзину ×