Подшипники гост
Интернет-магазин
8-800-250-16-58
Обратный звонок

Заказ обратного звонка




Эл. почта:
info@amost.ru
Свои заказы Корзина пуста





Получать прайс-лист на email:

Чтобы отписаться от рассылки, введите e-mail, на который вы получаете наши письма:

 

Поиск подшипников

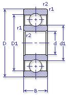
Масса и размеры

Внутренний диаметр d, мм

От  до 

Наружный диаметр D, мм

От  до 

Ширина b, мм

Применяемость

Раздел каталога

Подшипник шариковый радиальный однорядный основного конструктивного исполнения

208 Ю10П ТУ 3706

Отечественный
Импортный
Цена: 75.00 руб

Производитель



под заказ
Обозначение 208 Ю10П ТУ 3706
Цена импортная 70
Новинки N
Хиты продаж N
Скидки N
Внутренний диаметр, d (мм) 40
Наружный диаметр, D (мм) 80
Ширина, В (мм) 18
Масса, m (кг) 0.36
Грузоподъемность динамическая, C (kN) 32
Грузоподъемность статическая, Co (kN) 17.8
Ном. частота вращен. при пластич. смазке, n grease (1/min) 8500
Диаметр шарика, d шарика (мм) 12.7
Количество шариков, N шариков 9
Ном. частота вращен. при жидк. смазке, n oil (1/min) 10000
Диаметр борта наружного кольца, D1(mm) 67.6
Диаметр борта внутреннего кольца, d1 (mm) 52.4
Радиус фаски, r1, r2 min (мм) 1.1
208 Ю10П ТУ 3706

Этот подшипник может быть заменен другими:

Подшипник 50208 — Условие отсутствует

Подшипник 60208 — При условии демонтажа одной защитной шайбы

Подшипник 160208 — При условии демонтажа одной защитной шайбы

Подшипник 150208 — При условии демонтажа одной защитной шайбы (п/ш с канавкой)

Подшипник 80208 — При условии демонтажа 2-х защитных шайб

Подшипник 180208 — При условии демонтажа 2-х защитных шайб

Подшипник 450208 — При условии демонтажа 2-х защитных шайб

Марка Модель Узел Кол-во на узел
Автопогрузчик 4022 Грузоподъемник 2
БелАЗ 540А(27т) Передача согласующая 6
БелАЗ 548(40т) Передача согласующая 6
БелАЗ 549(75т) Двигатель 2
БелАЗ 7509 Двигатель 2
БелАЗ 75091(75т) Двигатель 2
БелАЗ 7522(30т) Передача согласующая 6
БелАЗ 7523(40т) Передача согласующая 6
ГАЗ 66 Коробка раздаточная 1
ГАЗ 66-01 Коробка раздаточная: вал вторичный, опора задняя 1
ГАЗ 66-02 Коробка раздаточная: вал вторичный, опора задняя 1
ГАЗ 66-04 Коробка раздаточная: вал вторичный, опора задняя 1
ГАЗ 66-05 Коробка раздаточная: вал вторичный, опора задняя 1
ГАЗ 66-11 Коробка раздаточная 1
ГАЗ 66-12 Коробка раздаточная 1
Загрузчик автомобильный универсальный ЗАУ-3 Коробка отбора мощности -
Загрузчик автомобильный универсальный УЗСА-40 Коробка отбора мощности -
КЗКТ Э538ДК Двигатель 1
КЗКТ Э538ДП Двигатель 1
Комбайн КОП-1.4 Вал промежуточный -
Комбайн КОП-1.4 Блок вальцов битерных -
Комбайн КОП-1.4 Блок вальцов отрывочных -
Комбайн КОП-1.4 Привод цепей падающих -
Комбайн КПИ-2.4 Жатка для уборки силосных культур: редуктор -
Комбайн КПИ-2.4 Измельчитель: коробка распределительная -
Комбайн КСК-100А/А1 Редуктор: валы, шестерни -
Комбайн КСК-100А/А1 Коробка передач: валы, шестерни -
Копатель кормовых корнеплодов грохотный ККГ-1.4 Вал промежуточный: контрпривод -
Косилка КПС-5Г Вал кривошипа: корпус -
МАЗ 537 Двигатель 1
МАЗ 537 Компрессор 1
МАЗ 537Г Двигатель 1
МАЗ 537Г Компрессор 1
МАЗ 538 Двигатель 1
МАЗ 538 Коробка передач планетарная 1
МАЗ 543 Двигатель 1
МАЗ 543 Коробка передач планетарная 1
МАЗ 543 Компрессор 1
МАЗ 543 Передача повышающая 2
МАЗ 547 Гидротрансформатор 2
МАЗ 547 Двигатель 1
МАЗ 547 Двигатель: система охлаждения 6
МАЗ 547 Коробка передач планетарная 1
МАЗ 547 Компрессор 1
МАЗ 547 Передача повышающая 2
МАЗ 7310 Двигатель 1
МАЗ 7310 Коробка передач планетарная 1
МАЗ 7310 Компрессор 1
МАЗ 7310 Передача повышающая 2
МАЗ 73101 Двигатель 1
МАЗ 73101 Коробка передач планетарная 1
МАЗ 73101 Компрессор 1
МАЗ 73101 Передача повышающая 2
МАЗ 7410 Двигатель 1
МАЗ 7410 Двигатель: система охлаждения 2
МАЗ 7410 Коробка передач планетарная 1
МАЗ 7410 Компрессор 1
МАЗ 7410 Передача повышающая 2
Опрыскиватель прицепной штанговый ОПШ-15 Насос -
ПАЗ 3201 Коробка раздаточная -
ПАЗ 672 Коробка раздаточная 1
САЗ 3502 Коробка раздаточная: вал вторичный, опора задняя 1
САЗ 3507 Коробка раздаточная: вал вторичный, опора задняя 1
Станкостроение Не указано Не указано -
Станкостроение Не указано Не указано -
Трактор ДТ-75МВ Двигатель: редуктор двигателя пускового 1
Трактор К-701 Коробка передач 4
Трактор МТЗ-2 Коробка передач: шестерня промежуточная 2
Трактор МТЗ-2 Ходоуменьшитель 2
Трактор МТЗ-2 Двигатель: привод вентилятора, опора задняя 1
Трактор МТЗ-5 Коробка передач: шестерня промежуточная 2
Трактор МТЗ-5 Ходоуменьшитель 2
Трактор МТЗ-5 Двигатель: привод вентилятора, опора задняя 1
Трактор МТЗ-50 Вал отбора мощности боковой: опора передняя 1
Трактор МТЗ-50 Вал отбора мощности задний: барабан шестерни солнечной, опоры передняя и задняя 2
Трактор МТЗ-50 Вал отбора мощности задний: водило, опора задняя 1
Трактор МТЗ-50 Коробка передач: вал первичный, опора задняя 1
Трактор МТЗ-50 Коробка передач: вал первой передачи и заднего хода, опора задняя 1
Трактор МТЗ-50Л Вал отбора мощности боковой: опора передняя 1
Трактор МТЗ-50Л Вал отбора мощности задний: барабан шестерни солнечной, опоры передняя и задняя 2
Трактор МТЗ-50Л Вал отбора мощности задний: водило, опора задняя 1
Трактор МТЗ-50Л Коробка передач: вал первичный, опора задняя 1
Трактор МТЗ-50Л Коробка передач: вал первой передачи и заднего хода, опора задняя 1
Трактор МТЗ-50ПЛ Вал отбора мощности боковой: опора передняя 1
Трактор МТЗ-50ПЛ Вал отбора мощности задний: барабан шестерни солнечной, опоры передняя и задняя 2
Трактор МТЗ-50ПЛ Вал отбора мощности задний: водило, опора задняя 1
Трактор МТЗ-50ПЛ Коробка передач: вал первичный, опора задняя 1
Трактор МТЗ-50ПЛ Коробка передач: вал первой передачи и заднего хода, опора задняя 1
Трактор МТЗ-50ПЛ Двигатель: привод вентилятора, опора задняя 1
Трактор МТЗ-52 Вал отбора мощности боковой: опора передняя 1
Трактор МТЗ-52 Вал отбора мощности задний: барабан шестерни солнечной, опоры передняя и задняя 2
Трактор МТЗ-52 Вал отбора мощности задний: водило, опора задняя 1
Трактор МТЗ-52 Коробка передач: вал первичный, опора задняя 1
Трактор МТЗ-52 Коробка передач: вал первой передачи и заднего хода, опора задняя 1
Трактор МТЗ-52 Мост передний ведущий: редукторы 2
Трактор МТЗ-52Л Вал отбора мощности боковой: опора передняя 1
Трактор МТЗ-52Л Вал отбора мощности задний: барабан шестерни солнечной, опоры передняя и задняя 2
Трактор МТЗ-52Л Вал отбора мощности задний: водило, опора задняя 1
Трактор МТЗ-52Л Коробка передач: вал первичный, опора задняя 1
Трактор МТЗ-52Л Коробка передач: вал первой передачи и заднего хода, опора задняя 1
Трактор МТЗ-52Л Мост передний ведущий: редукторы 2
Трактор МТЗ-5К Коробка передач: шестерня промежуточная 2
Трактор МТЗ-5К Ходоуменьшитель 2
Трактор МТЗ-5К Двигатель: привод вентилятора, опора задняя 1
Трактор МТЗ-5Л Коробка передач: шестерня промежуточная 2
Трактор МТЗ-5Л Двигатель: привод вентилятора, опора задняя 1
Трактор МТЗ-5ЛС Коробка передач: шестерня промежуточная 2
Трактор МТЗ-5ЛС Двигатель: привод вентилятора, опора задняя 1
Трактор МТЗ-5М Коробка передач: шестерня промежуточная 2
Трактор МТЗ-5М Двигатель: привод вентилятора, опора задняя 1
Трактор МТЗ-5МС Коробка передач: шестерня промежуточная 2
Трактор МТЗ-5МС Двигатель: привод вентилятора, опора задняя 1
Трактор МТЗ-80 Вал отбора мощности боковой: опора передняя 1
Трактор МТЗ-80 Вал отбора мощности задний: водило, опора задняя 1
Трактор МТЗ-80 Коробка передач: вал первой передачи, опора задняя 1
Трактор МТЗ-80 Коробка передач: вал первичный, опора задняя 1
Трактор МТЗ-80 Насос НШ 32-3: привод 1
Трактор МТЗ-80Л Вал отбора мощности боковой: опора передняя 1
Трактор МТЗ-80Л Вал отбора мощности задний: водило, опора задняя 1
Трактор МТЗ-80Л Коробка передач: вал первой передачи, опора задняя 1
Трактор МТЗ-80Л Коробка передач: вал первичный, опора задняя 1
Трактор МТЗ-80Л Насос НШ 32-3: привод 1
Трактор МТЗ-82 Вал отбора мощности боковой: опора передняя 1
Трактор МТЗ-82 Вал отбора мощности задний: водило, опора задняя 1
Трактор МТЗ-82 Коробка передач: вал первой передачи, опора задняя 1
Трактор МТЗ-82 Коробка передач: вал первичный, опора задняя 1
Трактор МТЗ-82 Насос НШ 32-3: привод 1
Трактор МТЗ-82Л Вал отбора мощности боковой: опора передняя 1
Трактор МТЗ-82Л Вал отбора мощности задний: водило, опора задняя 1
Трактор МТЗ-82Л Коробка передач: вал первой передачи, опора задняя 1
Трактор МТЗ-82Л Коробка передач: вал первичный, опора задняя 1
Трактор МТЗ-82Л Мост передний: редуктор передачи конечной 2
Трактор МТЗ-82Л Насос НШ 32-3: привод 1
Трактор Т-11.01.01Я Коробка передач планетарная 1
Трактор Т-11.01.01ЯМ Коробка передач планетарная 1
Трактор Т-11.01.01ЯМП Коробка передач планетарная 1
Трактор Т-150 Насос НМШ-50: вал шестерни 2
Трактор Т-150К Опора промежуточная 2
Трактор Т-151К с двигателем СМД-62/63 Вал отбора мощности: опора промежуточная -
Трактор Т-151К с двигателем СМД-62А/63А Вал отбора мощности: опора промежуточная -
Трактор Т-16 Передача главная: корпус 1
Трактор Т-35.01 ЯБЛ Гидротрансформатор 2
Трактор Т-35.01Я Гидротрансформатор 2
Трактор Т-40А Двигатель: вал механизма выключения, опора задняя 1
Трактор Т-4А Двигатель пусковой: редуктор -
Трактор Т-75 Двигатель: вал механизма выключения, опора задняя 1
Трактор Т-75 Двигатель: шкив вентилятора, опора задняя 1
Трактор Т-75 Вал отбора мощности: шестерня редуктора 2
Трактор Т-75МВ с двигателем А-41 Двигатель: регулятор двигателя пускового -
Трактор ТТ-4М Двигатель пусковой: редуктор -
Трактор ТТ-4М Коробка раздаточная: шестерня промежуточная -
Трактор ТТ-4М Коробка раздаточная: блок шестерен -
Трактор ТТ-4М-01 Двигатель пусковой: редуктор -
Трактор ТТ-4М-01 Коробка раздаточная: шестерня промежуточная -
Трактор ТТ-4М-01 Коробка раздаточная: блок шестерен -
Трактор ХТЗ-16131 (кроме двигателя) Вал отбора мощности: вал промежуточный -
Трактор ЮМЗ-6АЛ Коробка передач -
Трактор ЮМЗ-6АМ Коробка передач -
Трактор ЮМЗ-6КМ Коробка передач -
Бренд Обозначение
ГПЗ 208
SKF 6208
FAG 6208
NSK 6208
Товар добавлен в корзину
Перейти в корзину ×