Подшипники гост
Интернет-магазин
8-800-250-16-58
Обратный звонок

Заказ обратного звонка




Эл. почта:
info@amost.ru
Свои заказы Корзина пуста





Получать прайс-лист на email:

Чтобы отписаться от рассылки, введите e-mail, на который вы получаете наши письма:

 

Поиск подшипников

Масса и размеры

Внутренний диаметр d, мм

От  до 

Наружный диаметр D, мм

От  до 

Ширина b, мм

Применяемость

Раздел каталога

Подшипник шариковый радиальный однорядный основного конструктивного исполнения

209 Ю ГОСТ 520

Отечественный
Импортный
Цена: 85.00 руб

Производитель



под заказ
Обозначение 209 Ю ГОСТ 520
Цена импортная 80
Новинки N
Хиты продаж N
Скидки N
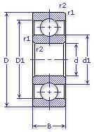
Внутренний диаметр, d (мм) 45
Наружный диаметр, D (мм) 85
Ширина, В (мм) 19
Масса, m (кг) 0.41
Грузоподъемность динамическая, C (kN) 33.2
Грузоподъемность статическая, Co (kN) 18.6
Ном. частота вращен. при пластич. смазке, n grease (1/min) 7500
Диаметр шарика, d шарика (мм) 12.7
Количество шариков, N шариков 9
Ном. частота вращен. при жидк. смазке, n oil (1/min) 9000
Диаметр борта наружного кольца, D1(mm) 72.6
Диаметр борта внутреннего кольца, d1 (mm) 57.4
Радиус фаски, r1, r2 min (мм) 1.1
209 Ю ГОСТ 520

Этот подшипник может быть заменен другими:

Подшипник 50209 — Условие отсутствует

Подшипник 60209 — При условии демонтажа одной защитной шайбы

Подшипник 160209 — При условии демонтажа одной защитной шайбы

Подшипник 150209 — При условии демонтажа одной защитной шайбы (п/ш с канавкой)

Подшипник 80209 — При условии демонтажа 2-х защитных шайб

Подшипник 180209 — При условии демонтажа 2-х защитных шайб

Подшипник 450209 — При условии демонтажа 2-х защитных шайб

Подшипник 190209 — Аналог состоит из двух искомых подшипников

Марка Модель Узел Кол-во на узел
Автопогрузчик 4014 Коробка передач 1
Автопогрузчик 4016 Коробка передач 1
Автопогрузчик 4017 Коробка передач 1
Автопогрузчик 4043М Коробка передач 1
Автопогрузчик 4045Р Коробка передач 1
Автопогрузчик 4065 Коробка передач 1
Подшипники ГАЗ 2121 Niva Дифференциал 1
ГАЗ 52-01 Коробка передач 1
ГАЗ 52-01 Коробка передач: вал ведущий 1
ГАЗ 52-04 Коробка передач 1
ГАЗ 52-04 Коробка передач: вал ведущий 1
ГАЗ 52-05 Коробка передач 1
ГАЗ 52-05 Коробка передач: вал ведущий 1
ЗИЛ 131М Мост задний 1
ЗИЛ 131М Мост средний 1
ЗИЛ 131МВ Мост задний 1
ЗИЛ 131МВ Мост средний 1
ЗИЛ 133ВЯ Мост задний 1
ЗИЛ 133ВЯ Мост средний 1
ЗИЛ 133Г1 Мост задний 1
ЗИЛ 133Г1 Мост средний 1
ЗИЛ 133ГЯ Мост задний 1
ЗИЛ 133ГЯ Мост средний 1
Комбайн Дон-680 Редуктор вальцов верхних 2
Комбайн Дон-680 Редуктор цилиндрический 4
Косилка КПС-5Г Коробка главная -
МАЗ 537 Компрессор 1
МАЗ 537Г Компрессор 1
МАЗ 538 Коробка передач гидромеханическая 1
МАЗ 547 Двигатель: система охлаждения 9
МАЗ 547 Управление рулевое 2
МАЗ 7410 Двигатель: система охлаждения 8
МАЗ 7410 Управление рулевое 1
МоАЗ 546П-Д357П Коробка отбора мощности 1
МоАЗ 6401-9585 Коробка отбора мощности 1
МоАЗ 6401-9585 Коробка передач гидромеханическая 1
Мототехника Днепр-11 Вал коленчатый: опора передняя -
Мототехника МТ10-36 Днепр Вал коленчатый: опора передняя -
САЗ 4509 Коробка передач: вал ведущий 1
Станкостроение Не указано Не указано -
Станкостроение Не указано Не указано -
Станкостроение Не указано Не указано -
Трактор ДТ-20 Вал отбора мощности 1
Трактор К-701 Мост ведущий 4
Трактор К-701 Двигатель: вал ведомый гидромуфты -
Трактор К-701 Двигатель: вал ведущий гидромуфты 2
Трактор МТЗ-2 Двигатель: привод генератора, опоры передняя и задняя 2
Трактор МТЗ-2 Механизм гидравлический: опора задняя 1
Трактор МТЗ-5 Двигатель: привод генератора, опоры передняя и задняя 1
Трактор МТЗ-80 Вал отбора мощности задний: барабан шестерни солнечной, опоры передняя и задняя 2
Трактор МТЗ-80Л Вал отбора мощности задний: барабан шестерни солнечной, опоры передняя и задняя 2
Трактор МТЗ-82 Вал отбора мощности задний: барабан шестерни солнечной, опоры передняя и задняя 2
Трактор МТЗ-82 Мост передний ведущий: редуктор передачи конечной 2
Трактор МТЗ-82Л Вал отбора мощности задний: барабан шестерни солнечной, опоры передняя и задняя 2
Трактор МТЗ-82Л Мост передний ведущий: редуктор передачи конечной 2
Трактор Т-11.01.01Я Коробка передач планетарная 1
Трактор Т-11.01.01ЯМ Коробка передач планетарная 1
Трактор Т-11.01.01ЯМП Коробка передач планетарная 1
Трактор Т-25 Вал отбора мощности 1
Трактор Т-40 Коробка передач: пара коническая 1
Трактор Т-40А Коробка передач: пара коническая 1
Трактор Т-40А Мост передний ведущий: шестерня ведущая передачи главной 1
Трактор Т-40АМ Коробка передач с дифференциалом -
Трактор Т-40АМ Мост передний ведущий: шестерня ведущая -
Трактор Т-40АНМ Коробка передач с дифференциалом -
Трактор Т-40АНМ Мост передний ведущий: шестерня ведущая -
Трактор Т-40М Коробка передач с дифференциалом -
Трактор Т-4А Насос топливный: валик -
Трактор Т-75 Сцепление: вал муфты главной, опора передняя 1
Трактор Т-75 Двигатель: вал ведомый механизма передаточного двигателя пускового, опора задняя 1
Трактор ТТ-4М Маховик -
Трактор ТТ-4М Насос топливный: валик привода -
Трактор ТТ-4М-01 Маховик -
Трактор ТТ-4М-01 Насос топливный: валик привода -
Бренд Обозначение
ГПЗ 209
SKF 6209
FAG 6209
NSK 6209
Товар добавлен в корзину
Перейти в корзину ×